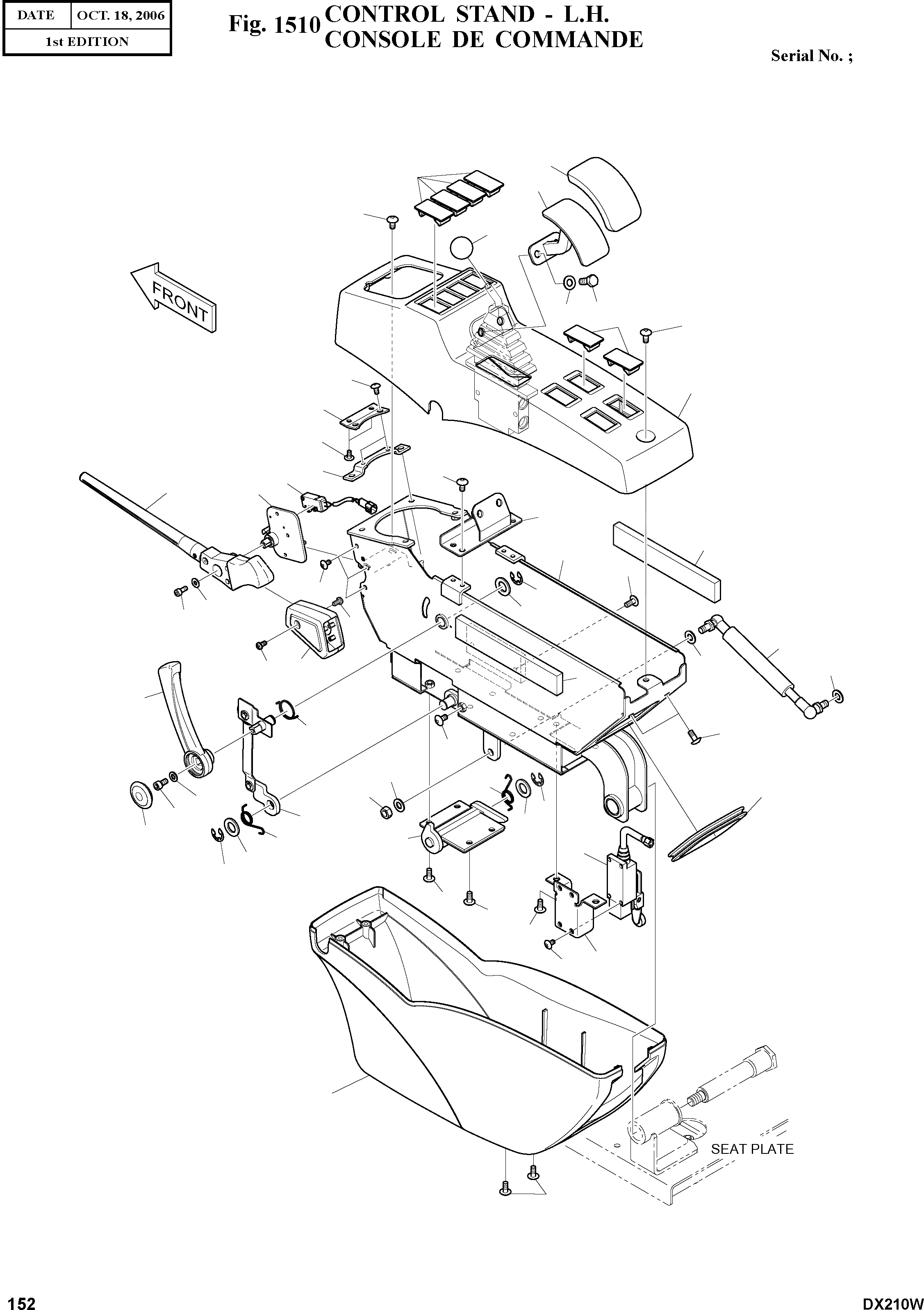
Запчасти Doosan Daewoo CONTROL STAND - L.H BODY PARTS

37
29
28
26
30
36
8
29
12
11
3
7
11
6
12
23
4
5
35
1
12
11
18
34
10
31
25
15
8
24
8
25
35
20
19
12
12
8
17
27
9
33
18
32
13
10
21
14
17
22
10
18
12
12
12
16
11
2
12
4A
FIT
1:1
100%

Артикул

Название

Примечание

Количество

-

K1024062

CONTROL STAND;L.H

SC: D

-2шт.

1

K1017689

BRACKET;L.H

desc: SUPPORT

1шт.

2

621-03013C

COVER

desc: COUVERCLE

1шт.

3

K1023602

COVER

desc: COUVERCLE

1шт.

4

195-02868C

BRACKET;SAFETY

desc: SUPPORT

1шт.

4A

549-00089

SWITCH;MICRO

desc: . INTERRUPTEUR

1шт.

5

K1017770

BRACKET

desc: SUPPORT

1шт.

6

159-00290A

PLATE

desc: PLAQUE

1шт.

7

159-00287A

PLATE;COVER MOUNT

desc: PLAQUE

1шт.

8

2114-1898D14

WASHER

desc: CALE

5шт.

9

2121-1311D2

NUT

desc: ECROU 6 PANS M8

1шт.

10

2114-1898D6

WASHER

desc: CALE

3шт.

11

2120-2166D53

BOLT

desc: BOULON A 6 PANS

11шт.

12

2120-2166D10

SCREW

desc: VIS

17шт.

13

195-02921E

BRACKET;LOCKER

desc: SUPPORT

1шт.

14

195-02920A

BRACKET;LOCKER

desc: SUPPORT

1шт.

15

DS1001045

GAS SPRING

desc: AMORTISSEUR

1шт.

16

621-01951

COVER;MICRO S/W

desc: COUVERCLE

1шт.

17

129-00157

SPRING;COIL

desc: RESSORT

2шт.

18

S6541000

RING;RETAINING

desc: ANNEAU DE SOUTIEN

3шт.

19

K1001437A

SPRING

desc: RESSORT

1шт.

20

K1000839A

LEVER

desc: LEVIER

1шт.

21

K1000841

COVER

desc: COUVERCLE

1шт.

22

549-00046

SWITCH;PILOT CUT OFF

desc: MANOSTAT

1шт.

23

K1000840

LEVER

desc: LEVIER

1шт.

24

K1000842A

COVER

desc: COUVERCLE

1шт.

25

S3450823

SCREW

desc: VIS

2шт.

26

2120-2166D52

BOLT

desc: BOULON A 6 PANS

2шт.

27

K1001023

STRIP;WEATHER

desc: TAMPON

1шт.

28

K1017771

BRACKET

desc: SUPPORT

1шт.

29

621-02801

COVER;SWITCH

desc: COUVERCLE

6шт.

30

132-00021

GRIP

desc: ECROU

1шт.

31

S2202966

BOLT;SOCKET

desc: BOULON

1шт.

32

S2204466

BOLT

desc: BOULON A 6 PANS

1шт.

33

2114-1898D3

WASHER

desc: CALE

1шт.

34

2114-1898D4

WASHER

desc: CALE

1шт.

35

K1010466

FOAM

desc: EPONGE

2шт.

36

2120-2166D5

BOLT

desc: BOULON A 6 PANS

2шт.

37

K1023960

RUBBER

desc: CAOUTCHOUC

1шт.

Выбрано товаров: 39