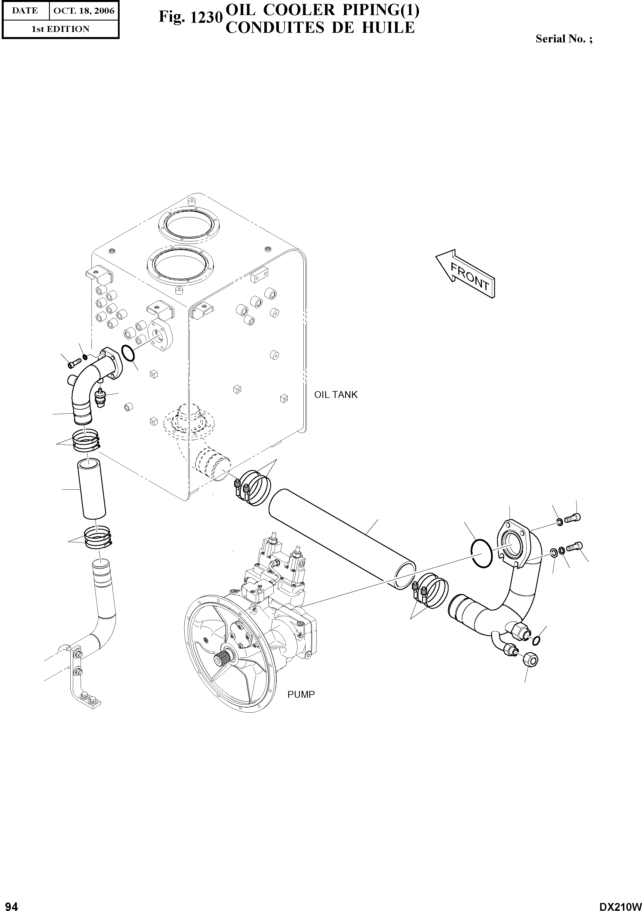
Запчасти Doosan Daewoo OIL COOLER PIPING(1) BODY PARTS

23
24
20
12
5
25
37
9
26
27
6
10
21
25
26
27
28
36
37
52
FIT
1:1
100%

Артикул

Название

Примечание

Количество

-

K1010031B

OIL COOLER PIPING

SC: D

-2шт.

5

K1004802

PIPE;RETURN

desc: CONDUITE DE RETOUR

1шт.

6

K1011757A

PIPE;SUCTION

desc: PIPE;OIL

1шт.

9

2185-1776D1

HOSE

desc: TUYAU FLEXIBLE

1шт.

10

2185-1737D4

HOSE

desc: TUYAU FLEXIBLE

1шт.

12

549-00095

SWITCH;PRESSURE

desc: AVERTISSEUR

1шт.

20

2180-1026D27

O-RING

desc: JOINT TORIQUE

1шт.

21

2180-1026D33

O-RING

desc: JOINT TORIQUE

1шт.

23

S5110703

WASHER;SPRING

desc: RONDELLE ELASTIQUE

4шт.

24

S2215466

BOLT;SOCKET M12X1.75X40

desc: BOULON A 6 PANS CREUX

4шт.

25

S8470085

CLAMP;HOSE

desc: COLLIER

4шт.

26

S2221566

BOLT;SOCKET

desc: BOULON

4шт.

27

S5110903

WASHER

desc: CALE

4шт.

28

S5010913

WASHER;PLAIN

desc: RONDELLE PLATE

2шт.

36

2180-1026D37

O-RING

desc: JOINT TORIQUE

1шт.

37

S8500118

CLAMP;HOSE

desc: COLLIER

4шт.

52

2181-2817D1

CAP

desc: CHAPEAU

1шт.

Выбрано товаров: 17