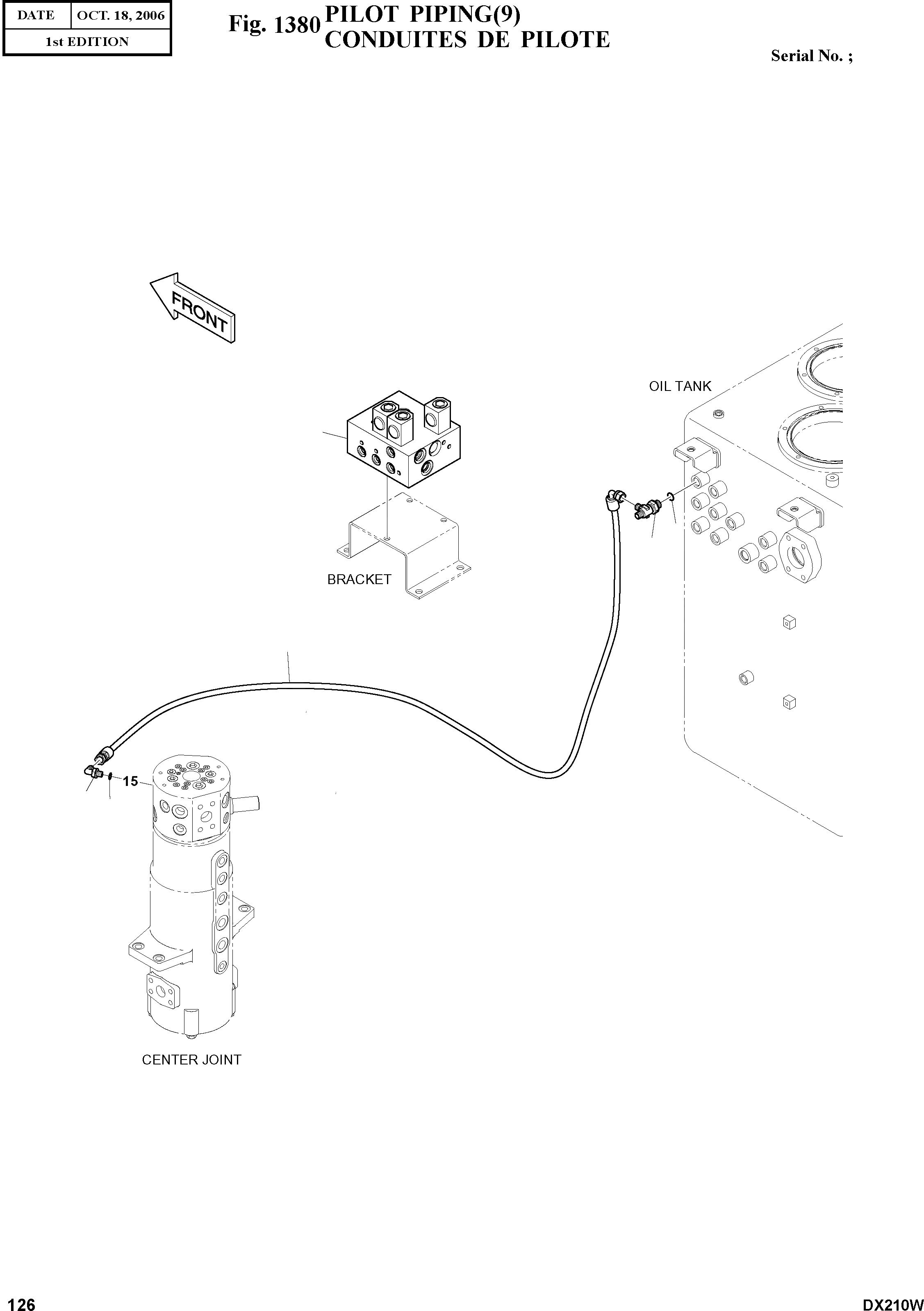
Запчасти Doosan Daewoo PILOT PIPING(9) BODY PARTS

2
6
4
1
3
5
FIT
1:1
100%

Артикул

Название

Примечание

Количество

-

K1016531

PILOT PIPING

SC: D

-2шт.

1

DS2093332

HOSE

desc: TUYAU FLEXIBLE

1шт.

2

K1002820

VALVE;SOLENOID

desc: VANNE SOLENOIDE

1шт.

3

2181-1702D4

ELBOW

desc: COUDE

1шт.

4

2181-1951D7

TEE

desc: TE

1шт.

5

S8000111

O-RING

desc: JOINT TORIQUE

1шт.

6

S8000141

O-RING

desc: JOINT TORIQUE

1шт.

Выбрано товаров: 7