Запчасти Doosan Daewoo EX. & IN. MANIFOLD ENGINE PARTS

1
3
8
5
4
2
9
3
22
6
4
21
7
18
20
19
17
16
17
31
11
14
30
31
12
13
15
FIT
1:1
100%

Артикул

Название

Примечание

Количество

1

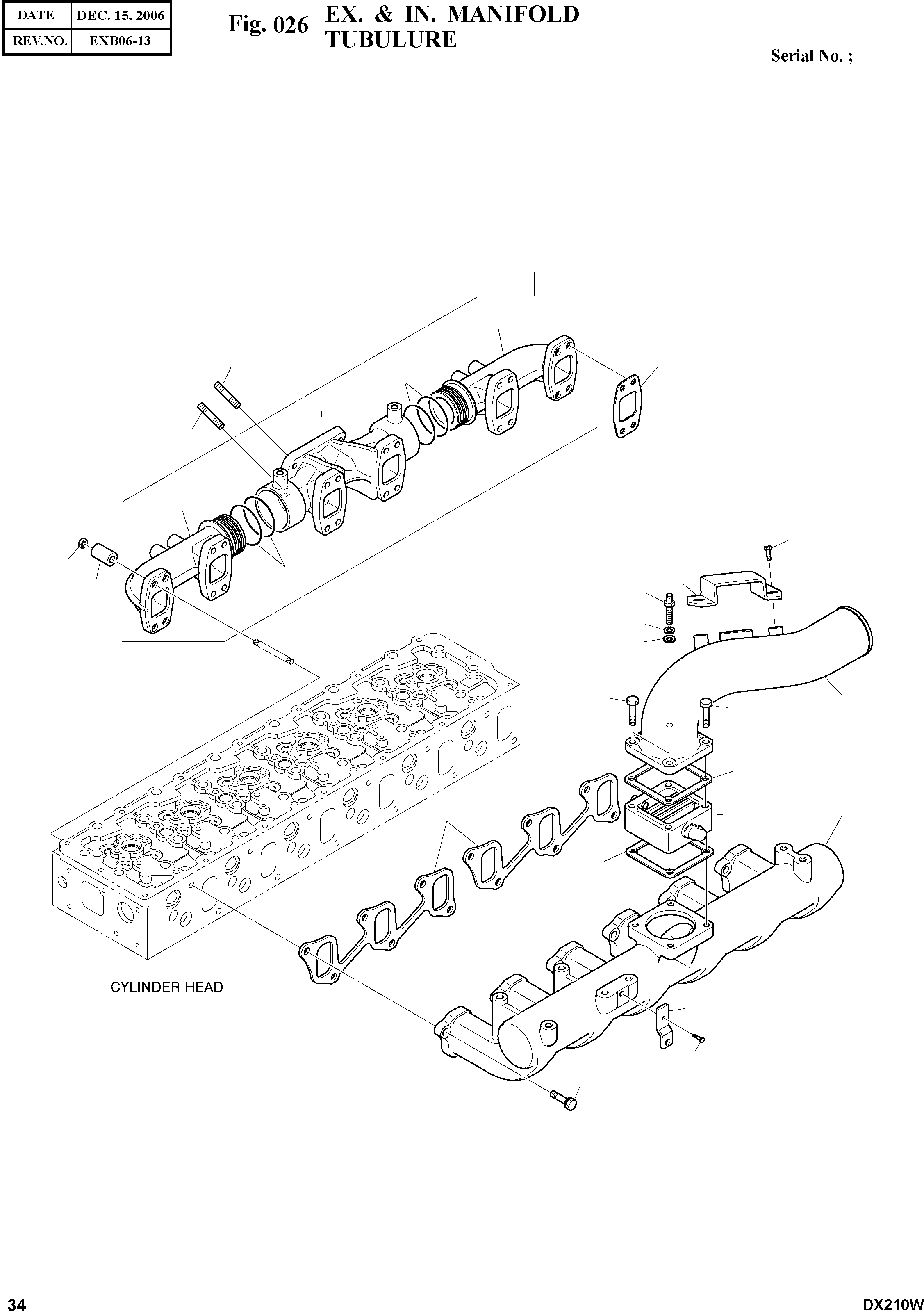
65.08100-6088

EXHAUST MANIFOLD ASS'Y

SERIAL: 061109

1шт.

1

65.08100-6088A

EXHAUST MANIFOLD ASS'Y

SERIAL: 061110

1шт.

2

65.08101-0263

MANIFOLD;EXHAUST

desc: . TUBULURE D'ECHAPPEMENT

1шт.

3

65.08101-0264

MANIFOLD;EXHAUST

desc: . TUBULURE D'ECHAPPEMENT

2шт.

4

65.96507-0013

RING;SEAL

SERIAL: 061109

6шт.

4

65.96507-0059

RING;SEAL

SERIAL: 061110

6шт.

5

65.08901-0045

GASKET;EXHAUST MANIFOLD

desc: JOINT

6шт.

6

65.90535-0003

NUT

desc: ECROU 6 PANS M8

24шт.

7

65.91701-0086

SPACER

desc: BAGUE D'ECARTEMENT

24шт.

8

65.90201-0076

BOLT;STUD M10X1.25X30

desc: GOUJON

2шт.

9

65.90201-0073

BOLT;STUD M10X1.25X25

desc: GOUJON

2шт.

11

65.08201-5075

MANIFOLD;INTAKE

desc: COLLECTEUR

1шт.

12

65.12303-0009

BRACKET;FUEL PIPE

desc: SUPPORT

1шт.

13

06.01913-3213

BOLT ASS'Y M10X20

desc: BOULON 6 PANS

1шт.

14

65.08902-0030A

GASKET;INTAKE MANIFOLD

desc: JOINT

2шт.

15

06.01923-3218

BOLT ASS'Y M10X35

desc: BOULON 6 PANS

12шт.

16

65.08202-0183A

STAKE;INTAKE

desc: TUBULURE D'ADIMISSION

1шт.

17

06.01923-3125

BOLT ASS'Y M8X70

desc: BOULON 6 PANS

3шт.

18

65.90201-0136

BOLT;STUD

desc: BOULON A 6 PANS

1шт.

19

06.15010-2311

WASHER

desc: CALE

1шт.

20

06.16731-2107

WASHER

desc: CALE

1шт.

21

65.08204-0004

COVER

desc: COUVERCLE

1шт.

22

06.01923-2910

BOLT ASS'Y M6X12

desc: BOULON 6 PANS

2шт.

30

65.26803-7028B

AIR HEATER

desc: RECHAUFFEUR D'AIR

1шт.

31

65.09904-0008

GASKET;AIR HEATER

desc: JOINT

2шт.

Выбрано товаров: 25