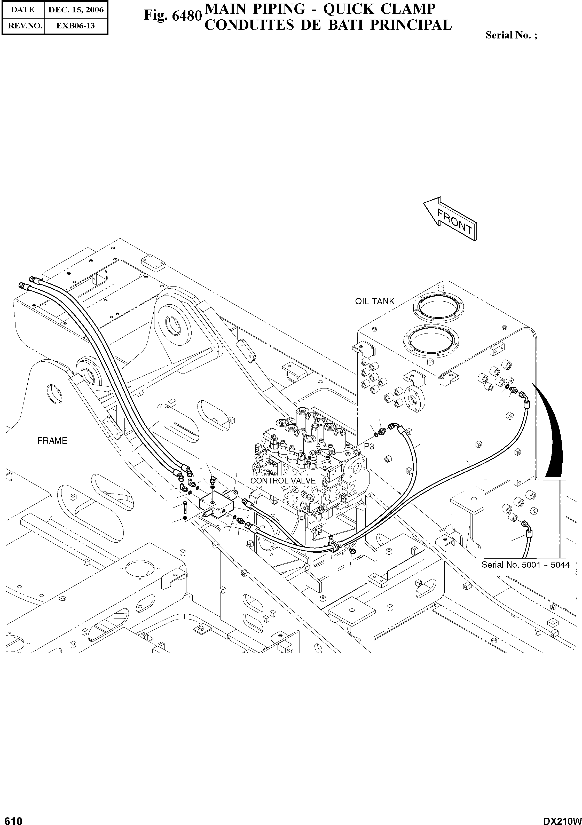
Запчасти Doosan Daewoo MAIN PIPING - QUICK CLAMP OPTION PARTS

10
2
2
13
10
11
12
13
3
1
9
4
9
5
6
9
12
14
7
8
FIT
1:1
100%

Артикул

Название

Примечание

Количество

-

K1009852C

MAIN PIPING-QUICK CLAMP

SC: D

-2шт.

1

426-00287

VALVE;QUICK-FIT

desc: VANNE

1шт.

2

2181-1126D36

ADAPTER

SERIAL: 5001-5044

1шт.

2

2181-1126D36

ADAPTER

SERIAL: 5045

2шт.

3

2181-1702D4

ELBOW

desc: COUDE

1шт.

4

2181-2419D1

ELBOW

desc: COUDE

2шт.

5

S0556366

BOLT

desc: BOULON A 6 PANS

2шт.

6

S5102503

WASHER;SPRING

desc: RONDELLE ELASTIQUE

2шт.

7

124-00208D4

CLIP

desc: CLIP

1шт.

8

K1001029

BOLT

desc: BOULON A 6 PANS

1шт.

9

S8000111

O-RING

desc: JOINT TORIQUE

4шт.

10

S8000141

O-RING

SERIAL: 5001-5044

1шт.

10

S8000141

O-RING

SERIAL: 5045

2шт.

11

DS2055934

HOSE

desc: TUYAU FLEXIBLE

1шт.

12

DS2093083

HOSE

SERIAL: 5001-5044

1шт.

12

DS2093463

HOSE

SERIAL: 5045

1шт.

13

DS2054367

HOSE

desc: TUYAU FLEXIBLE

2шт.

14

2181-1126D14

ADAPTER

desc: ADAPTEUR

1шт.

Выбрано товаров: 18