Запчасти Doosan Daewoo CHASSIS COMPONENTS (2) POWER TRAIN

1
2
3
4
5
3
4
5
5
4
3
5
4
3
6
4
7
6
4
7
FIT
1:1
100%

Артикул

Название

Примечание

Количество

-

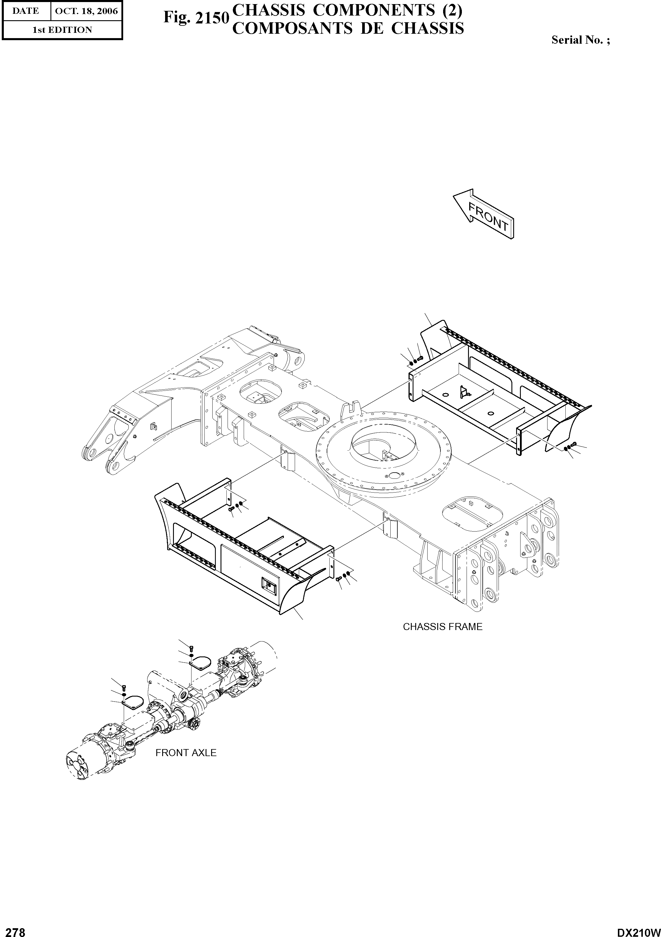
K1005134B

CHASSIS COMPONENTS

SC: D

-2шт.

1

K1005033B

STEP(L.H)

desc: MARCHER

1шт.

2

K1005034B

STEP(R.H)

desc: MARCHER

1шт.

3

S0565066

BOLT

desc: BOULON A 6 PANS

8шт.

4

S5102903

WASHER;SPRING

desc: RONDELLE ELASTIQUE

12шт.

5

2114-1816A

WASHER;HARD

desc: RONDELLE ELASTIQUE

8шт.

6

S0521466

BOLT

desc: BOULON A 6 PANS

4шт.

7

K1005878A

PAD;AXLE

desc: GARNITURE D'AXE

2шт.

Выбрано товаров: 8