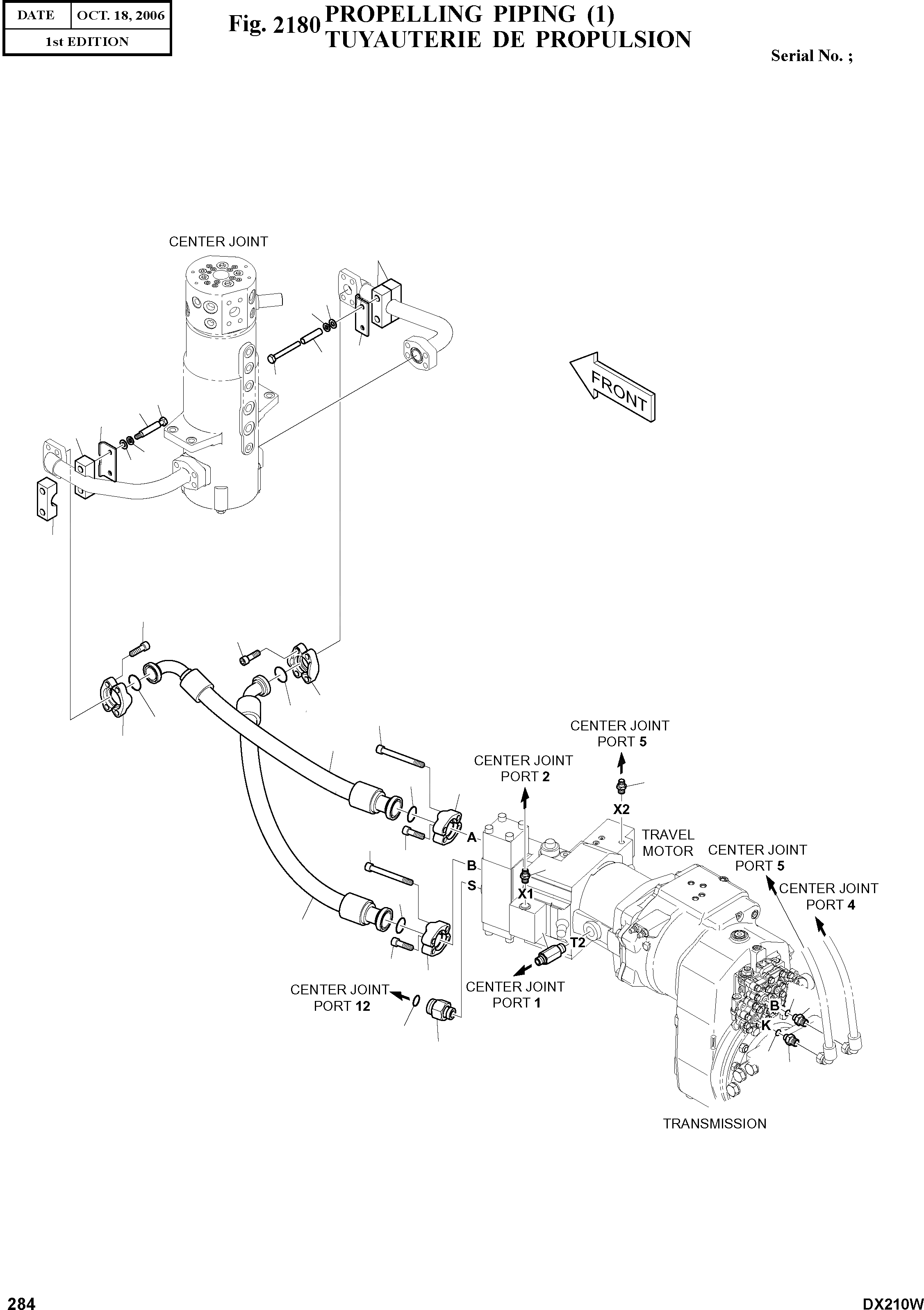
Запчасти Doosan Daewoo PROPELLING PIPING (1) POWER TRAIN

14
18
19
16
15
17
17
15
16
14
19
18
14
11
11
1
9
12
9
1
8
10
5
2
12
13
5
10
4
7
13
2
20
3
21
6
20
3
FIT
1:1
100%

Артикул

Название

Примечание

Количество

-

K1008984B

PROPELLING PIPING

SC: D

-2шт.

1

2181-9081

FLANGE;SPLIT

desc: BRIDE

4шт.

2

2181-9086

FLANGE;SPLIT

desc: BRIDE

4шт.

3

2181-1126D56

ADAPTER

desc: ADAPTEUR

2шт.

4

DS2479007

ADAPTER

desc: ADAPTEUR

1шт.

5

DS2479002

ADAPTER

desc: ADAPTEUR

2шт.

6

DS2495002

ADAPTER

desc: ADAPTEUR

1шт.

7

DS2039114

HOSE

desc: TUYAU FLEXIBLE

1шт.

8

DS2040541

HOSE

desc: TUYAU FLEXIBLE

1шт.

9

2180-1026D19

O-RING

desc: JOINT TORIQUE

2шт.

10

2180-1026D23

O-RING

desc: JOINT TORIQUE

2шт.

11

S2215466

BOLT;SOCKET

desc: BOULON

8шт.

12

S2220066

BOLT;SOCKET

desc: BOULON

6шт.

13

S2218566

BOLT;SOCKET

desc: BOULON

2шт.

14

124-00285

CLAMP;RUBBER

desc: COLLIER

4шт.

15

K1002091

SPACER

desc: BAGUE D'ECARTEMENT

4шт.

16

K1002092

PLATE

desc: PLAQUE

2шт.

17

S0559266

BOLT

desc: BOULON A 6 PANS

4шт.

18

S5010613

WASHER;PLAIN

desc: RONDELLE PLATE

4шт.

19

S5102603

WASHER;SPRING

desc: RONDELLE ELASTIQUE

4шт.

20

S8000141

O-RING

desc: JOINT TORIQUE

2шт.

21

S8030161

O-RING

desc: JOINT TORIQUE

1шт.

Выбрано товаров: 22