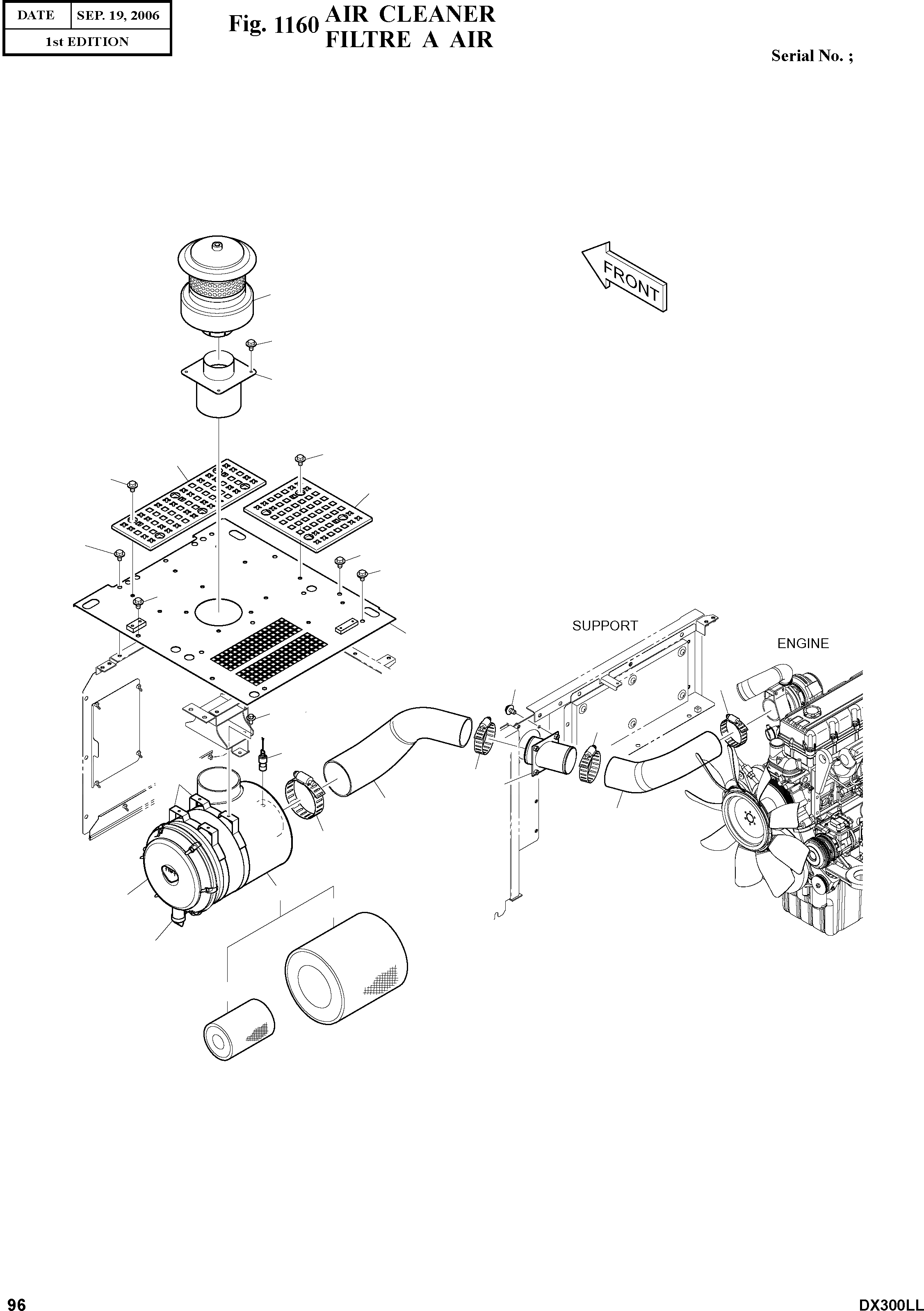
Запчасти Doosan Daewoo AIR CLEANER BODY PARTS

1B
1A
2
5
3
5
13
5
14
5
5
5
5
12
10
5
15
9
16
4
9
8
7
6
11
1
1D
1C
FIT
1:1
100%

Артикул

Название

Примечание

Количество

-

K1010061A

AIR CLEANER ASS'Y

SC: D

-2шт.

1

204-00066

AIR CLEANER ASS'Y

desc: ENSEMBLE FILTRE A AIR

1шт.

1A

474-00037

ELEMENT;INNER

desc: . ELEMENT

1шт.

1B

474-00038

ELEMENT;OUTER

desc: . ELEMENT

1шт.

1C

204-00069

COVER

desc: . COUVERCLE

1шт.

1D

204-00070

VALVE

desc: . VANNE

1шт.

2

K1017883

PRE-CLEANER

desc: PRE-FILTRE A AIR

1шт.

3

181-00798

CONNECTOR;PRECLEANER

desc: CONNECTOR

1шт.

4

124-00297A

BAND;AIR CLEANER

desc: ATTACHE DE TUYAU

2шт.

5

DS0025015

BOLT;SET

desc: BOULON A 6 PANS

30шт.

6

185-00382A

HOSE;AIR

desc: TUYAU FLEXIBLE

1шт.

7

185-00383

HOSE;AIR

desc: TUYAU FLEXIBLE

1шт.

8

K1006602

PIPE;AIR

desc: CONDUITE

1шт.

9

S8510143

CLAMP;HOSE

desc: COLLIER

2шт.

10

S8510118

CLAMP;HOSE

desc: COLLIER

1шт.

11

S8510168

CLAMP;HOSE

desc: COLLIER

1шт.

12

K1010063

COVER;AIR-CLEANER

desc: COUVERCLE

1шт.

13

K1010064

PLATE;ANTI-SKID

desc: PLAQUE

1шт.

14

K1002921

PLATE;ANTI-SKID

desc: PLAQUE

1шт.

15

DS0025017

BOLT;SET

desc: BOULON A 6 PANS

4шт.

16

170-00004

INDICATOR

desc: INDICATEUR

1шт.

Выбрано товаров: 21