Запчасти Doosan Daewoo ENGINE MOUNTING BODY PARTS

25
25
21
19
21
25
8
19
21
26
9
27
19
6
70
9
8
25
21
21
20
19
8
27
26
7
8
9
9
21
20
21
20
21
20
FIT
1:1
100%

Артикул

Название

Примечание

Количество

-

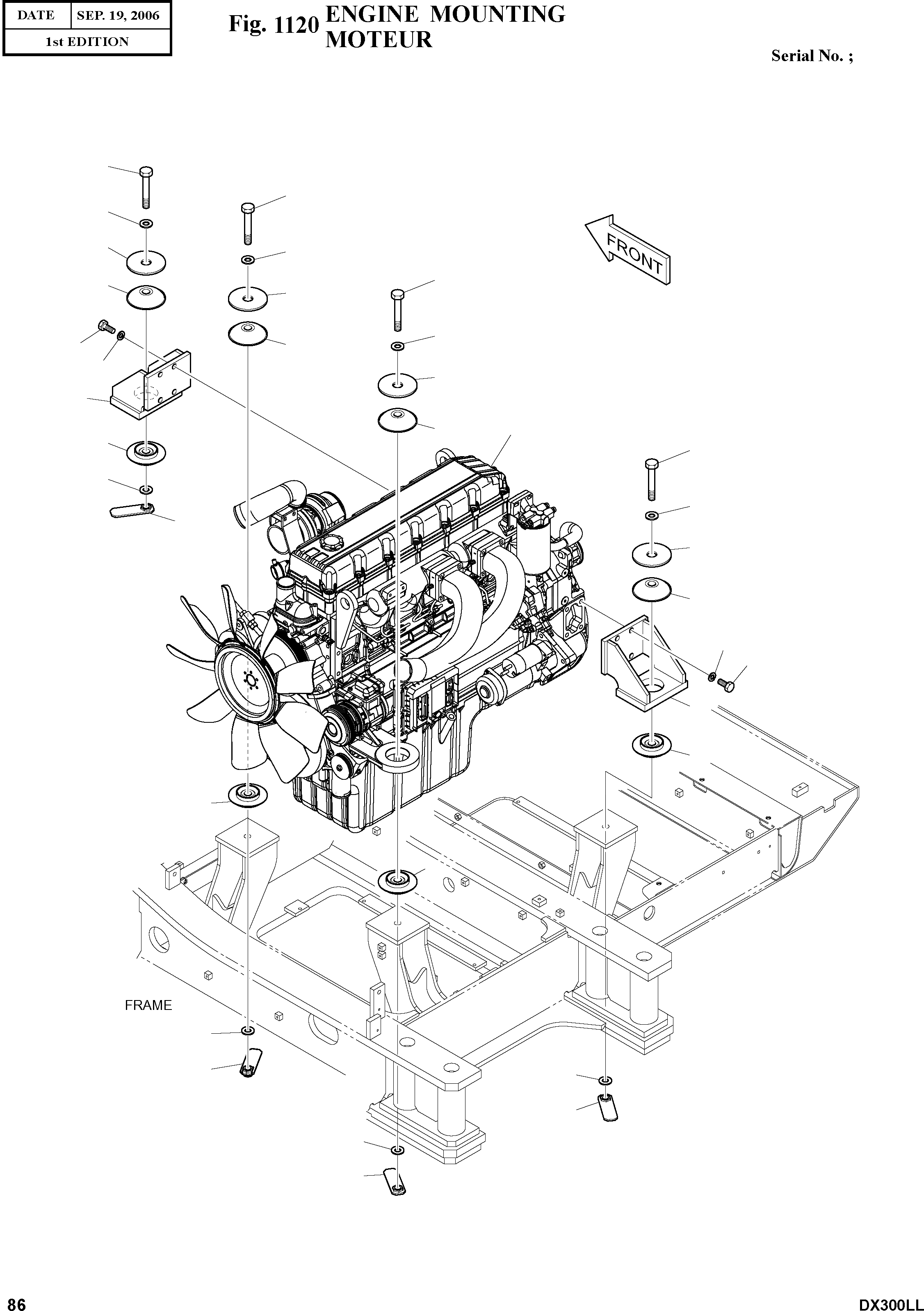
201-00189G

ENGINE ASS'Y

SC: D

-2шт.

6

195-02626B

BRACKET;ENGINE MOUNT

desc: SUPPORT

1шт.

7

195-02625C

BRACKET;ENGINE MOUNT

desc: SUPPORT

1шт.

8

161-00551

RUBBER;MOUNT ENGINE

desc: CAOUTCHOUC

4шт.

9

161-00553

RUBBER;MOUNT ENGINE

desc: CAOUTCHOUC

4шт.

19

2114-1929

WASHER

desc: RONDELLE

4шт.

20

195-02643C

SUPPORT;NUT

desc: SUPPORT

4шт.

21

2114-9012A

WASHER;HARDEN

desc: RONDELLE

8шт.

25

S0771466

BOLT M20X1.5X130

desc: BOULON A 6 PANS

4шт.

26

S0521466

BOLT M16X2.0X40

desc: BOULON A 6 PANS

8шт.

27

S5102903

WASHER;SPRING M16

desc: RONDELLE ELASTIQUE

8шт.

70

K1008284

ENGINE ASS'Y-TIER-III

desc: MOTEUR

1шт.

Выбрано товаров: 12