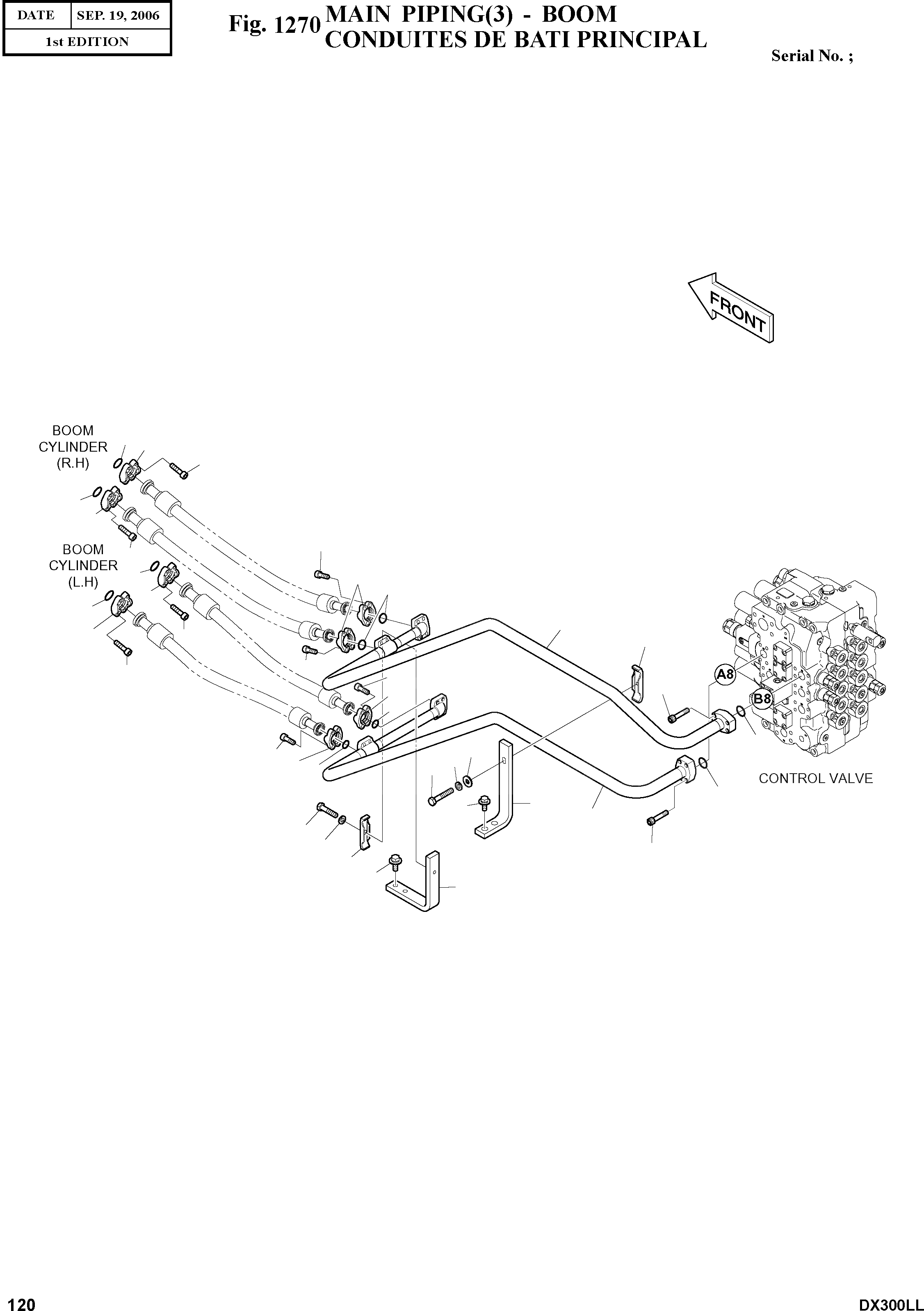
Запчасти Doosan Daewoo MAIN PIPING(3) - BOOM BODY PARTS

23
19
11
23
19
10
11
20
23
24
19
23
29
19
11
16
10
11
10
11
20
24
80
23
10
36
20
81
24
23
32
7
28
73
36
11
17
7
6
FIT
1:1
100%

Артикул

Название

Примечание

Количество

-

K1010006B

MAIN PIPING

SC: D

-2шт.

6

K1011380

PLATE

desc: PLAQUE

1шт.

7

DS0025020

BOLT;SET

desc: BOULON A 6 PANS

4шт.

10

S2212266

BOLT

desc: BOULON A 6 PANS

16шт.

11

S2212466

BOLT

desc: BOULON A 6 PANS

24шт.

16

124-00314

CLAMP

desc: COLLIER

1шт.

17

2124-1025D6

CLAMP

desc: COLLIER

1шт.

19

2181-9078

FLANGE;SPLIT

desc: FLASQUE

8шт.

20

2181-9079

FLANGE;SPLIT

desc: FLASQUE

8шт.

23

2180-1026D19

O-RING

desc: JOINT TORIQUE

6шт.

24

2180-1026D2

O-RING

desc: JOINT TORIQUE

4шт.

28

140-01461B

PIPE

desc: CONDUITE

1шт.

29

140-01462B

PIPE

desc: CONDUITE

1шт.

32

195-02573C

BRACKET

desc: SUPPORT

1шт.

36

S5102703

WASHER

desc: CALE

2шт.

73

S0560866

BOLT

desc: BOULON A 6 PANS

1шт.

80

2114-1058D33

WASHER

desc: CALE

1шт.

81

S0561166

BOLT

desc: BOULON A 6 PANS

1шт.

Выбрано товаров: 18