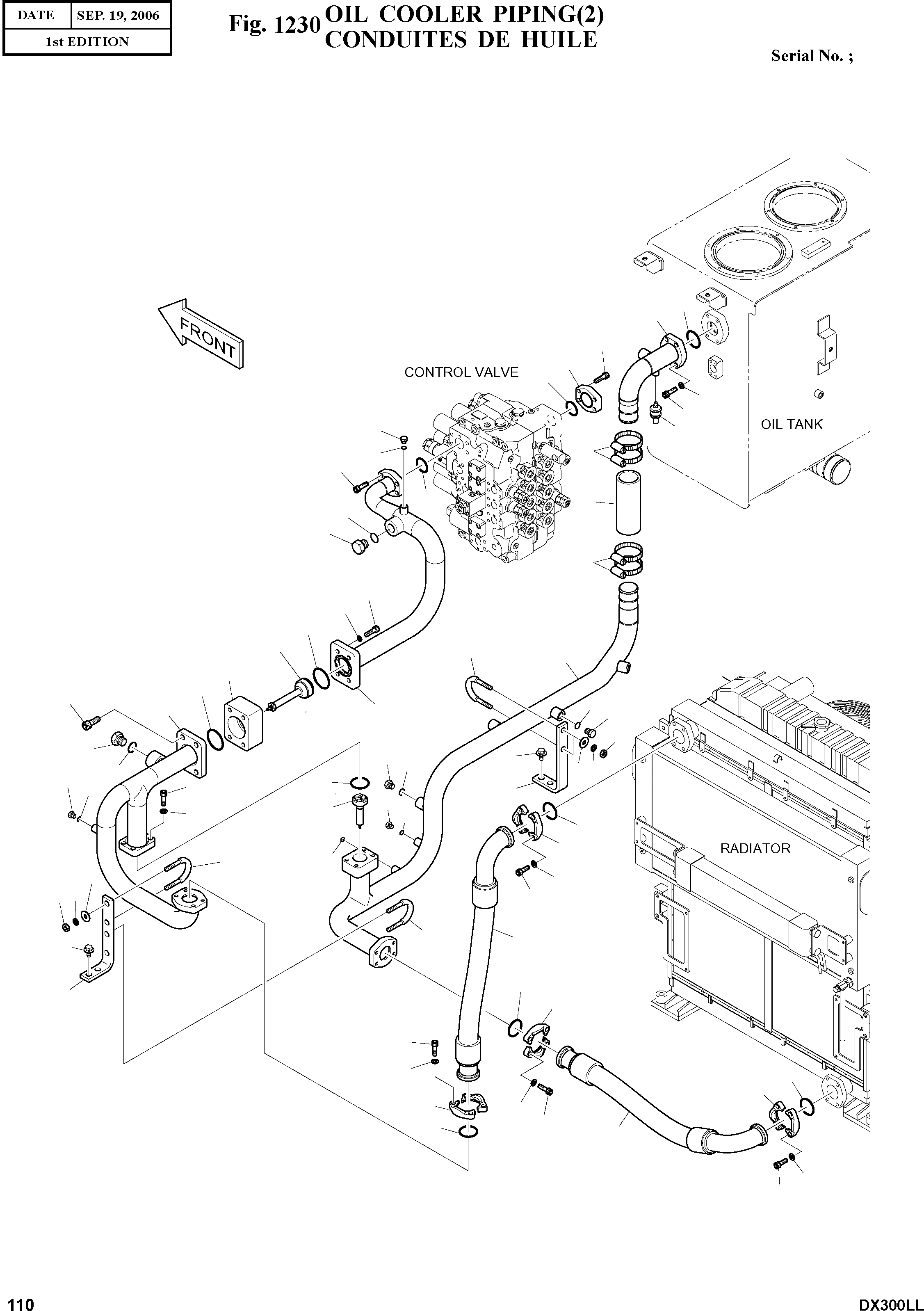
Запчасти Doosan Daewoo OIL COOLER PIPING(2) BODY PARTS

23
2
37
56
24
39
37
35
59
9
27
37
24
8
25
63
9
37
39
22
18
45
3
17
21
38
28
5
4
116
48
54
58
43
28
46
25
47
35
23
27
37
42
91
19
39
27
23
36
27
45
46
47
39
48
61
45
10
43
23
41
36
37
39
23
36
36
39
37
23
11
39
61
FIT
1:1
100%

Артикул

Название

Примечание

Количество

-

K1010010B

OIL COOLER PIPING

SC: D

-2шт.

2

140-01486C

PIPE

desc: CONDUITE

1шт.

3

140-01489E

PIPE;COOLER

desc: CONDUITE

1шт.

4

140-01487E

PIPE;COOLER

desc: CONDUITE

1шт.

5

140-01488G

PIPE;COOLER

desc: CONDUITE

1шт.

8

2185-1776D1

HOSE

desc: TUYAU FLEXIBLE

1шт.

9

S8500092

CLAMP;CONSTANT TORQUE

desc: COLLIER

4шт.

10

DS2040490

HOSE

desc: TUYAU FLEXIBLE

1шт.

11

DS2040438

HOSE

desc: TUYAU FLEXIBLE

1шт.

17

423-00114A

BLOCK

desc: BLOC

1шт.

18

420-00261B

VALVE ASS'Y;BYPASS

desc: VANNE

1шт.

19

420-00304

VALVE;BY-PASS

desc: VANNE

1шт.

21

2180-1026D32

O-RING

desc: JOINT TORIQUE

1шт.

22

2180-1026D31

O-RING

desc: JOINT TORIQUE

1шт.

23

2180-1026D27

O-RING

desc: JOINT TORIQUE

6шт.

24

2180-1026D24

O-RING

desc: JOINT TORIQUE

2шт.

25

S8000291

O-RING

desc: JOINT TORIQUE

1шт.

27

S8000111

O-RING

desc: JOINT TORIQUE

4шт.

28

S8000181

O-RING

desc: JOINT TORIQUE

2шт.

35

2181-1950D1

PLUG

desc: BOUCHON

2шт.

36

4215-1003D6

FLANGE

desc: BRIDE

8шт.

37

S2215466

BOLT;SOCKET M12X1.75X40

desc: BOULON A 6 PANS CREUX

28шт.

38

S2221566

BOLT;SOCKET

desc: BOULON A 6 PANS CREUX

4шт.

39

S5110703

WASHER;SPRING

desc: RONDELLE ELASTIQUE

32шт.

41

195-02735B

BRACKET;PIPE

desc: SUPPORT

1шт.

42

195-02576B

BRACKET;PIPE

desc: SUPPORT

1шт.

43

DS0025018

BOLT;SET

desc: BOULON A 6 PANS

4шт.

45

120-00258A

BOLT;U

desc: BOULON A 6 PANS

3шт.

46

2114-1058D30

WASHER;PLAIN

desc: RONDELLE PLATE

6шт.

47

S5102703

WASHER;SPRING M12

desc: RONDELLE ELASTIQUE

6шт.

48

S4012733

NUT

desc: ECROU

6шт.

54

2181-1950D9

PLUG

desc: BOUCHON

1шт.

56

2181-2157D6

FLANGE:COVER

desc: BRIDE

1шт.

58

2181-1950D3

PLUG

desc: BOUCHON

1шт.

59

549-00094

SWITCH;PRESSURE

desc: AVERTISSEUR

1шт.

61

S2215366

BOLT M12X1.75X35

desc: BOULON A 6 PANS

8шт.

63

2181-1950D9

PLUG

desc: BOUCHON

1шт.

91

2181-1950D1

PLUG

desc: BOUCHON

1шт.

116

2181-1950D1

PLUG

desc: BOUCHON

1шт.

Выбрано товаров: 39