Запчасти Doosan Daewoo FLYWHEEL HOUSING ENGINE PARTS

30
76
74
72
10
80
100
210
220
150
70
230
40
60
100
95
50
90
40
120
110
140
FIT
1:1
100%

Артикул

Название

Примечание

Количество

10

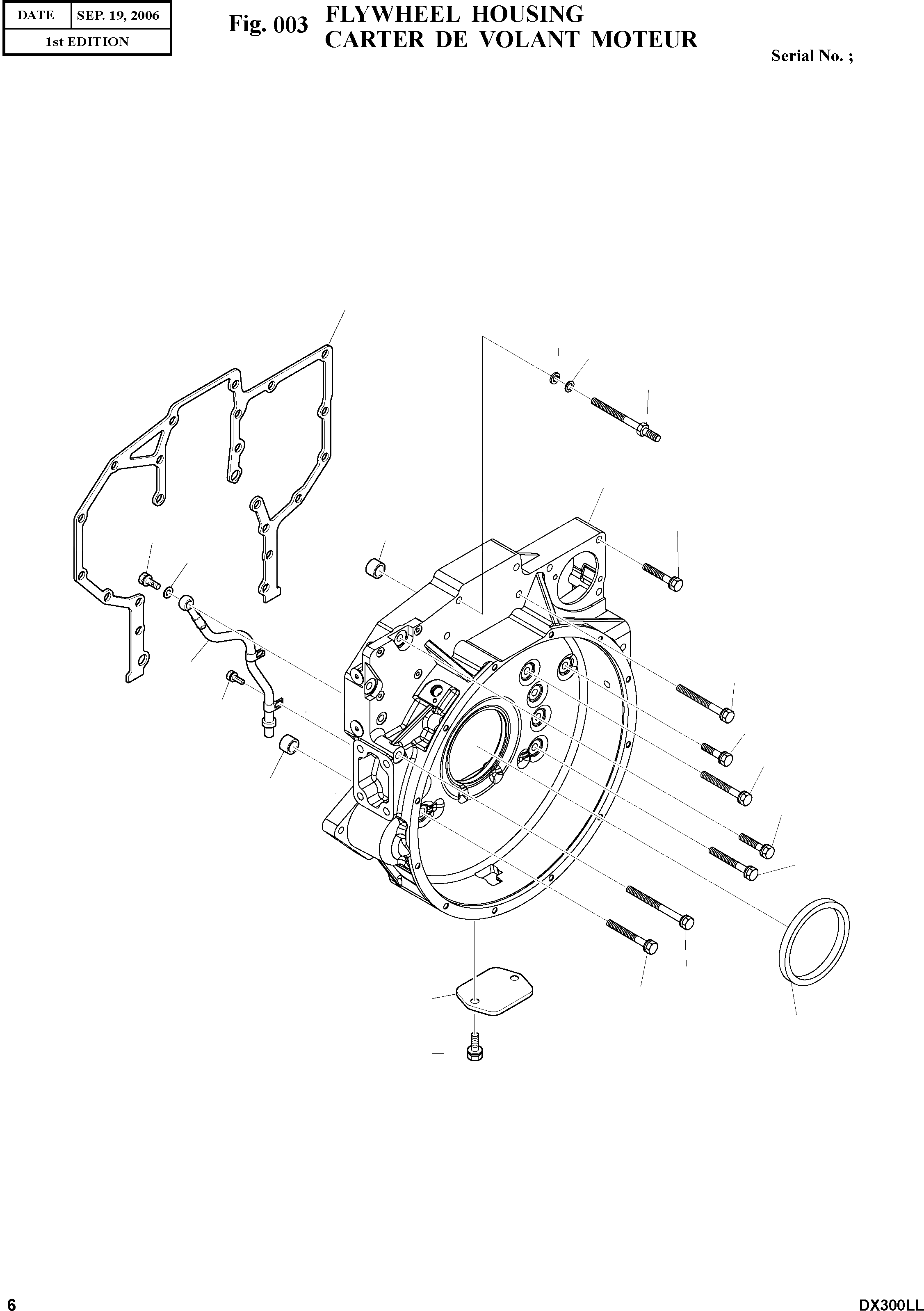
65.01401-0256

HOUSING;FLYWHEEL

desc: CARTER DE VOLANT

1шт.

30

65.01904-0027A

GASKET

desc: JOINT

1шт.

40

65.90020-0099

BOLT;COLLARED HEX

desc: BOULON A 6 PANS

2шт.

50

65.90020-0100

BOLT;COLLARED HEX

desc: BOULON A 6 PANS

8шт.

60

65.90020-0101

BOLT;COLLARED HEX

desc: BOULON A 6 PANS

2шт.

70

65.90020-0102

BOLT;COLLARED HEX

desc: BOULON A 6 PANS

2шт.

72

65.90201-0123

BOLT;STUD

desc: BOULON A 6 PANS

2шт.

74

06.15010-2313

WASHER;PLAIN 12

desc: RONDELLE PLATE

2шт.

76

06.16731-2109

WASHER;SPRING A12

desc: RONDELLE ELASTIQUE

2шт.

80

65.90020-0103

BOLT;COLLARED HEX

desc: BOULON A 6 PANS

5шт.

90

65.90020-0104

BOLT;COLLARED HEX

desc: BOULON A 6 PANS

2шт.

95

65.90020-0105

BOLT;COLLARED HEX

desc: BOULON A 6 PANS

2шт.

100

65.91710-0009

RING;STOPPER

desc: RESSORT

2шт.

110

65.01510-0141

SEAL;OIL(REAR)

desc: JOINT

1шт.

120

65.01414-0004A

COVER;TIMING POINT HOLE

desc: COUVERCLE

1шт.

140

06.01913-3110

BOLT ASS'Y M8X12

desc: BOULON A 6 PANS

2шт.

150

65.01802-6001

PIPE;BREATHER

desc: CONDUITE

1шт.

210

06.78144-2204

SCREW;HOLLOW NW10

desc: VIS

1шт.

220

06.56190-0706

RING;SEAL A14X20

desc: BAGUE

2шт.

230

06.01913-3110

BOLT ASS'Y M8X12

desc: BOULON A 6 PANS

2шт.

Выбрано товаров: 20