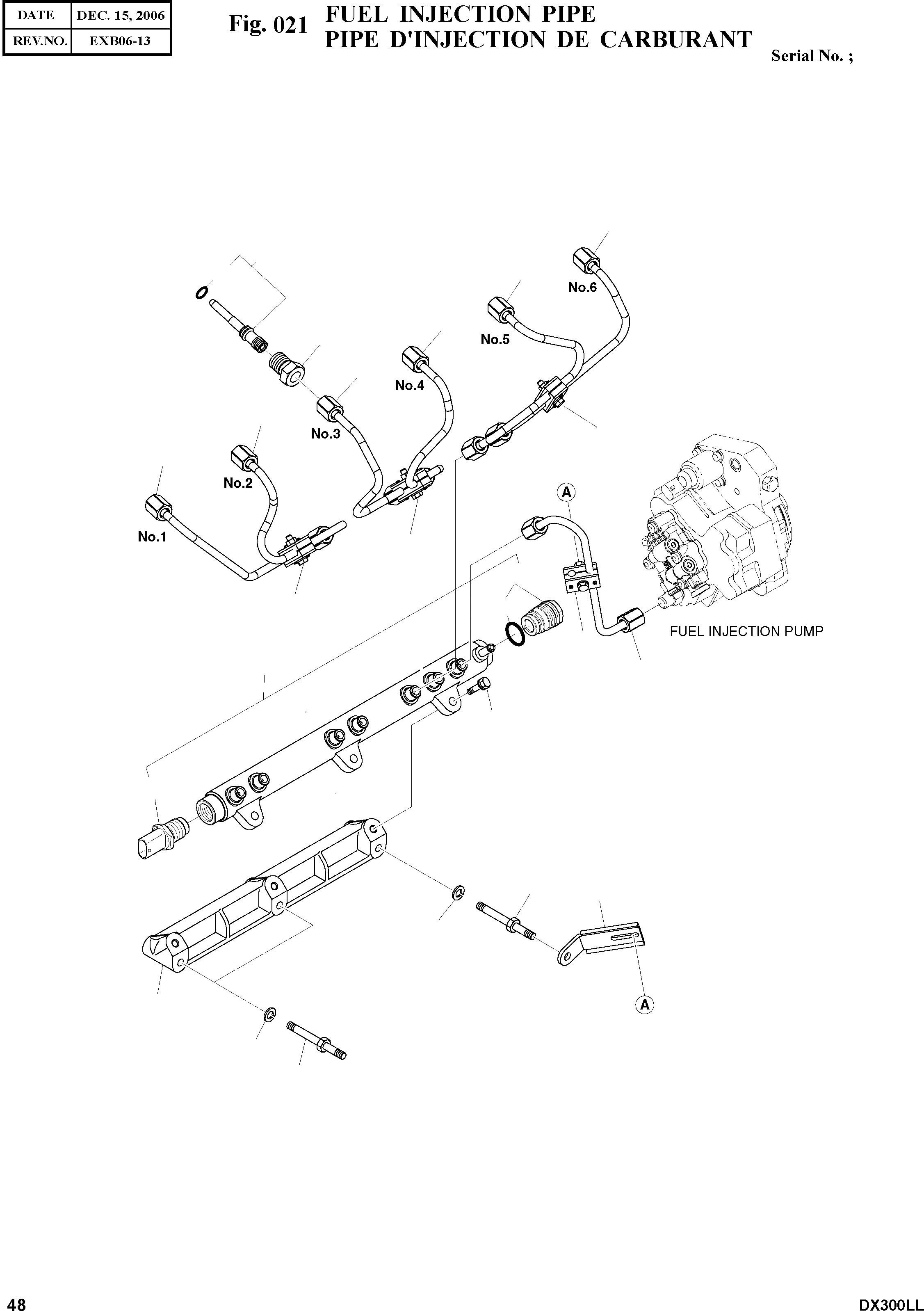
Запчасти Doosan Daewoo FUEL INJECTION PIPE ENGINE PARTS

60
80
81
50
40
90
30
20
160
10
160
102
160
103
160
170
100
70
180
190
120
101
130
200
140
110
140
130
FIT
1:1
100%

Артикул

Название

Примечание

Количество

10

65.10301-6094A

PIPE;INJECTION

desc: CONDUITE

1шт.

20

65.10301-6095A

PIPE;INJECTION

SERIAL: 060911

1шт.

20

65.10301-6095B

PIPE;INJECTION

SERIAL: 060912

1шт.

30

65.10301-6096B

PIPE;INJECTION

desc: CONDUITE

1шт.

40

65.10301-6097A

PIPE;INJECTION

desc: CONDUITE

1шт.

50

65.10301-6098A

PIPE;INJECTION

desc: CONDUITE

1шт.

60

65.10301-6099A

PIPE;INJECTION

desc: CONDUITE

1шт.

70

65.10301-6104A

PIPE;INJECTION

desc: CONDUITE

1шт.

80

65.10410-6004

CONNECTOR

desc: CONNECTOR

6шт.

81

65.96501-0434

O-RING

desc: . JOINT TORIQUE

1шт.

90

65.10415-0001

NUT

desc: ECROU

6шт.

100

65.10601-6001A

RAIL

desc: CHEMIN DE FER

1шт.

101

65.27114-5001

SENSER;RAIL PRESS

desc: . SENSER;RAIL

1шт.

102

65.52122-6001

VALVE;LIMIT PRESS

desc: . VANNE

1шт.

103

65.96501-0431

O-RING

desc: .. JOINT TORIQUE

1шт.

110

65.10610-0002

BRACKET;RAIL MOUNTING

desc: SUPPORT

1шт.

120

06.01913-3117

BOLT ASS'Y M8X30

desc: BOULON A 6 PANS

3шт.

130

65.90201-0093

BOLT;STUD

desc: BOULON A 6 PANS

3шт.

140

06.16731-2107

WASHER;SPRING A8

desc: RONDELLE ELASTIQUE

3шт.

160

65.97401-6036

CLIP;PIPE

desc: ATTACHE

4шт.

170

65.97401-5022

CLIP;PIPE

desc: . ATTACHE

1шт.

180

65.97401-5023

CLIP;PIPE

desc: . ATTACHE

1шт.

190

06.01913-2917

BOLT ASS'Y M6X30

desc: . BOULON A 6 PANS

1шт.

200

65.97480-0206A

HOLDER

desc: POSSESSEUR

1шт.

Выбрано товаров: 24