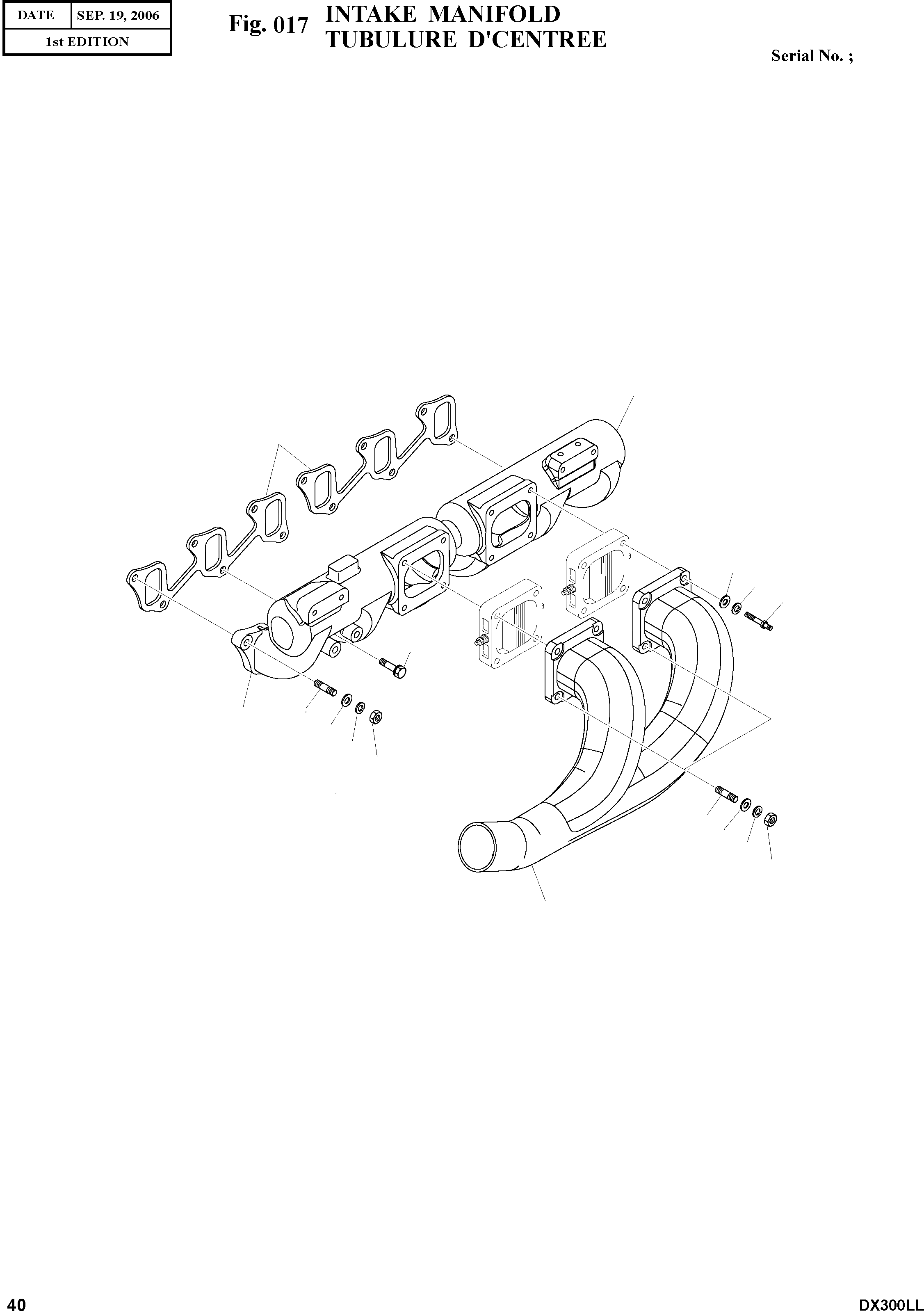
Запчасти Doosan Daewoo INTAKE MANIFOLD ENGINE PARTS

30
60
160
150
130
50
10
300
320
310
330
140
160
150
170
100
FIT
1:1
100%

Артикул

Название

Примечание

Количество

10

65.08201-0066

MANIFOLD;INTAKE

desc: COLLECTEUR

1шт.

30

65.08201-5069

MANIFOLD;INTAKE

desc: COLLECTEUR

1шт.

50

06.01923-3219

BOLT ASS'Y M10X40

desc: BOULON A 6 PANS

8шт.

60

65.08902-0027

GASKET;INTAKE MANIFOLD

desc: JOINT

2шт.

100

65.08202-0174A

STAKE;INTAKE

desc: PIEU

1шт.

130

65.90201-0126

BOLT;STUD

desc: BOULON A 6 PANS

1шт.

140

06.06225-0713

BOLT;STUD

desc: BOULON A 6 PANS

7шт.

150

06.16731-2107

WASHER;SPRING A8

desc: RONDELLE ELASTIQUE

8шт.

160

06.15010-2311

WASHER 8.4

desc: RONDELLE

8шт.

170

06.11063-8214

NUT;HEX. M8

desc: ECROU

7шт.

300

06.06225-0810

BOLT;STUD M10X40

desc: BOULON A 6 PANS

4шт.

310

06.16731-2108

WASHER;SPRING A10

desc: RONDELLE ELASTIQUE

4шт.

320

06.15010-2312

WASHER;PLAIN 10.5

desc: RONDELLE PLATE

4шт.

330

06.11063-8215

NUT;HEX. M10

desc: ECROU

4шт.

Выбрано товаров: 14