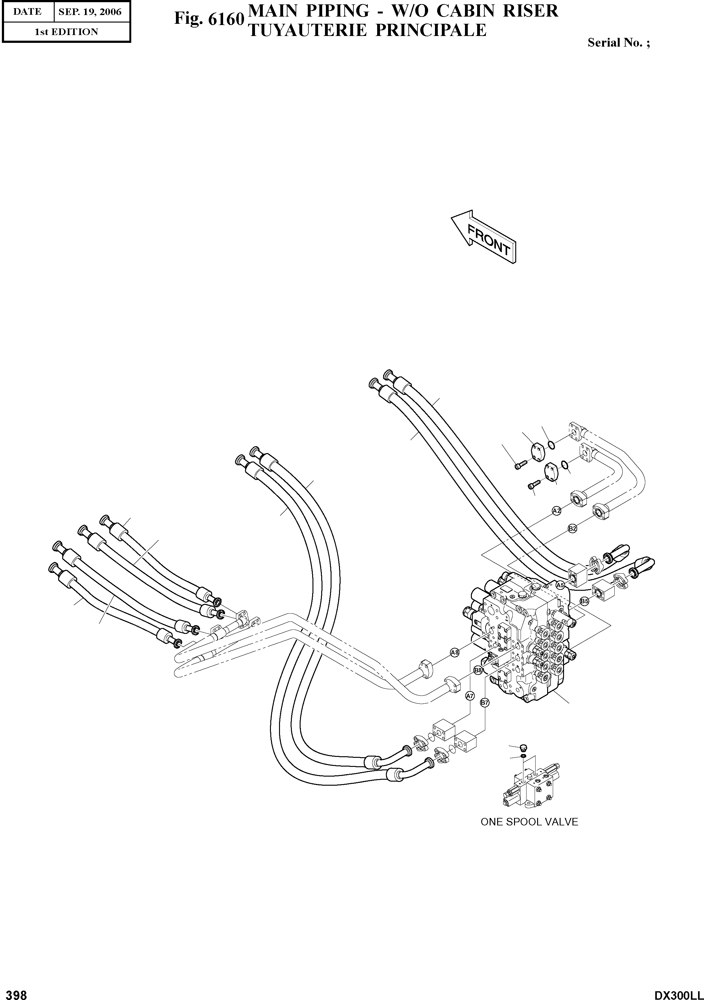
Запчасти Doosan Daewoo MAIN PIPING - W/O CABIN RISER OPTION PARTS

2
13
12
10
1
3
13
12
10
5
4
6
8
7
14
11
9
FIT
1:1
100%

Артикул

Название

Примечание

Количество

-

K1010561

MAIN PIPING

SC: D

-2шт.

1

DS2040462

HOSE

desc: TUYAU FLEXIBLE

1шт.

2

DS2040458

HOSE

desc: TUYAU FLEXIBLE

1шт.

3

DS2040458

HOSE

desc: TUYAU FLEXIBLE

1шт.

4

DS2040462

HOSE

desc: TUYAU FLEXIBLE

1шт.

5

DS2038181

HOSE

desc: TUYAU FLEXIBLE

1шт.

6

DS2038181

HOSE

desc: TUYAU FLEXIBLE

1шт.

7

DS2038181

HOSE

desc: TUYAU FLEXIBLE

1шт.

8

DS2038181

HOSE

desc: TUYAU FLEXIBLE

1шт.

9

S8000141

O-RING

desc: JOINT TORIQUE

2шт.

10

S2212366

BOLT;SOCKET M10X1.5X35

desc: BOULON A 6 PANS CREUX

8шт.

11

2181-1950D2

PLUG

desc: BOUCHON

2шт.

12

2181-2157D5

FLANGE

desc: BRIDE

2шт.

13

2180-1026D19

O-RING

desc: JOINT TORIQUE

2шт.

14

K1015507

VALVE;CONTROL

desc: VANNE

1шт.

Выбрано товаров: 0