Качественные детали и логистика
Оригинальные и аналоговые запчасти с доставкой по России, Казахстану и Беларуси
©2022 PartSell ООО "Система" ИНН 2463123282 ОГРН 1212400004838
Центральный офис: г. Красноярск, Академика Киренского, д.87, пом.4
Телефон: 8 (800) 777-65-74 Email: zakaz@partsell.ru
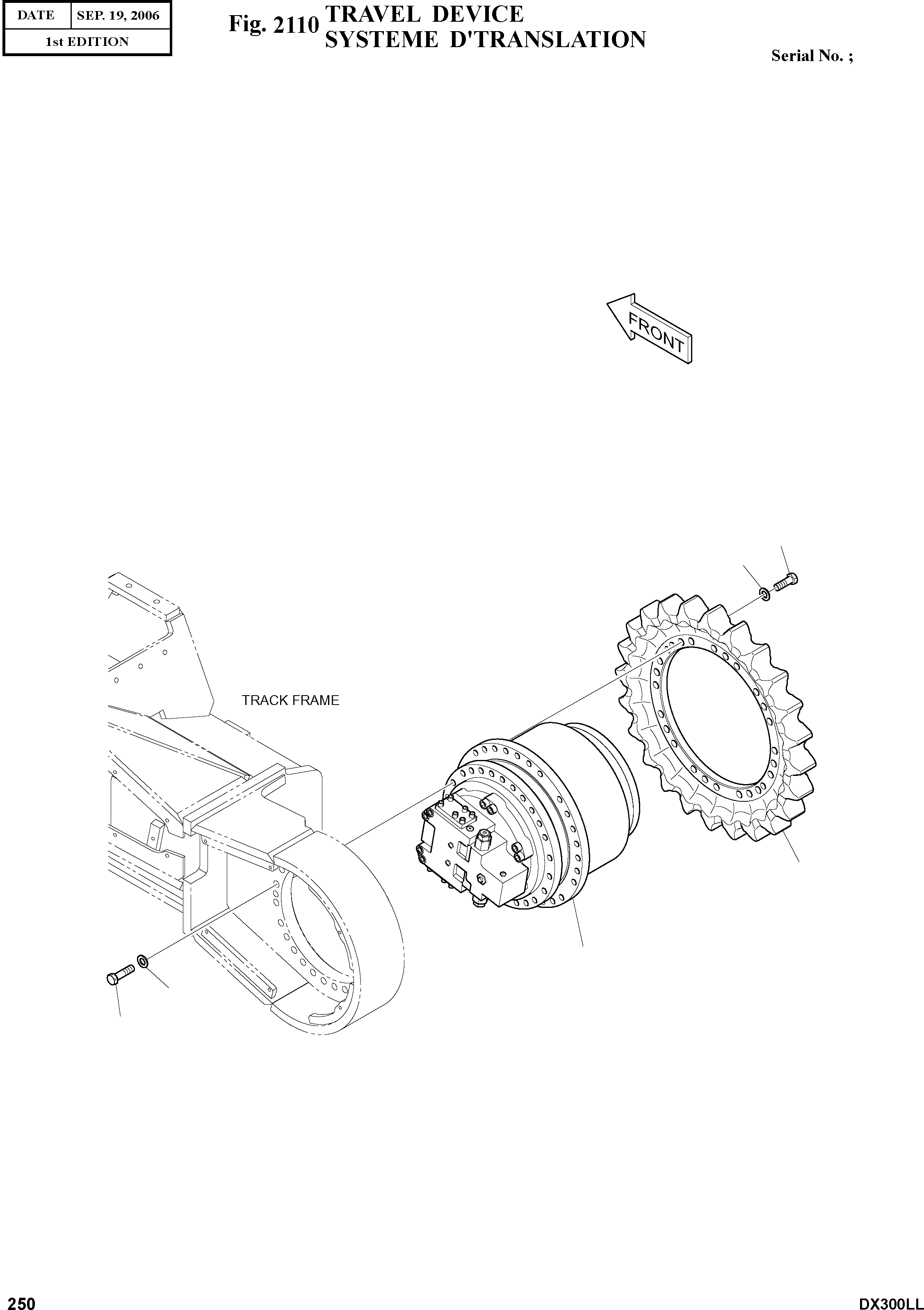
TRAVEL DEVICE
№
Артикул
Название
Примечание
Количество
-
K1008521C
TRACK ASS'Y
SC: D
-2шт.
4
K1012069
desc: DISPOSITIF DE VOYAGE
2шт.
6
K1012064
SPROCKET
desc: COURONNE DENTEE
29
S0570066
BOLT
desc: BOULON A 6 PANS
48шт.
30
S0570366
52шт.
20
2114-9012A
WASHER;HARD
desc: RONDELLE
51
Выбрано товаров: 0