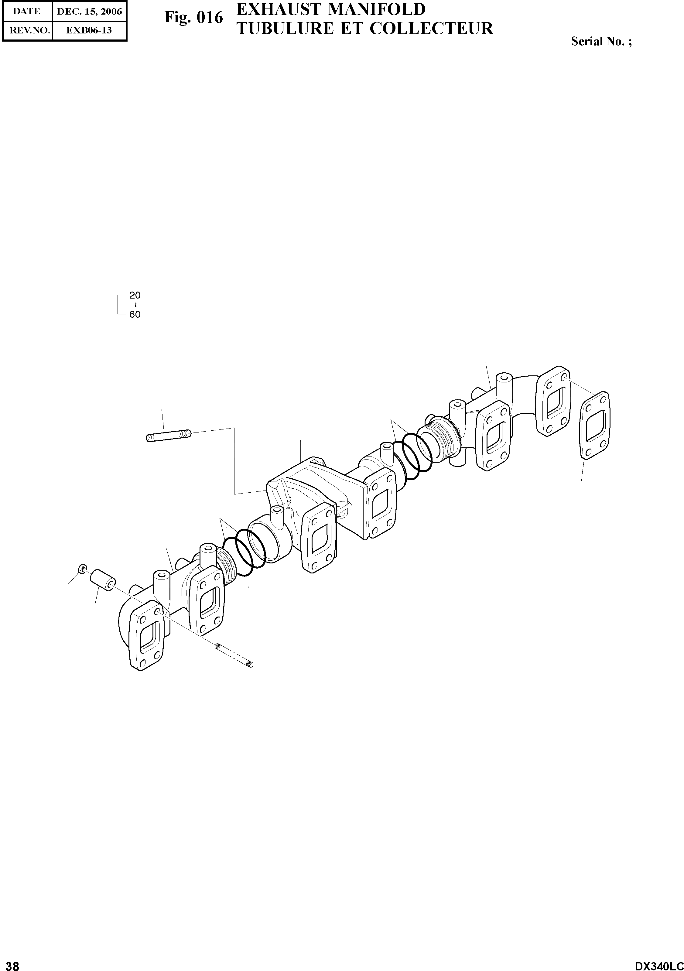
Запчасти Doosan Daewoo EXHAUST MANIFOLD ENGINE PARTS

10
40
60
20
80
60
30
90
70
100
FIT
1:1
100%

Артикул

Название

Примечание

Количество

10

65.08100-6076

EXHAUST MANIFOLD ASS'Y

SERIAL: 061206

1шт.

10

65.08100-6076A

EXHAUST MANIFOLD ASS'Y

SERIAL: 061207

1шт.

20

65.08101-0244

MANIFOLD;EXHAUST

desc: . COLLECTEUR

1шт.

30

65.08101-0245

MANIFOLD;EXHAUST

desc: . COLLECTEUR

1шт.

40

65.08101-0246

MANIFOLD;EXHAUST

desc: . COLLECTEUR

1шт.

60

65.96507-0013

RING;SEAL

SERIAL: 061206

6шт.

60

65.96507-0059

AVSEAL

SERIAL: 061207

6шт.

70

65.91701-0241

SPACER

desc: BAGUE D'ECARTEMENT

24шт.

80

65.08901-0032A

GASKET;EXHAUST MANIFOLD

desc: JOINT

6шт.

90

65.90535-0001

FLANGE

desc: ECROU 6 PANS

24шт.

100

65.90201-0076

BOLT;STUD M10X1.25X30

SERIAL: 061025

4шт.

100

65.90201-0073

BOLT;STUD M10X1.25X25

SERIAL: 061026

4шт.

Выбрано товаров: 12