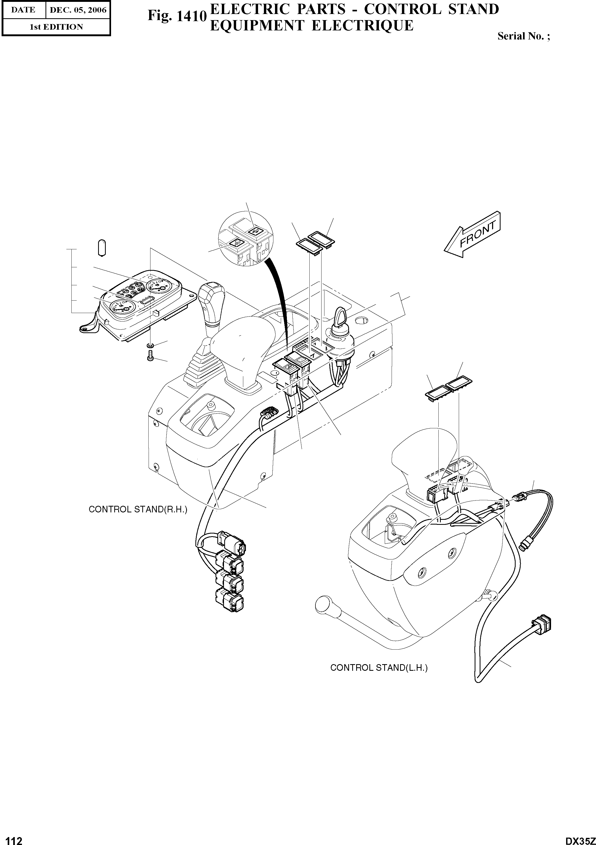
Запчасти Doosan Daewoo ELECTRIC PARTS - CONTROL STAND BODY PARTS

1D
1B
10
11
11
1C
1
8
1A
4
3
11
2
11
9
7
12
6
5
4A
FIT
1:1
100%

Артикул

Название

Примечание

Количество

-

K1023340

ELECTRIC PARTS-STAND

SC: D

-2шт.

1

K1014175

PANEL;GAUGE

desc: PANNEAU

1шт.

1A

K1014201

GAUGE;TEMP

desc: . MESURE

1шт.

1B

K1014202

GAUGE;;FUEL

desc: . MESURE

1шт.

1C

2528-9040

METER;HOUR

desc: . TOTALISATEUR HORAIRE

1шт.

1D

515-00001A

BULB

desc: . AMPOULE

9шт.

2

S3450973

SCREW

desc: VIS

4шт.

3

S5010313

WASHER

desc: RONDELLE

4шт.

4

K1001858A

SWITCH;STARTER

desc: COMMUTATEUR

1шт.

4A

K1009605B

KEY;STARTER

desc: . CLEF

2шт.

5

K1013762

HARNESS;CONTROL STAND(L.H)

desc: HARNAIS

1шт.

6

K1013763

HARNESS;CONTROL STAND(R.H)

desc: HARNAIS

1шт.

7

549-00040

SWITCH;ROCKER

desc: COMMUTATEUR

1шт.

8

2190-2036D5

INSERT;WORKING LAMP

desc: INSERTION

1шт.

9

2549-9115

SWITCH;ROCKER(12V)

desc: COMMUTATEUR

1шт.

10

2190-2036D13

INSERT;AUTO SPEED

desc: INSERTION

1шт.

11

2621-9002

COVER

desc: COUVERCLE

4шт.

12

K1014544

SWITCH;PILOT CUTOFF

desc: COMMUTATEUR

1шт.

Выбрано товаров: 18