Запчасти Doosan Daewoo INTAKE MANIFOLD ENGINE PARTS

2
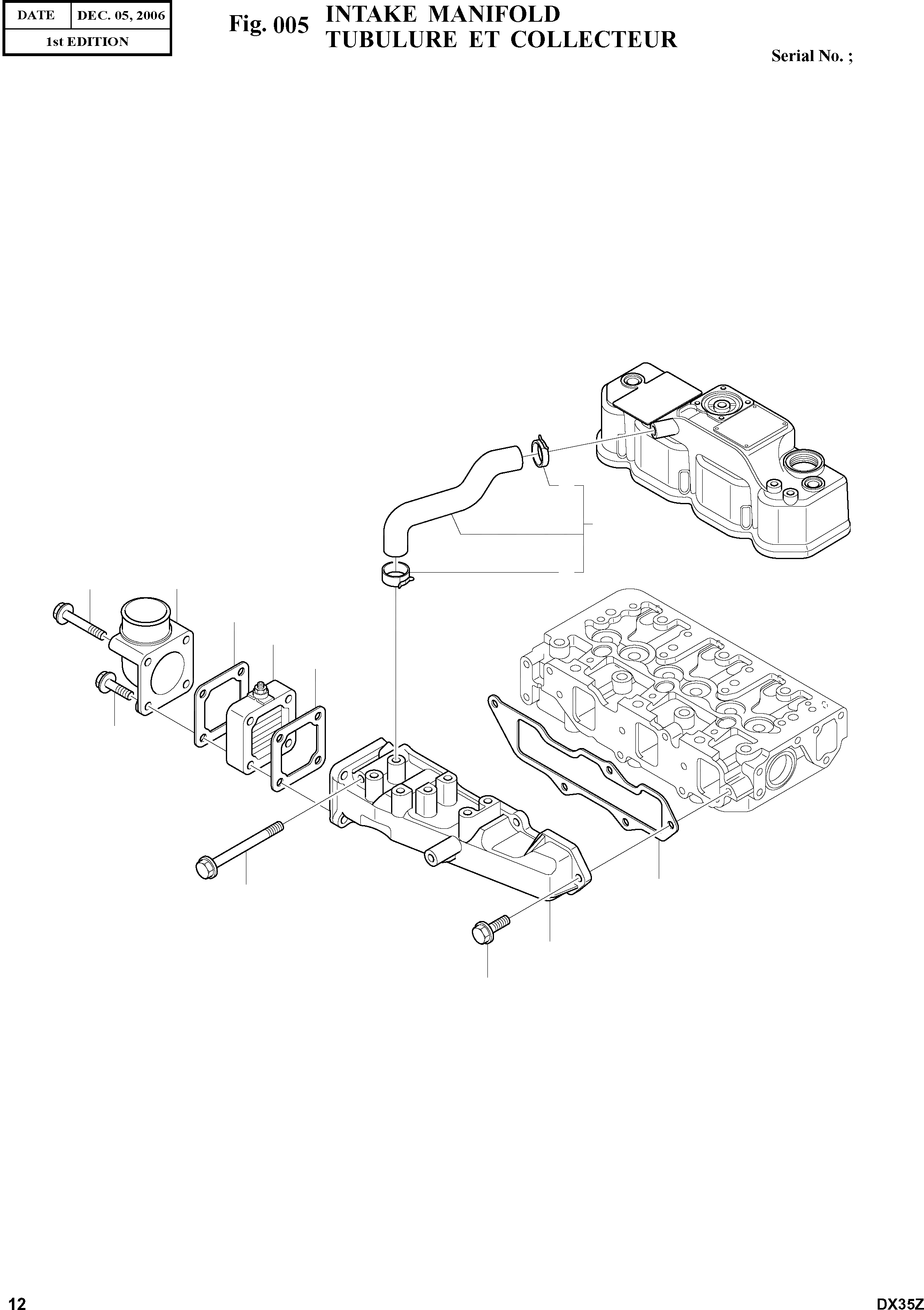
1
2
12
8
10
9
11
13
5
7
3
6
FIT
1:1
100%

Артикул

Название

Примечание

Количество

1

K9004693

PIPE;BREATHER

desc: TUYAU

1шт.

2

K9004776

CLAMP

desc: . BRIDE

2шт.

3

K9004702

MAINFOLD;INTAKE

desc: MAINFOLD

1шт.

5

K9004688

GASKET;INT.MANIFOLD

desc: JOINT

1шт.

6

2.120-00137

BOLT M8X20

desc: BOULON

4шт.

7

2.120-00146

BOLT M8X80

desc: BOULON

1шт.

8

2.120-00146

BOLT M8X80

desc: BOULON

2шт.

9

K9004731

HEATER;AIR

desc: RECHAUFFEUR

1шт.

10

K9004732

GASKET;AIR HEATER

desc: JOINT

1шт.

11

K9004753

GASKET

desc: JOINT

1шт.

12

K9004836

BEND

desc: COURBURE

1шт.

13

2.120-00139

BOLT M8X40

desc: BOULON

2шт.

Выбрано товаров: 12