Запчасти Doosan Daewoo ENGINE MOUNTING ENGINE PARTS

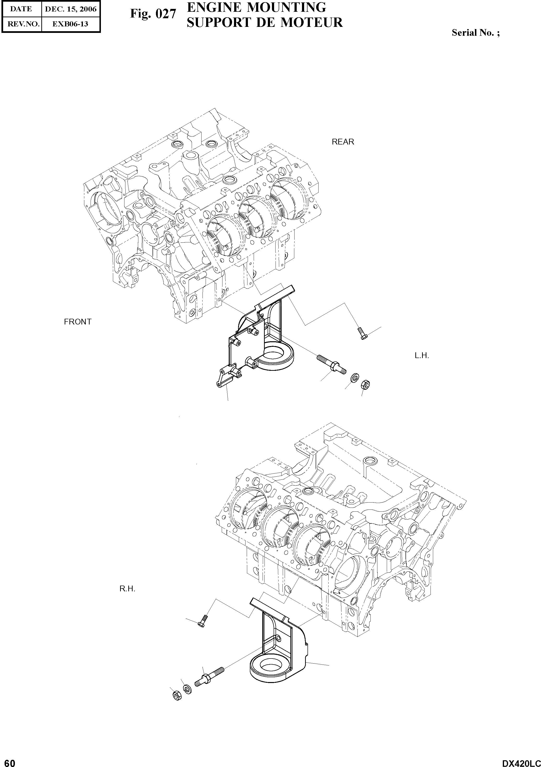
2
5
4
1
3
11
12
13
14
10
FIT
1:1
100%

Артикул

Название

Примечание

Количество

1

65.41530-0183

BRACKET;FRONT MOUNTING

desc: SUPPORT

1шт.

2

06.01914-3320

BOLT ASS'Y M12X45

desc: BOULON A 6 PANS

2шт.

3

06.01284-7420

BOLT;HEX

SERIAL: 060309

2шт.

3

06.06116-8411

BOLT;STUD

SERIAL: 060310

2шт.

4

06.16731-2110

WASHER;SPRING

desc: RONDELLE ELASTIQUE

2шт.

5

06.11064-9217

NUT;HEX

SERIAL: 060310

2шт.

10

65.41530-0184

BRACKET;FRONT MOUNTING

desc: SUPPORT

1шт.

11

06.01914-3320

BOLT ASS'Y M12X45

desc: BOULON A 6 PANS

2шт.

12

06.01284-7420

BOLT;HEX

SERIAL: 060309

2шт.

12

06.06116-8411

BOLT;STUD

SERIAL: 060310

2шт.

13

06.16731-2110

WASHER;SPRING

desc: RONDELLE ELASTIQUE

2шт.

14

06.11064-9217

NUT;HEX

SERIAL: 060310

2шт.

Выбрано товаров: 0