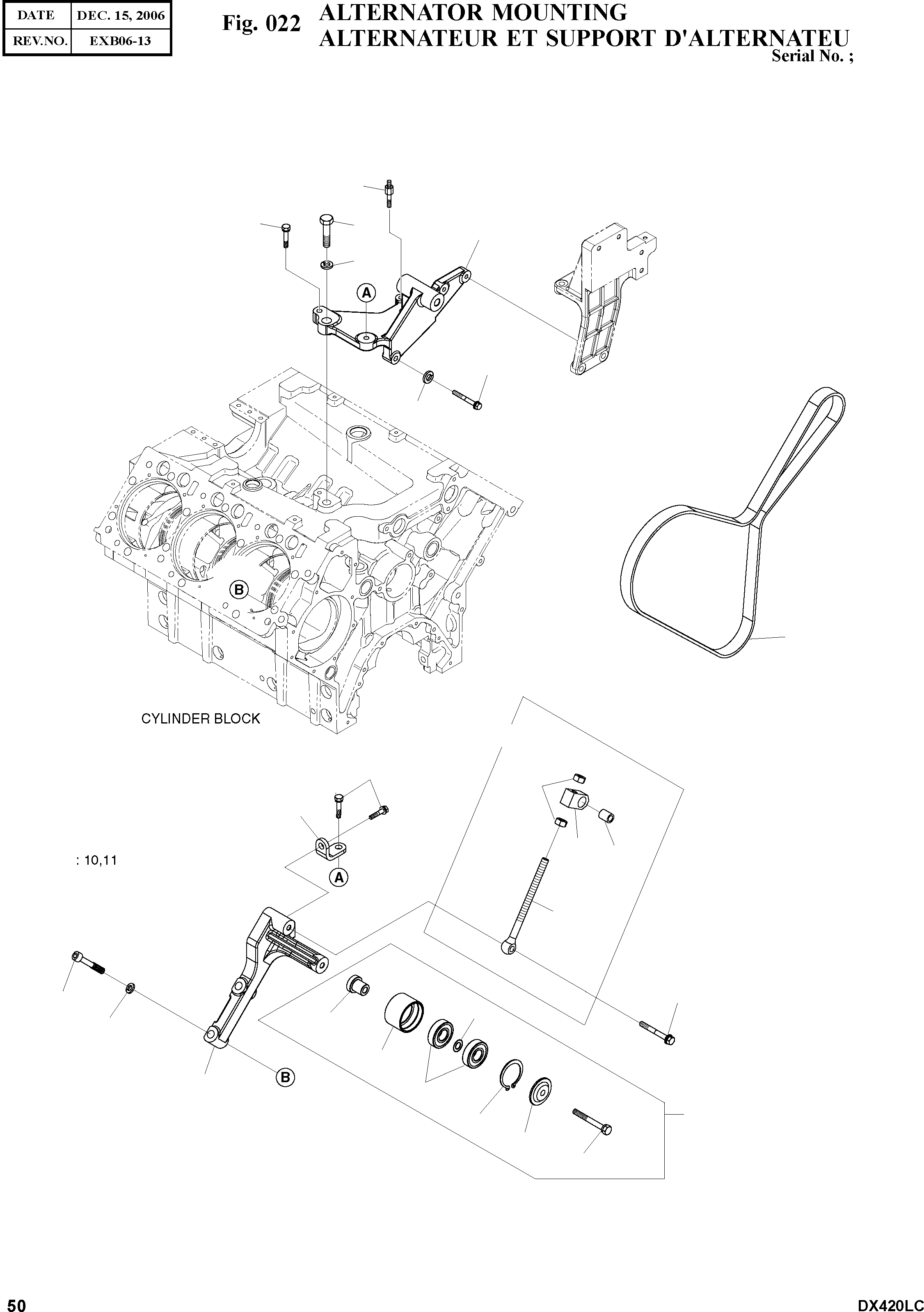
Запчасти Doosan Daewoo ALTERNATOR MOUNTING ENGINE PARTS

5
4
2
1
3
6
7
40
30
22
34
21
32
33
9
31
35
19
14
12
20
15
10
13
16
17
18
11
FIT
1:1
100%

Артикул

Название

Примечание

Количество

1

65.19102-0094

BRACKET;ALTERNATOR MOUNTING

desc: SUPPORT D'ALTERNATEUR

1шт.

2

06.01014-9718

BOLT;HEX

desc: BOULON A 6 PANS

1шт.

3

06.16731-2113

WASHER;SPRING A20

desc: RONDELLE ELASTIQUE

1шт.

4

06.01913-3220

BOLT ASS'Y M10X45

desc: BOULON A 6 PANS

1шт.

5

65.90201-0131

BOLT;STUD

desc: GOUJON

1шт.

6

06.01913-3219

BOLT ASS'Y M10X40

desc: BOULON A 6 PANS

1шт.

7

06.16731-2108

WASHER;SPRING A10

desc: RONDELLE ELASTIQUE

1шт.

9

65.95800-6044

IDLE PULLEY ASS'Y

SERIAL: 060309

1шт.

9

65.95800-6044A

IDLE PULLEY ASS'Y

SERIAL: 060310

1шт.

10

65.95840-0042

BRACKET;IDLE PULLEY

desc: . SUPPORT

1шт.

11

65.95800-6048

IDLE PULLEY ASS'Y

SERIAL: 060310

1шт.

12

65.91701-0243

SPACER

desc: .. BAGUE D'ECARTEMENT

1шт.

13

06.31440-4713

BEARING;BALL

desc: .. PALIER

2шт.

14

65.90710-0046

WASHER;END COVER

desc: .. RONDELLE

1шт.

15

65.95820-0034

PULLEY;IDLE

desc: .. POULIE

1шт.

16

06.29020-0136

RING;SNAP 62X2

desc: .. BAGUE

1шт.

17

65.91701-0182

SPACER

desc: .. BAGUE D'ECARTEMENT

1шт.

18

06.01943-3326

BOLT ASS'Y M12X1..5X75

desc: .. BOULON A 6 PANS

1шт.

19

06.02091-0822

BOLT;SOCKET HD M16X65

desc: BOULON A 6 PANS

2шт.

20

06.16110-0110

WASHER;SPRING A16

desc: RONDELLE

2шт.

21

65.95840-0092

BRACKET;IDLE PULLEY

desc: SUPPORT

1шт.

22

06.01943-3317

BOLT ASS'Y M12X1.5X30

desc: BOULON A 6 PANS

2шт.

30

65.19103-6010

EYE BOLT ASS'Y

SERIAL: 060907

1шт.

30

65.19103-6010A

EYE BOLT ASS'Y

SERIAL: 060908

1шт.

31

65.90441-0009A

EYE BOLT

desc: . BOULON 6 PANS

1шт.

32

65.19107-0001

PIECE;GUIDE

SERIAL: 060907

1шт.

32

65.19107-0001A

PIECE;GUIDE

SERIAL: 060908

1шт.

33

65.93020-0055

BUSH

desc: . COUSSINET

1шт.

34

06.11063-9217

NUT;HEX

desc: . ECROU 6 PANS

3шт.

35

06.01943-3319

BOLT ASS'Y M12X1.5X40

desc: BOULON 6 PANS

1шт.

40

65.96801-0178

BELT

SERIAL: 051115

1шт.

40

65.96801-0201

BELT

SERIAL: 051116

1шт.

Выбрано товаров: 32