Качественные детали и логистика
Оригинальные и аналоговые запчасти с доставкой по России, Казахстану и Беларуси
©2022 PartSell ООО "Система" ИНН 2463123282 ОГРН 1212400004838
Центральный офис: г. Красноярск, Академика Киренского, д.87, пом.4
Телефон: 8 (800) 777-65-74 Email: zakaz@partsell.ru
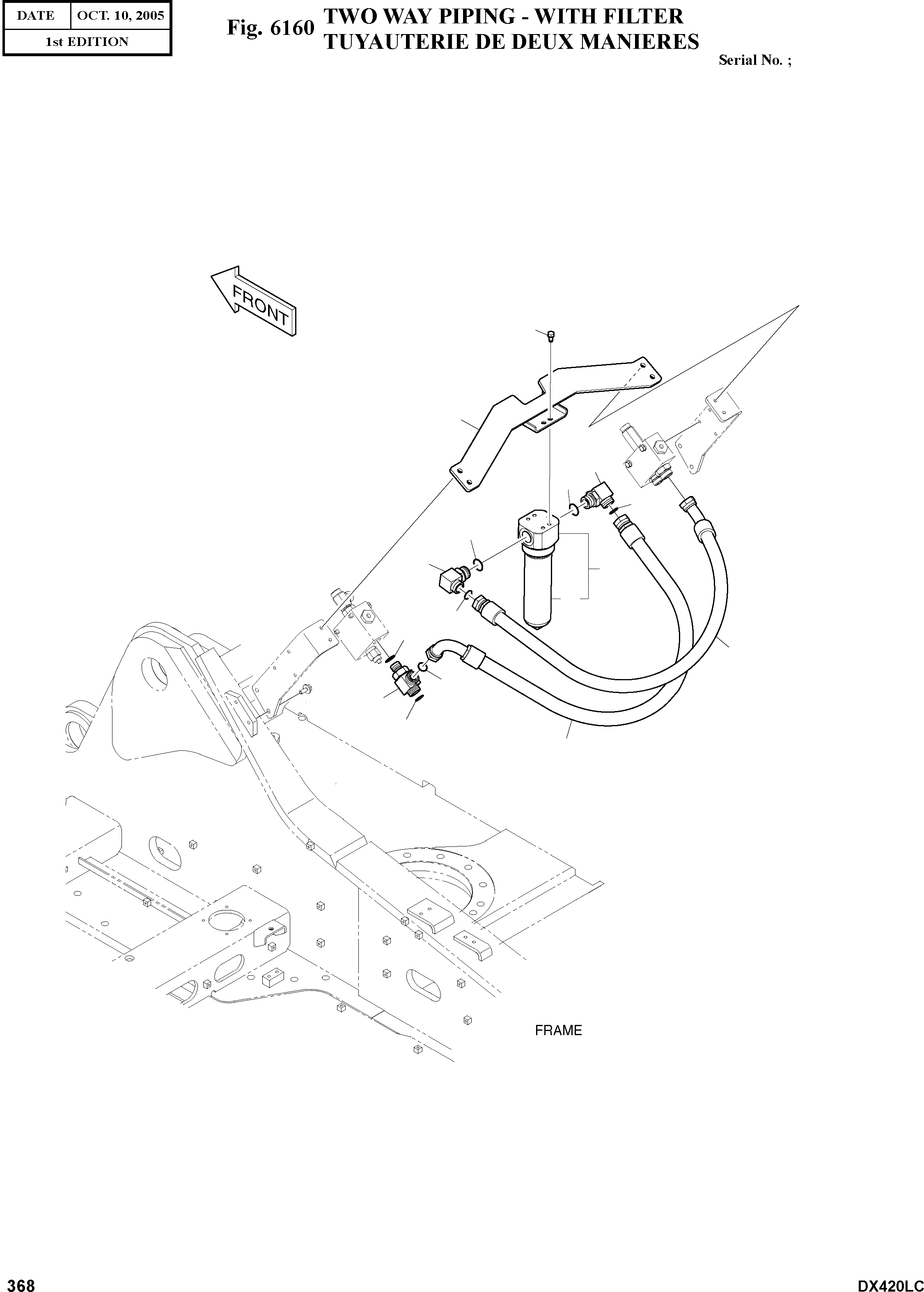
TWO WAY PIPING - WITH FILTER
№
Артикул
Название
Примечание
Количество
-
K1003195A
TWO WAY PIPING-WITH FILTER
SC: D
-2шт.
1
471-00109
FILTER;BREAKER
desc: FILTRE
1шт.
1A
474-00041
ELEMENT;BREAKER FILTER
desc: . ELEMENT
2
K1003601A
BRACKET
desc: SUPPORT
3
DS2412017
TEE
desc: TE
4
S8000381
O-RING
desc: JOINT TORIQUE
2шт.
5
2180-1026D37
4шт.
6
DS2012175
HOSE
desc: TUYAU FLEXIBLE
7
DS2013538
8
DS0025021
BOLT;SET
desc: BOULON A 6 PANS
9
DS2304083
ELBOW
desc: COUDE
10
S8000291
Выбрано товаров: 0