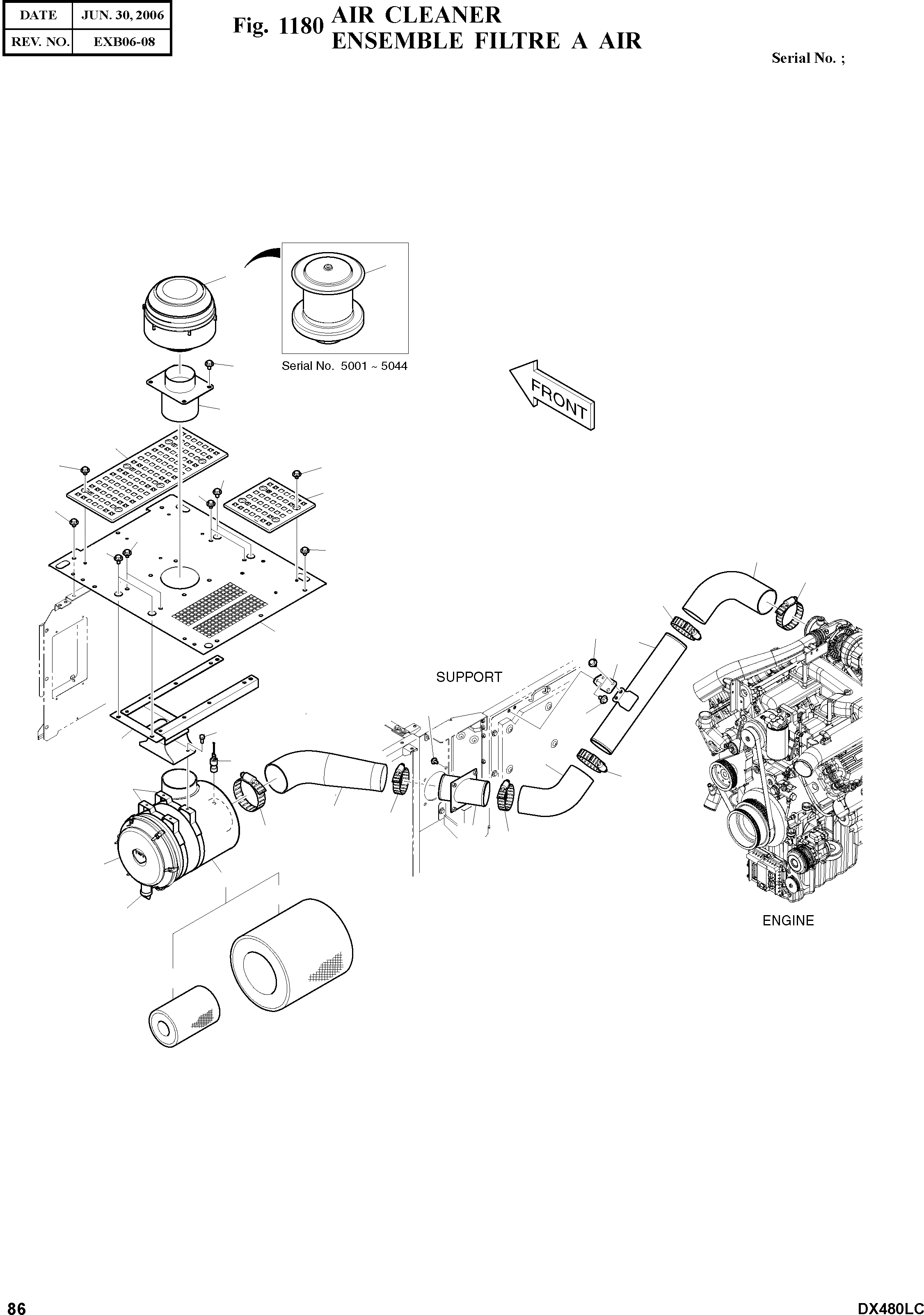
Запчасти Doosan Daewoo AIR CLEANER BODY PARTS

15
19
12
16
20
20
19
20
17
20
20
20
19
4
10
10
1C
19
14
6
8
19
19
18
13
11
3
10
7
2
10
5
9
10
1
1D
1B
1A
15
FIT
1:1
100%

Артикул

Название

Примечание

Количество

-

K1000528B

AIR CLEANER ASS'Y

SERIAL: 5001-5017

-2шт.

-

K1000528C

AIR CLEANER ASS'Y

SERIAL: 5018

-2шт.

1

204-00066

AIR CLEANER

desc: ENSEMBLE FILTRE A AIR

1шт.

1A

474-00037

ELEMENT;INNER

desc: . ELEMENT

1шт.

1B

474-00038

ELEMENT;OUTER

desc: . ELEMENT

1шт.

1C

204-00069

COVER

desc: . COUVERCLE

1шт.

1D

204-00070

VALVE

desc: . VANNE

1шт.

2

K1000529

HOSE;AIR

desc: TUYAU FLEXIBLE

1шт.

3

K1000530

HOSE;AIR

desc: TUYAU FLEXIBLE

1шт.

4

K1000531

HOSE;AIR

desc: TUYAU FLEXIBLE

1шт.

5

K1000532A

PIPE;AIR

desc: CONDUITE

1шт.

6

K1000533

PIPE;AIR

desc: CONDUITE

1шт.

7

124-00297A

BAND

desc: ATTACHE DE TUYAU

2шт.

8

K1000655

BRACKET;AIR PIPE

desc: SUPPORT

1шт.

9

S8510168

CLAMP;HOSE

desc: COLLIER

1шт.

10

S8510143

CLAMP;HOSE

desc: COLLIER

5шт.

11

170-00004

INDICATOR

desc: INDICATEUR

1шт.

12

K1000642

PIPE;AIR

desc: CONDUITE

1шт.

13

K1000640

SUPPORT

desc: SUPPORT

1шт.

14

K1000656A

COVER;ROOF

desc: TRAPPE DE TOIT

1шт.

15

204-00026

PRE CLEANER

SERIAL: 5001-5044

1шт.

15

K1002329

PRE CLEANER

SERIAL: 5045

1шт.

16

K1002159

PLATE;ANTI-SKID

desc: PLAQUE

1шт.

17

K1002478

PLATE;ANTI-SKID

desc: PLAQUE

1шт.

18

DS0025024

BOLT;SET

desc: BOULON A 6 PANS

4шт.

19

DS0025015

BOLT;SET

desc: BOULON A 6 PANS

16шт.

20

DS0025022

BOLT;SET

desc: BOULON A 6 PANS

21шт.

Выбрано товаров: 27