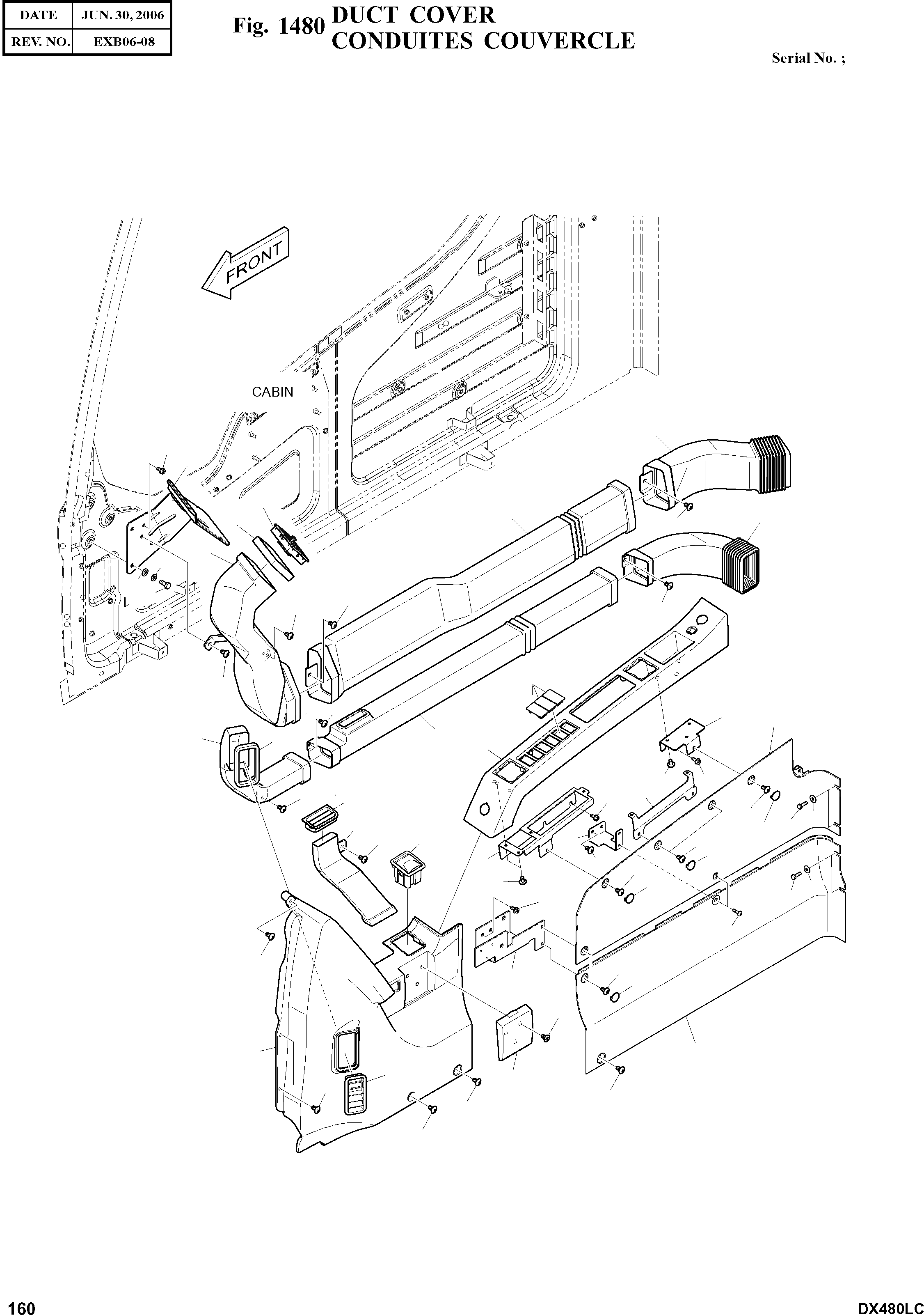
Запчасти Doosan Daewoo DUCT COVER BODY PARTS

23
23
17
23
1
24
10
23
31
32
33
13
21
23
23
20
23
11
4
27
16
23
7
23
5
14
25
37
18
6
26
23
3
28
23
38
28
23
23
30
37
34
24
15
23
37
23
28
23
28
35
36
36
35
2
12
9
23
8
37
22
19
FIT
1:1
100%

Артикул

Название

Примечание

Количество

-

621-02902G

SIDE COVER ASS'Y

SC: D

-2шт.

1

621-02903C

COVER;SIDE FRONT

desc: COUVERCLE

1шт.

2

621-02905C

COVER;SIDE UPPER

desc: COUVERCLE

1шт.

3

621-02904C

COVER;SIDE LOWER

desc: COUVERCLE

1шт.

4

621-02909C

COVER;SWITCH

SERIAL: 5001-5030

1шт.

4

621-02909E

COVER;SWITCH

SERIAL: 5031

1шт.

5

906-00002A

ASHTRAY

desc: CENDRIER

1шт.

6

621-02908B

CUP HOLDER

desc: POSSESSEUR

1шт.

7

213-00035B

DUCT;DEFROSTER SIDE

desc: COUVERCLE

1шт.

8

213-00030B

DUCT;FACE MID

desc: COUVERCLE

1шт.

9

213-00031E

DUCT;FACE REAR

desc: COUVERCLE

1шт.

10

213-00032B

DUCT;DEFROSTER FRONT

desc: COUVERCLE

1шт.

11

213-00033B

DUCT;DEFROSTER MID

desc: COUVERCLE

1шт.

12

213-00034E

DUCT;DEFROSTER REAR

desc: COUVERCLE

1шт.

13

213-00029C

DUCT;FACE FRONT

desc: COUVERCLE

1шт.

14

195-02768C

BRACKET;SWITCH COVER FRONT

desc: SUPPORT

1шт.

15

195-02769B

BRACKET;SWITCH COVER REAR

SERIAL: 5001-5030

1шт.

15

195-02769C

BRACKET;SWITCH COVER REAR

SERIAL: 5031

1шт.

16

415-00046B

LOUVER;SIDE

desc: COUVERCLE

1шт.

17

415-00045B

LOUVER;FRONT

desc: COUVERCLE

1шт.

18

195-02770C

BRACKET;CUP HOLDER

desc: SUPPORT

1шт.

19

415-00044B

LOUVER;FACE

desc: COUVERCLE

1шт.

20

K1001068

FOAM

desc: EPONGE

1шт.

21

K1001069A

FOAM

desc: EPONGE

1шт.

22

195-02858C

BRACKET;MONITOR

desc: SUPPORT

1шт.

23

2120-2166D52

BOLT

desc: BOULON A 6 PANS

22шт.

24

2120-2166D53

BOLT

desc: VIS

4шт.

25

S3654523

SCREW

desc: VIS

4шт.

26

2120-2166D23

SCREW

desc: VIS

3шт.

27

621-02801

COVER;SWITCH

desc: COUVERCLE

3шт.

28

621-03734A

COVER

desc: COUVERCLE

6шт.

30

K1005007A

PLATE

desc: PLAQUE

1шт.

31

2114-1898D14

WASHER

desc: RONDELLE PAQUE

3шт.

32

2120-2166D5

BOLT

desc: BOULON A 6 PANS

3шт.

33

2114-2031D4

WASHER;SPRING

desc: RONDELLE ELASTIQUE

3шт.

34

K1009627

PLATE

desc: PLAQUE

1шт.

35

2120-2166D36

BOLT

desc: BOULON A 6 PANS

4шт.

36

2114-1898D5

WASHER

desc: RONDELE

4шт.

37

K1010304

BOLT;FLANGE

desc: BOULON A 6 PANS

8шт.

38

2120-2166D57

BOLT

desc: BOULON A 6 PANS

2шт.

Выбрано товаров: 40