Запчасти Doosan Daewoo INTAKE STAKE ENGINE PARTS

30
12
32
11
31
10
32
1
13
4
6
5
7
15
34
35
25
34
14
33
26
3
20
2
40
36
40
23
24
37
40
21
22
FIT
1:1
100%

Артикул

Название

Примечание

Количество

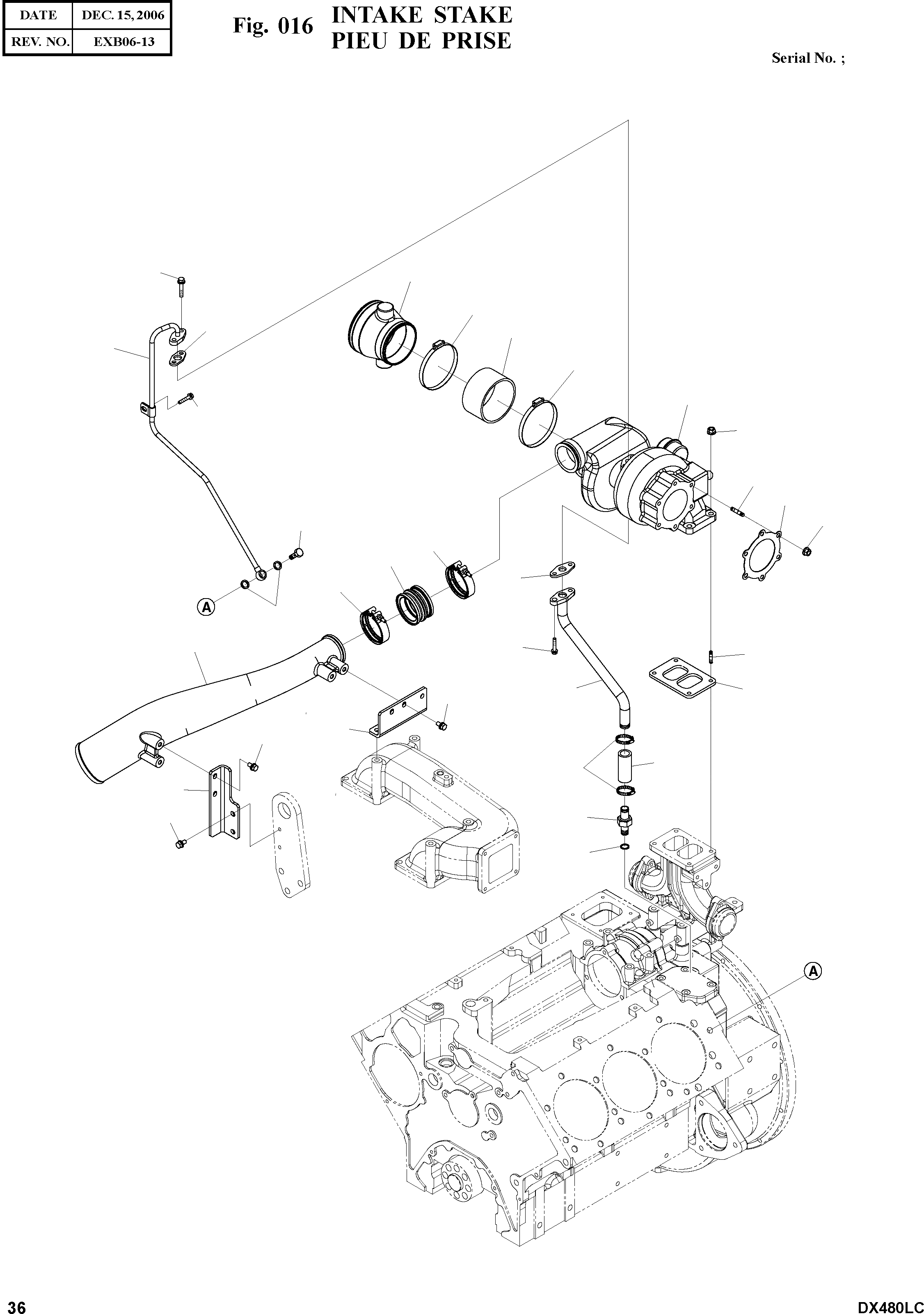
1

65.09100-7106

TURBO CHARGER ASS'Y

desc: TURBO CHARGER

1шт.

2

65.09901-0033

GASKET;TURBO CHARGER

desc: JOINT

1шт.

3

65.90201-0076

BOLT;STUD(M10X1.25X30)

desc: BOULON DE GOUJON

4шт.

4

65.90535-0001

NUT;HEX

desc: ECROU 6 PANS

4шт.

5

65.08901-0063

GASKET;EX. ELBOW

desc: JOINT

1шт.

6

65.90201-0076

BOLT;STUD(M10X1.25X30)

desc: BOULON DE GOUJON

6шт.

7

65.90535-0001

NUT;HEX

desc: ECROU 6 PANS

6шт.

10

65.05701-5556

PIPE;OIL

desc: TUYAU D'HUILE

1шт.

11

65.96601-0046A

GASKET(OIL PIPE ADPTR)

SERIAL: 060613

1шт.

11

65.96601-0046B

GASKET(OIL PIPE ADPTR)

SERIAL: 060614

1шт.

12

06.01923-3114

BOLT ASS'Y M8X22

desc: BOULON A 6 PANS

2шт.

13

06.01923-3110

BOLT ASS'Y M8X12

desc: BOULON A 6 PANS

1шт.

14

06.56190-0706

RING;SEAL A14X20

desc: BAGUE D'ETANCHEITE

2шт.

15

06.78144-2204

SCREW;HOLLOW

desc: VIS CREUSE

1шт.

20

65.05701-5557

PIPE;OIL

desc: TUYAU D'HUILE

1шт.

21

65.98131-0071

CONNECTION SCREW

desc: RACCORD ADAPTATEUR

1шт.

22

06.56190-0728

RING SEAL A26X32

desc: BAGUE D'ETANCHEITE

1шт.

23

65.96301-0382

HOSE;RUBBER

desc: TUYAU CAOUTCHOUC

1шт.

24

06.67020-0106

CLAMP;HOSE

desc: COLLIER

2шт.

25

65.96601-0045A

GASKET;T/C OIL RETURN

SERIAL: 060613

1шт.

25

65.96601-0067

GASKET;T/C OIL RETURN

SERIAL: 060614

1шт.

26

06.01913-3114

BOLT ASS'Y M8X22

desc: BOULON A 6 PANS

2шт.

30

65.09411-0156

INLET

desc: PRISE

1шт.

31

65.96301-0299

HOSE;RUBBER

desc: TUYAU CAOUTCHOUC

1шт.

32

06.67020-0116

CLAMP;HOSE

desc: TUYAU FLEXIBLE

2шт.

33

65.09411-5089

INLET

desc: PRISE

1шт.

34

65.97450-5003

CLAMP;V-TYPE

desc: COLLIER

2шт.

35

65.96301-0402A

HOSE;RUBBER

desc: TUYAU CAOUTCHOUC

1шт.

36

65.09440-0047

BRACKET

desc: SUPPORT

1шт.

37

65.09440-0048

BRACKET

desc: SUPPORT

1шт.

40

06.01923-3215

BOLT ASS'Y M10X25

desc: BOULON A 6 PANS

8шт.

Выбрано товаров: 31