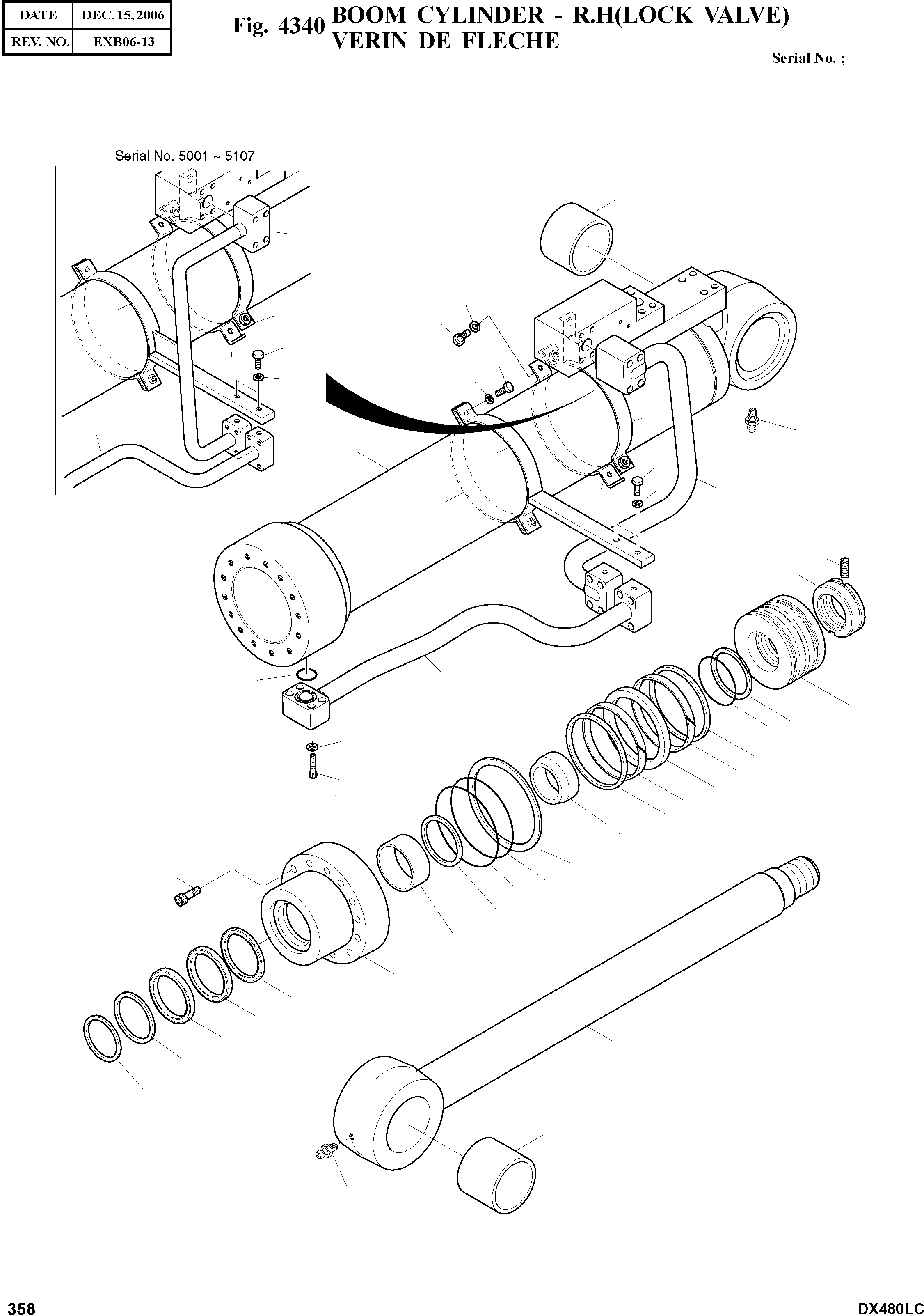
Запчасти Doosan Daewoo BOOM CYLINDER - R.H(LOCK VALVE) HYDRAULIC PARTS

2
34
32
26
33
30
40
29
31
28
39
30
35
41
1
26
40
39
34
31
27
24
23
36
35
17
22
21
37
20
19
38
18
19
20
16
14
25
13
15
7
6
5
8
9
10
3
11
12
4
41
FIT
1:1
100%

Артикул

Название

Примечание

Количество

-

K1002118

BOOM CYLINDER(R.H)

SERIAL: 5001-5088

1шт.

-

K1002118A

BOOM CYLINDER(R.H)

SERIAL: 5089-5107

1шт.

-

K1002118B

BOOM CYLINDER(R.H)

SERIAL: 5108

1шт.

1

K9001947

TUBE ASS'Y

desc: ENSEMBLE TUBE

1шт.

2

K1000744

BUSH

desc: COUSSINET

1шт.

3

K9001948

ROD ASS'Y

SERIAL: 5001-5088

1шт.

3

K9001948A

ROD ASS'Y

SERIAL: 5089

1шт.

4

K1000745

BUSH

desc: COUSSINET

1шт.

5

K9001949

ROD;COVER

desc: TIGE

1шт.

6

110-01002

DD-BUSH

desc: COUSSINET

1шт.

7

115-00090

RING;RETAINING

desc: BAGUE

1шт.

8

K9001950

SEAL;BUFFER

SC: K

1шт.

9

K9001951

U-PACKING

SC: K

1шт.

10

K9001952

RING;BACK UP

SC: K

1шт.

11

115-00098

WIPER;DUST

SC: K

1шт.

12

115-00091

RING;RETAINING

desc: RONDELLE DE RETENUE

1шт.

13

S8011601

O-RING

SC: K

1шт.

14

K9001953

RING;BACK UP

SC: K

1шт.

15

2180-1216D150

O-RING

SC: K

1шт.

16

K9001954

RING;CUSHION

desc: BAGUE D'AMORTISSEMENT

1шт.

17

409-00029

PISTON

desc: PISTON

1шт.

18

180-00325

SEAL;SLIPPER

SC: K

1шт.

19

115-00112

RING;WEAR

SC: K

2шт.

20

115-00110

RING;SLYD

SC: K

2шт.

21

S8010901

O-RING

SC: K

1шт.

22

K9001955

RING;BACK UP

SC: K

2шт.

23

K9001956

NUT

SERIAL: 5001-5088

1шт.

23

K9003705

NUT

SERIAL: 5089

1шт.

24

1.120-00219

SCREW;SET

desc: VIS

1шт.

25

S2228261

BOLT;SOCKET

desc: BOULON A 6 PANS CREUX

14шт.

26

124-00130

PIPE BAND ASS'Y(R.H)

desc: ATTACHE DE CONDUITE

1шт.

27

124-00127

BAND;PIPE

desc: ATTACHE

1шт.

28

S5100603

WASHER;SPRING

desc: RONDELLE ELASTIQUE

2шт.

29

S0558261

BOLT;HEX

desc: BOULON M10x1.5x35

2шт.

30

195-00311

PIPE BAND ASS'Y

desc: ENSEMBLE COLLIER DE TUYAU

1шт.

31

124-00127

PIPE BAND

desc: ATTACHE DE CONDUITE

1шт.

32

S5100703

WASHER;SPRING

desc: RONDELLE ELASTIQUE M12

2шт.

33

S0558266

BOLT

desc: BOULON A 6 PANS

2шт.

34

140-00165

PIPE ASS'Y-H

SERIAL: 5001-5107

1шт.

34

K9005042

PIPE ASS'Y-H

SERIAL: 5108

1шт.

35

1.140-00110

PIPE ASS'Y-R

desc: CONDUITE

1шт.

36

S8000341

O-RING

desc: JOINT TORIQUE

1шт.

37

S5100703

WASHER;SPRING

desc: RONDELLE ELASTIQUE M12

4шт.

38

S2215961

BOLT;SOCKET

desc: BOULON A 6 PANS CREUX

4шт.

39

S5100703

WASHER;SPRING

desc: RONDELLE ELASTIQUE M12

2шт.

40

S0515263

BOLT;HEX

desc: BOULON A 6 PANS

2шт.

41

S6710032

NIPPLE;GREASE

desc: GRAISSEUR

2шт.

*

K9002003

SEAL KIT;BOOM CYL

desc: KIT D'ETANCHEITE

1шт.

Выбрано товаров: 48