Запчасти Doosan Daewoo TRAVEL MOTOR - CONTROL HYDRAULIC PARTS

12-1
12-2
12-3
12-4
12-5
12-7
12-6
10-2
10-6
10-3
10-4
10-5
10-2
10-6
10-3
10-5
10-1
10-5
12-6
12-7
12-5
12-4
12-3
12-2
12-1
49-5
7
26
50
2
12
50
31
20
24
21
30
32
23
13
27
6
49
5
4
28
1
3
8
22
11
12
15
9
29
14
25
25
10
FIT
1:1
100%

Артикул

Название

Примечание

Количество

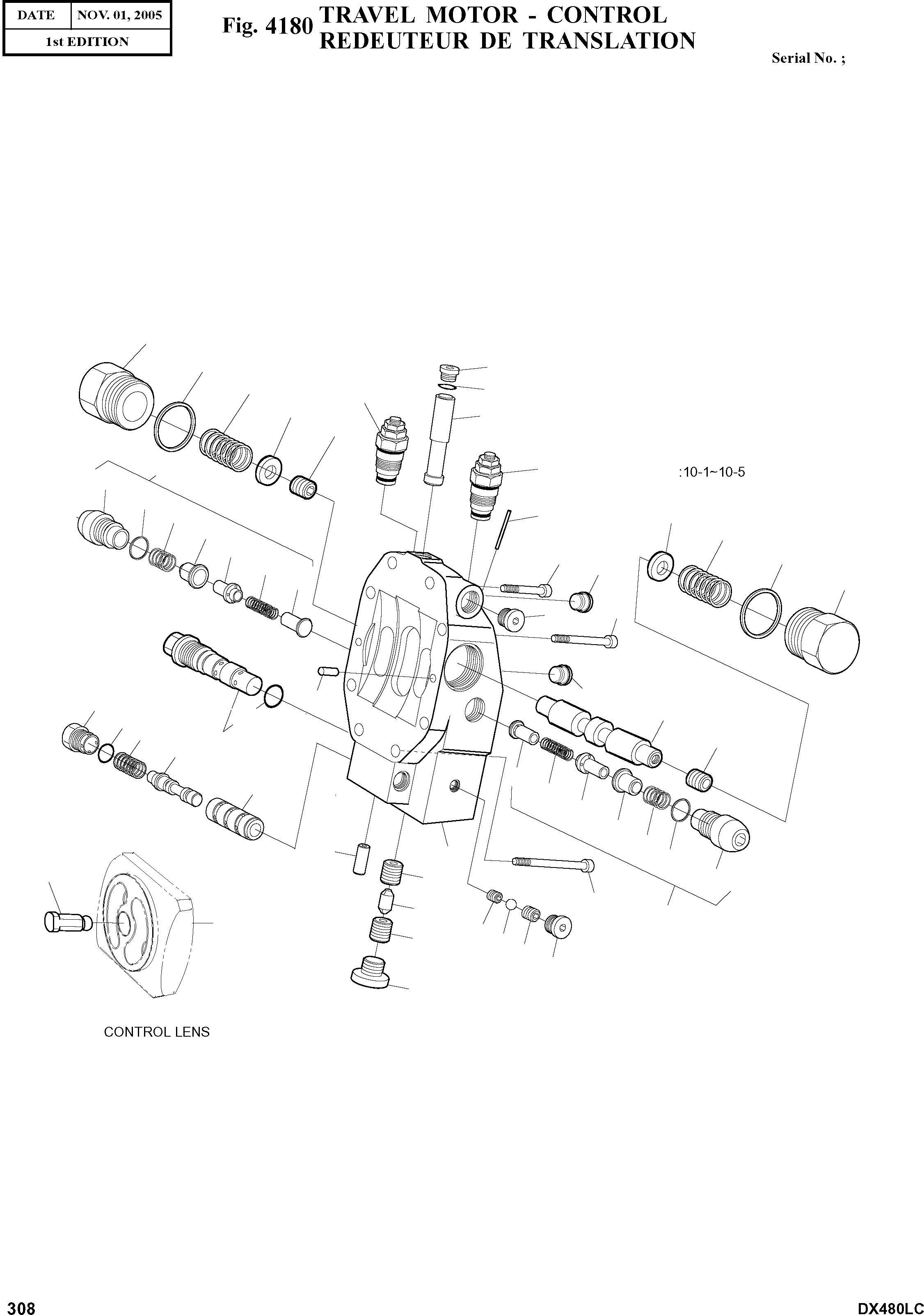
-

2.409-00243

CONTROL

desc: ENSEMBLE COMMANDE

1шт.

1

-

PLATE;PORT

SC: D

1шт.

2

-

PISTON;POSITIONING

SC: D

1шт.

3

2.428-00075

TRUNNION;POSITIONING

desc: ANNEAU DE SOUTIEN

1шт.

4

2.110-00016

BUSH;CONTROL

desc: DOUILLE

1шт.

5

2.452-00008

PISTON;CONTROL

desc: PISTON DE COMMANDE

1шт.

6

2.129-00017

SPRING;PRESSURE

desc: RESSORT DE COMPRESSION

1шт.

7

2.120-00819

SCREW;LOCKING

desc: VIS

1шт.

8

2.421-00379

SCREW;THROTTLE

desc: VIS

1шт.

9

2.421-00380

SCREW;THROTTLE

desc: VIS

1шт.

10

2.421-00364

VALVE;BRAKE

desc: VANNE

1шт.

10-1

2.409-00167

PISTON;BRAKE

desc: . PISTON

1шт.

10-2

-

SCREW;LOCKING

SC: D

2шт.

10-3

2.131-00432

SPRING;PRESSURE

desc: . RESSORT

2шт.

10-4

-

WASHER

SC: D

2шт.

10-5

2.120-00687

SCREW;THROTTLE

desc: . VIS

2шт.

10-6

2180-1216D62

O-RING 34.59X2.62

desc: . JOINT TORIQUE

2шт.

11

2.123-00299

PIN;THROTTLE

desc: GOUJON

1шт.

12

2.421-00361

VALVE

desc: VANNE

2шт.

12-1

-

POPPET;VALVE

SC: D

1шт.

12-2

2.131-00434

SPRING;PRESSURE

desc: . RESSORT

1шт.

12-3

-

SEAT;POPPET

SC: D

1шт.

12-4

-

POPPET;VALVE

SC: D

1шт.

12-5

2.131-00435

SPRING;PRESSURE

desc: . RESSORT

1шт.

12-6

-

SCREW;LOCKING

SC: D

1шт.

12-7

2180-1217D61

O-RING 32.99X2.62

desc: . JOINT TORIQUE

1шт.

13

2.120-00804

SCREW;LOCKING

desc: VIS

1шт.

14

2.120-00843

SCREW;VALVE

desc: RONDELLE ELASTIQUE

1шт.

15

2.110-00001

BUSH

desc: COUSSINET

1шт.

20

S2222461

BOLT;SOCKET M16X90

desc: BOULON A 6 PANS CREUX

2шт.

21

S2222461

BOLT;SOCKET M16X90

desc: BOULON A 6 PANS CREUX

2шт.

22

S2223071

BOLT;SOCKET M16X120

desc: BOULON A 6PANS

4шт.

23

2.123-00286

PIN;CYLINDER

desc: GOUPILLE CYLINDRIQUE

2шт.

24

2.120-00813

SCREW;LOCKING

desc: VIS

3шт.

25

-

SCREW;LOCKING

SC: D

2шт.

26

2.180-01200

O-RING

desc: JOINT TORIQUE

1шт.

27

2.180-01194

O-RING

desc: JOINT TORIQUE

1шт.

28

2.123-00288

PIN;DOUBLE BREAK-OFF

desc: BROCHE

5шт.

29

1.109-00141

BALL

SC: D

1шт.

30

-

SCREW;LOCKING

SC: D

1шт.

31

2.123-00300

PIN;DOUBLE BREAK-OFF

desc: BROCHE

2шт.

32

2.120-00817

SCREW;LOCKING

desc: VIS

1шт.

49

2.421-00368

VALVE;PRESSURE CONTROL

desc: COMMANDE DE PRESSION

1шт.

49-5

2180-1217D47

O-RING 10.77X2.62

desc: . JOINT TORIQUE

1шт.

50

2.421-00372

VALVE;PRESSURE RELIEF

desc: DECOMPRESSION

2шт.

Выбрано товаров: 45