Запчасти Doosan Daewoo TRACK GUARD - HEAVY DUTY OPTIONAL PARTS

9
10
8
1
2
6
11
3
10
10
7
11
6
2
7
8
9
6
6
10
10
7
7
6
1
6
9
10
8
7
7
11
8
11
10
5
6
4
3
6
6
7
10
7
7
6
11
8
7
11
10
8
10
9
5
6
4
7
9
10
6
7
FIT
1:1
100%

Артикул

Название

Примечание

Количество

-

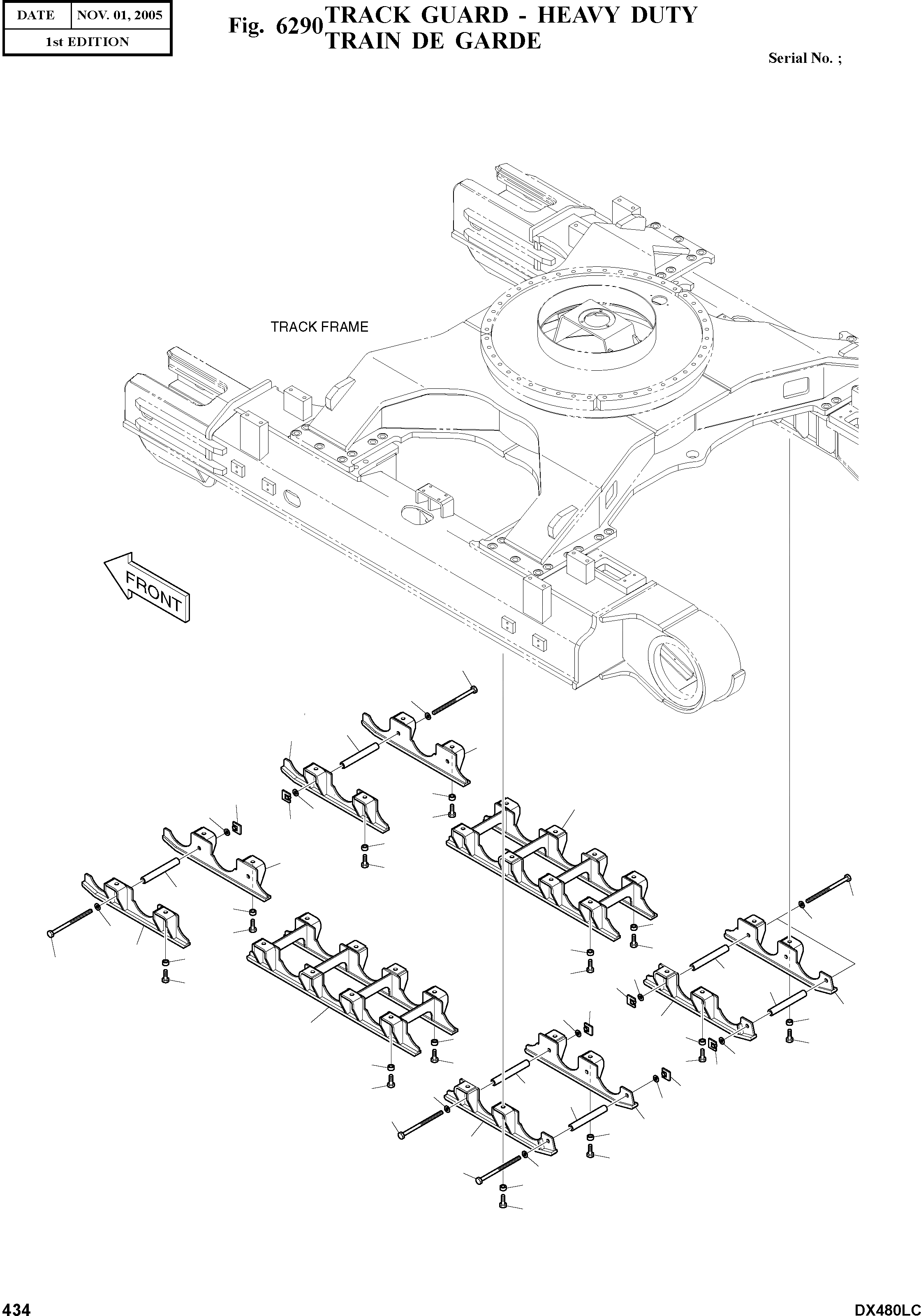
K1008506

TRACK GUARD

SC: D

-2шт.

1

K1007773

GUARD;TRACK(L.H)

desc: BARRE DE PROTECTION

2шт.

2

K1007772

GUARD;TRACK(R.H)

desc: BARRE DE PROTECTION

2шт.

3

K1007769

GUARD;TRACK

desc: GARDE

2шт.

4

K1007771

GUARD;TRACK(L.H)

desc: BARRE DE PROTECTION

2шт.

5

K1007770

GUARD;TRACK(R.H)

desc: BARRE DE PROTECTION

2шт.

6

K1008075

SPACER

desc: DOUILLE D'ECARTEMENT

32шт.

7

S0572566

BOLT

desc: BOULON A 6 PANS

32шт.

8

K1008534

SPACER

desc: DOUILLE D'ECARTEMENT

10шт.

9

K1008536

BOLT

desc: BOULON A 6 PANS

10шт.

10

K1008538

WASHER;HARDEN

desc: RONDELLE

20шт.

11

K1008537

NUT;LOCK

desc: ECROU

10шт.

Выбрано товаров: 12