Качественные детали и логистика
Оригинальные и аналоговые запчасти с доставкой по России, Казахстану и Беларуси
©2022 PartSell ООО "Система" ИНН 2463123282 ОГРН 1212400004838
Центральный офис: г. Красноярск, Академика Киренского, д.87, пом.4
Телефон: 8 (800) 777-65-74 Email: zakaz@partsell.ru
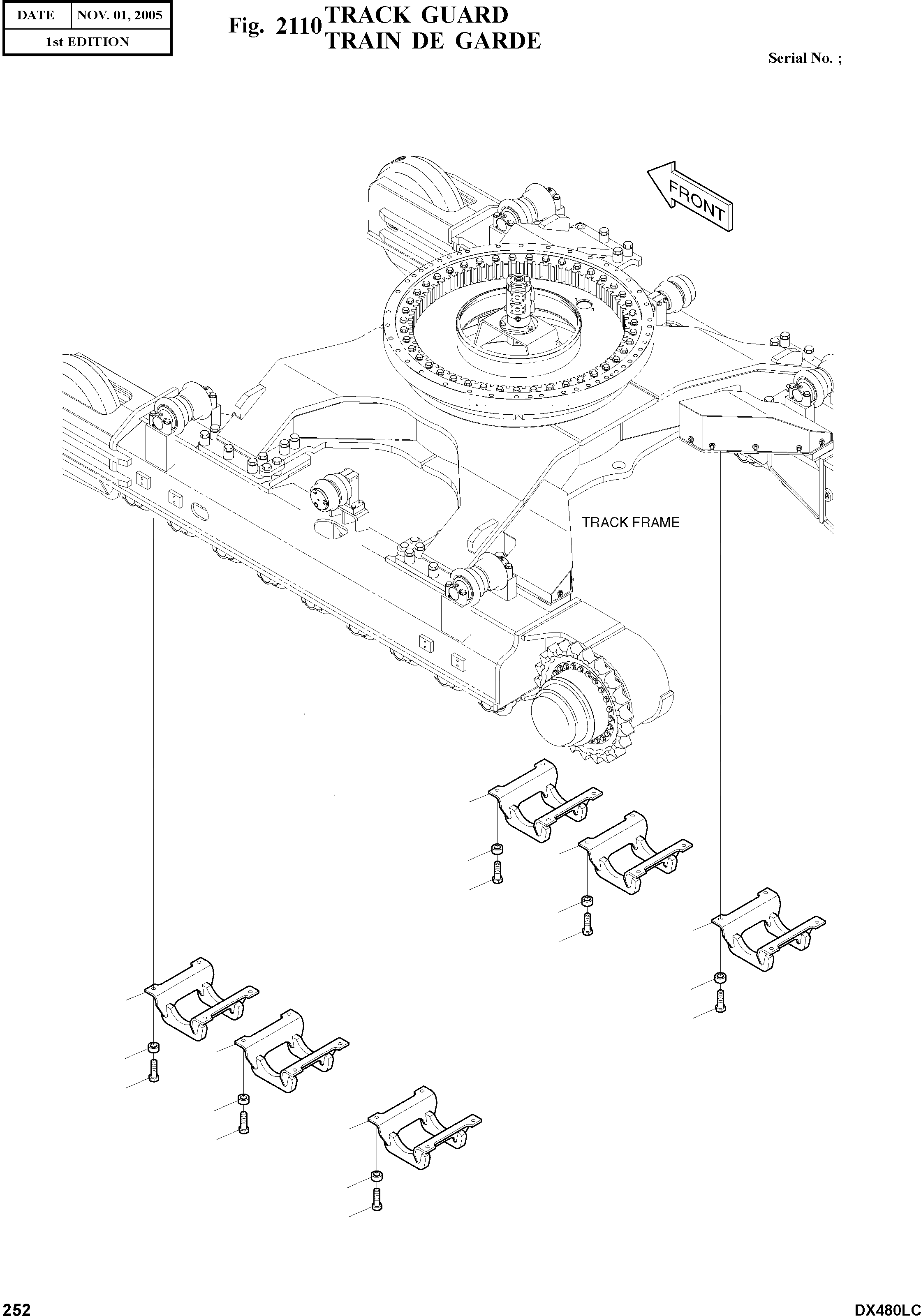
TRACK GUARD
№
Артикул
Название
Примечание
Количество
-
K1008505
SC: D
-2шт.
1
K1001574
GUARD;TRACK
desc: GARDE
6шт.
2
S0572566
BOLT
desc: BOULON A 6 PANS
24шт.
3
K1008075
SPACER
desc: DOUILLE D'ECARTEMENT
Выбрано товаров: 0