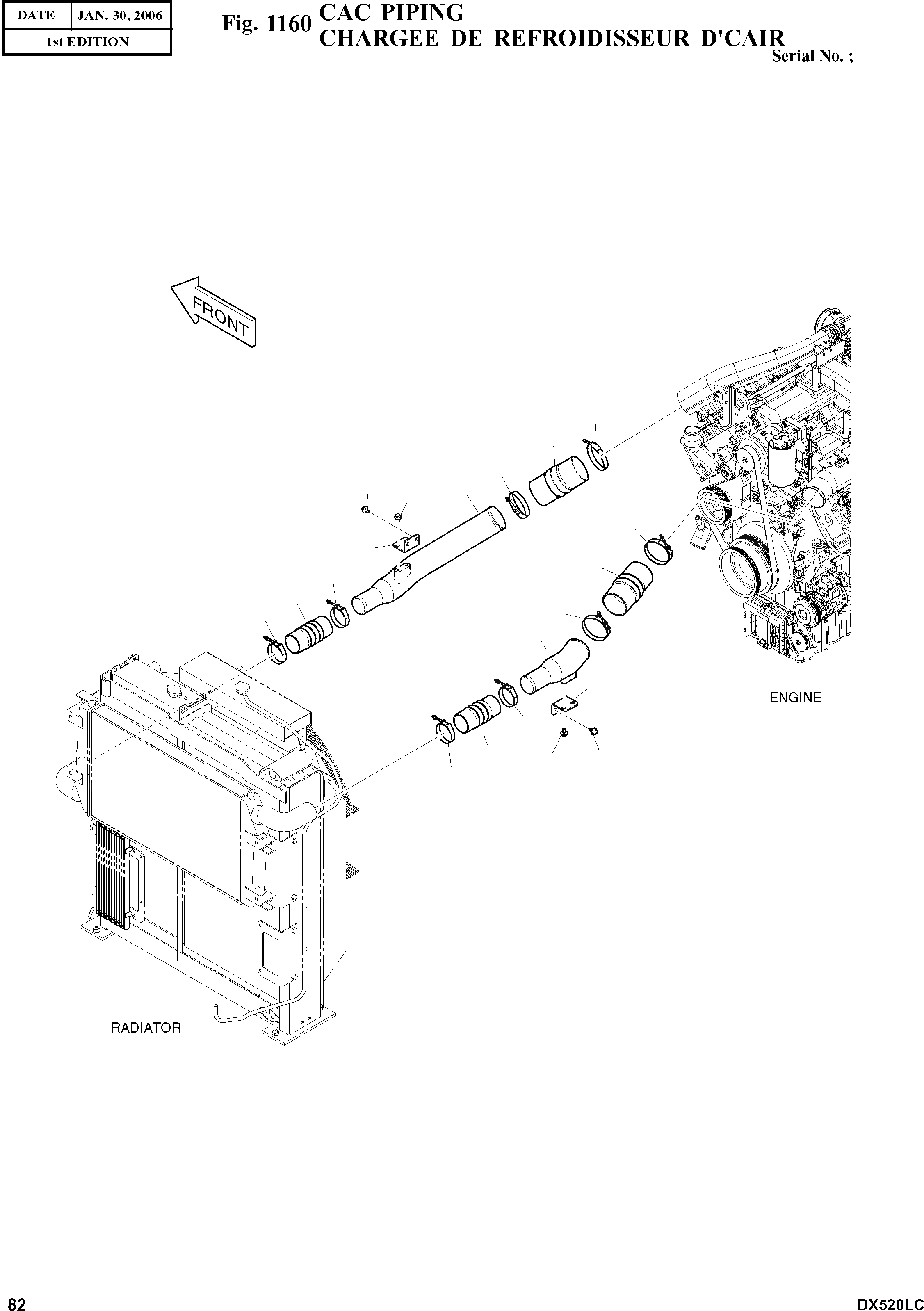
Запчасти Doosan Daewoo CAC PIPING BODY PARTS

6
3
6
8
8
6
5
3
7
4
6
7
2
5
7
4
8
8
7
1
FIT
1:1
100%

Артикул

Название

Примечание

Количество

-

K1000673B

CAC PIPING

SC: D

-2шт.

1

K1000730

PIPE;AIR

desc: CONDUITE

1шт.

2

K1000731

PIPE;AIR

desc: CONDUITE

1шт.

3

K1012215

HOSE;CAC

desc: TUYAU FLEXIBLE

2шт.

4

K1012214

HOSE;CAC

desc: TUYAU FLEXIBLE

2шт.

5

195-01620

BRACKET

desc: SUPPORT

2шт.

6

K1006732

CLAMP;HOSE

desc: COLLIER

4шт.

7

124-00194

CLAMP;HOSE

desc: COLLIER

4шт.

8

DS0025017

BOLT;SET

desc: BOULON A 6 PANS

8шт.

Выбрано товаров: 9