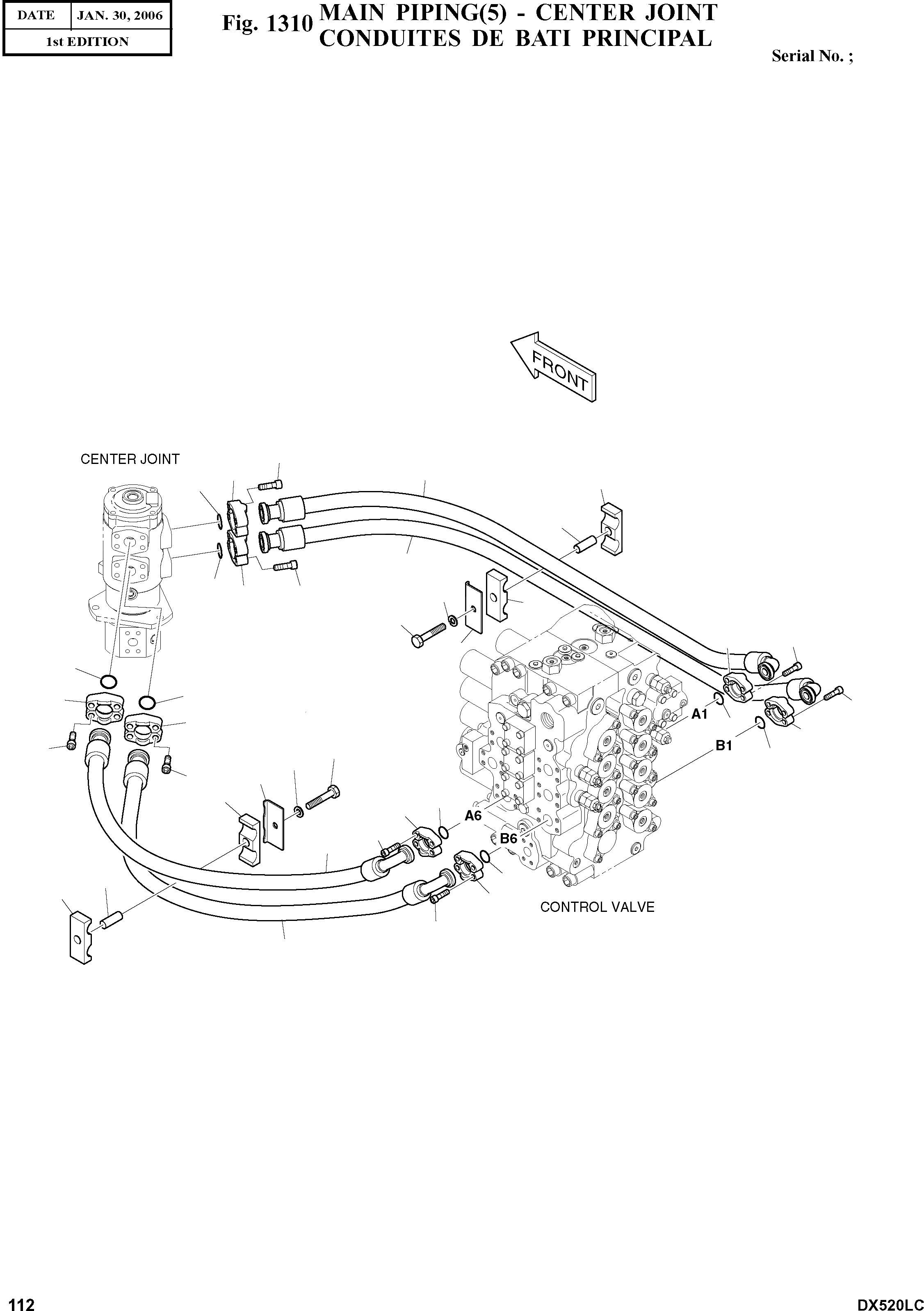
Запчасти Doosan Daewoo MAIN PIPING(5) - CENTER JOINT BODY PARTS

56
59
24
30
35
46
26
35
59
56
43
30
44
49
61
47
35
35
49
59
59
36
61
56
44
36
43
47
56
30
36
61
49
25
36
46
30
61
49
27
FIT
1:1
100%

Артикул

Название

Примечание

Количество

-

K1001265G

MAIN PIPING

SC: D

-2шт.

24

DS2040518

HOSE

desc: TUYAU FLEXIBLE

1шт.

25

DS2040391

HOSE

desc: TUYAU FLEXIBLE

1шт.

26

DS2040519

HOSE

desc: TUYAU FLEXIBLE

1шт.

27

DS2040390

HOSE

desc: TUYAU FLEXIBLE

1шт.

30

124-00247

CLAMP;HOSE

desc: COLLIER

4шт.

35

2180-1026D23

O-RING

desc: JOINT TORIQUE

4шт.

36

2180-1026D19

O-RING

desc: JOINT TORIQUE

4шт.

43

S5102903

WASHER;SPRING

desc: RONDELLE ELASTIQUE

2шт.

44

S0566066

BOLT

desc: BOULON A 6 PANS

2шт.

46

114-00456

SPACER

desc: DOUILLE D'ECARTEMENT

2шт.

47

2191-3705C

PLATE

desc: PLAQUE

2шт.

49

S2215466

BOLT;SOCKET

desc: BOULON DE PLOT

16шт.

56

S2218566

BOLT;SOCKET

desc: BOULON A 6 PANS CREUX

16шт.

59

2181-9086

FLANGE;SPLIT

desc: FLASQUE EN DEUX PARTIES

8шт.

61

2181-9081

FLANGE;SPLIT

desc: BRIDE

8шт.

Выбрано товаров: 16