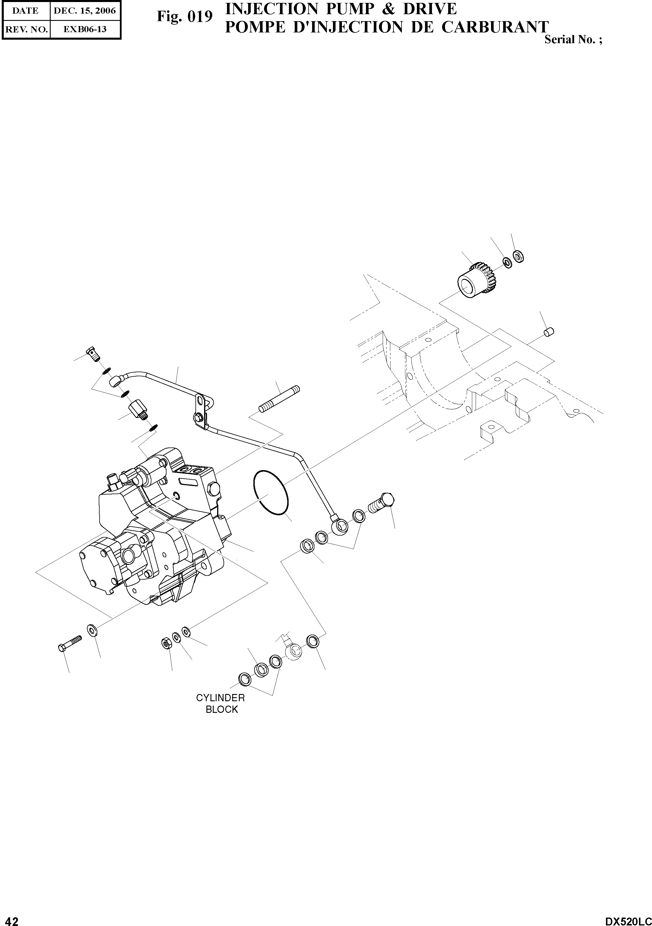
Запчасти Doosan Daewoo INJECTION PUMP & DRIVE ENGINE PARTS

21
22
20
17
11
12
4
13
10
13
2
14
16
1
15
15
6
7
7
16
5
3
16
FIT
1:1
100%

Артикул

Название

Примечание

Количество

1

65.10501-7002A

PUMP;HIGH PRESSURE

desc: POMPE

1шт.

2

65.96501-0428

O-RING

desc: . JOINT TORIQUE

1шт.

3

65.90001-0094

BOLT;HEX

desc: BOULON A 6 PANS

2шт.

4

06.06225-0810

BOLT;STUD M10X40

desc: BOULON A 6 PANS

1шт.

5

06.11063-8215

NUT;HEX M10

desc: ECROU 6 PANS M10

1шт.

6

06.16731-2108

WASHER;SPRING A10

desc: RONDELLE

1шт.

7

06.15010-2312

WASHER;PLAIN 10.5

desc: RONDELLE

3шт.

10

65.98130-0148

ADAPTER

desc: RACCORD ADAPTATEUR

1шт.

11

65.05701-6101

PIPE;OIL

desc: TUYAU D'HUILE

1шт.

12

65.98150-0052

SCREW;HOLLOW

desc: VIS CREUSE

1шт.

13

06.56180-0714

RING;SEAL A10X15

desc: BAGUE D'ETANCHEITE

3шт.

14

65.98150-0071

SCREW;HOLLOW

desc: VIS CREUSE

1шт.

15

65.90710-0250A

WASHER

desc: RONDELLE PLATE

2шт.

16

06.56190-0706

RING;SEAL A14X20

desc: BAGUE D'ETANCHEITE

5шт.

17

65.90910-0003

SCREW;SET

desc: VIS DE REGLAGE

2шт.

20

65.11301-0039

GEAR;DRIVE;INJECTION PUMP

SERIAL: 060926

1шт.

20

65.11301-0039A

GEAR;DRIVE;INJECTION PUMP

SERIAL: 060927

1шт.

21

06.11063-9219

NUT;HEX M18X1.5

desc: ECROU 6 PANS

1шт.

22

06.16731-2112

WASHER;SPRING A18

desc: RONDELLE ELASTIQUE

1шт.

Выбрано товаров: 19