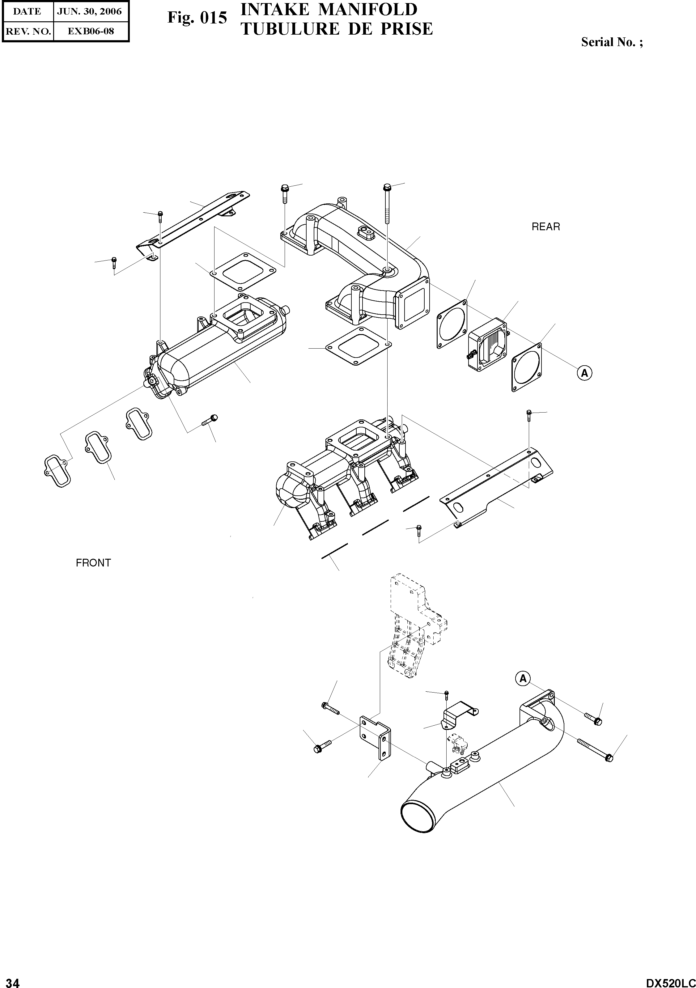
Запчасти Doosan Daewoo INTAKE MANIFOLD ENGINE PARTS

7
8
22
23
6
5
24
31
30
31
5
2
23
4
3
22
24
1
3
21
26
11
21
10
25
20
9
FIT
1:1
100%

Артикул

Название

Примечание

Количество

1

65.08201-5070

MANIFOLD;INTAKE(LH)

desc: COLLECTEUR

1шт.

2

65.08201-5071

MANIFOLD;INTAKE(RH)

desc: COLLECTEUR

1шт.

3

65.08902-0028A

GASKET;INTAKE MANIFOLD

SERIAL: 060227

6шт.

3

65.08902-0028B

GASKET;INTAKE MANIFOLD

SERIAL: 060228

6шт.

4

06.01923-3120

BOLT ASS'Y M8X45

desc: BOULON A 6 PANS

12шт.

5

65.09904-0013

GASKET;AIR INTAKE

desc: JOINT

2шт.

6

65.09411-0138

PIPE;INLET

desc: TUYAU

1шт.

7

06.01923-3218

BOLT ASS'Y M10X35

desc: BOULON A 6 PANS

4шт.

8

06.01923-3235

BOLT ASS'Y M10X140

desc: BOULON A 6 PANS

4шт.

9

65.08202-5075

STAKE;INTAKE

desc: TUBULURE D'ADIMISSION

1шт.

10

06.01923-3235

BOLT ASS'Y M10X140

desc: BOULON A 6 PANS

2шт.

11

06.01923-3225

BOLT ASS'Y M10X70

desc: BOULON A 6 PANS

2шт.

20

65.08240-0029

BRACKET;INTAKE STAKE

desc: SUPPORT

1шт.

21

06.01923-3215

BOLT ASS'Y M10X25

desc: BOULON A 6 PANS

4шт.

22

65.08204-0003

COVER

desc: COUVERCLE

2шт.

23

06.01913-3110

BOLT ASS'Y M8X12

desc: BOULON A 6 PANS

6шт.

24

06.01923-3110

BOLT ASS'Y M8X12

desc: BOULON A 6 PANS

4шт.

25

65.08204-0004

COVER

desc: COUVERCLE

1шт.

26

06.01923-2910

BOLT ASS'Y M6X12

desc: BOULON A 6 PANS

2шт.

30

65.26803-7021B

HEATER;AIR

desc: RECHAUFFEUR D'AIR

1шт.

31

65.08902A0010

GASKET

desc: JOINT

2шт.

Выбрано товаров: 21