Запчасти Doosan Daewoo CABIN MOUNTING BODY PARTS

12
12
13
14
11
6
10
9
7
13
14
11
7
9
10
6
10
9
8
3
12
12
13
14
11
8
9
10
5
9
8
10
1
10
9
7
10
9
7
10
9
8
4
10
9
8
2
10
9
8
7
9
10
6
6
12
11
14
13
12
12
12
FIT
1:1
100%

Артикул

Название

Примечание

Количество

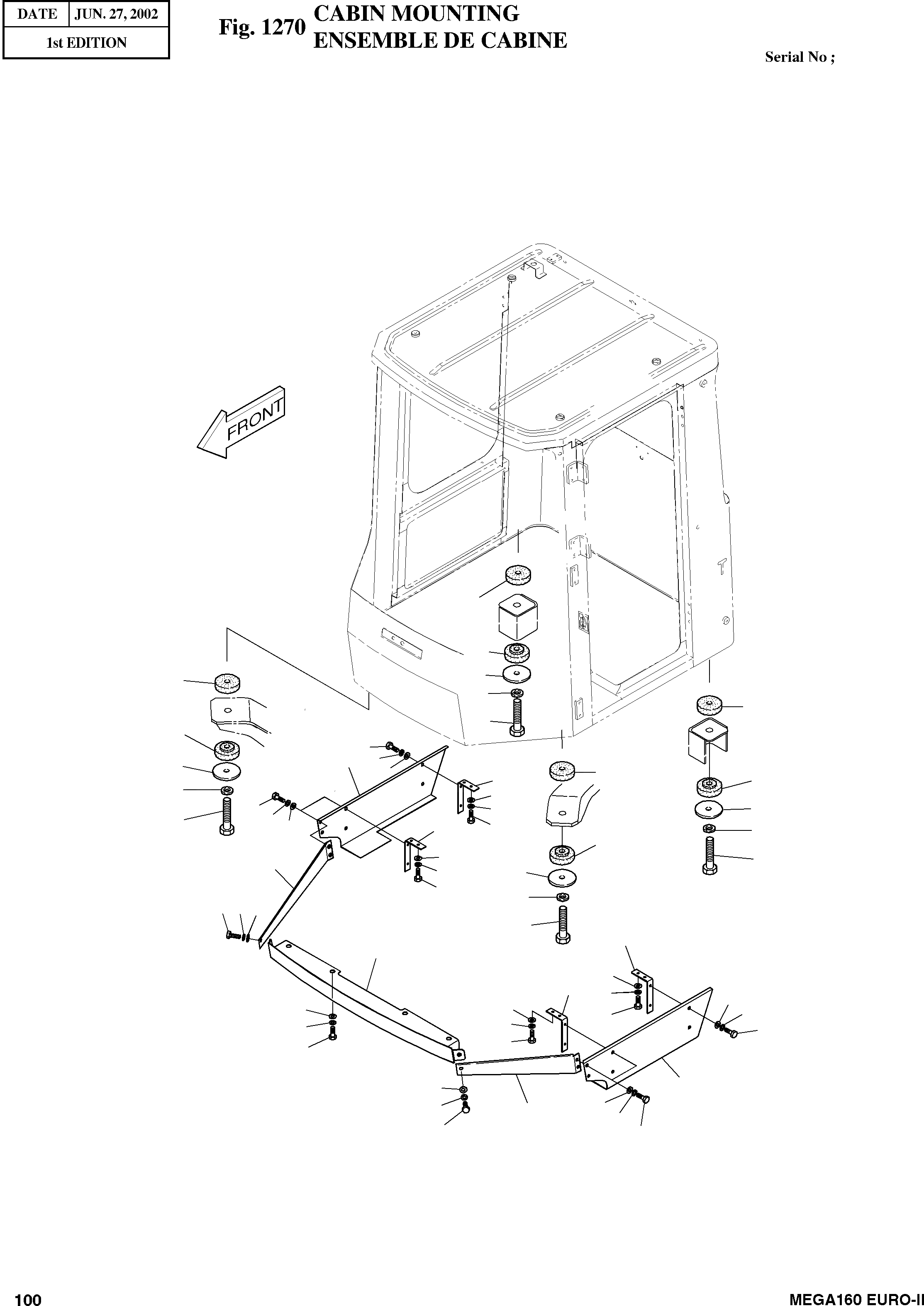
-

4622-1524

CABIN MOUNTING

SC: D

-2шт.

1

4627-1626

COVER(CENTER)

desc: COUVERCLE

1шт.

2

4627-1610A

COVER(L.H)

desc: COUVERCLE

1шт.

3

4627-1618B

COVER(R.H)

desc: COUVERCLE

1шт.

4

4627-1619

COVER(L.H)

desc: COUVERCLE

1шт.

5

4627-1620

COVER(R.H)

desc: COUVERCLE

1шт.

6

4197-2405B

BRACKET

desc: SUPPORT

4шт.

7

S0509053

BOLT

desc: BOULON A 6 PANS

12шт.

8

S0508653

BOLT M8X1.25X16

desc: BOULON A 6 PANS

14шт.

9

S5102503

WASHER;SPRING

desc: RONDELLE ELASTIQUE

26шт.

10

2114-1058D29

WASHER

desc: RONDELLE

26шт.

11

S0576266

BOLT

desc: BOULON A 6 PANS

4шт.

12

2161-9413

RUBBER;FRONT

desc: CAOUTCHOUC

8шт.

13

4114-4156A

WASHER;REBOUND

desc: RONDELLE

4шт.

14

2114-1831

WASHER;HARD

desc: RONDELLE ELASTIQUE

4шт.

Выбрано товаров: 15