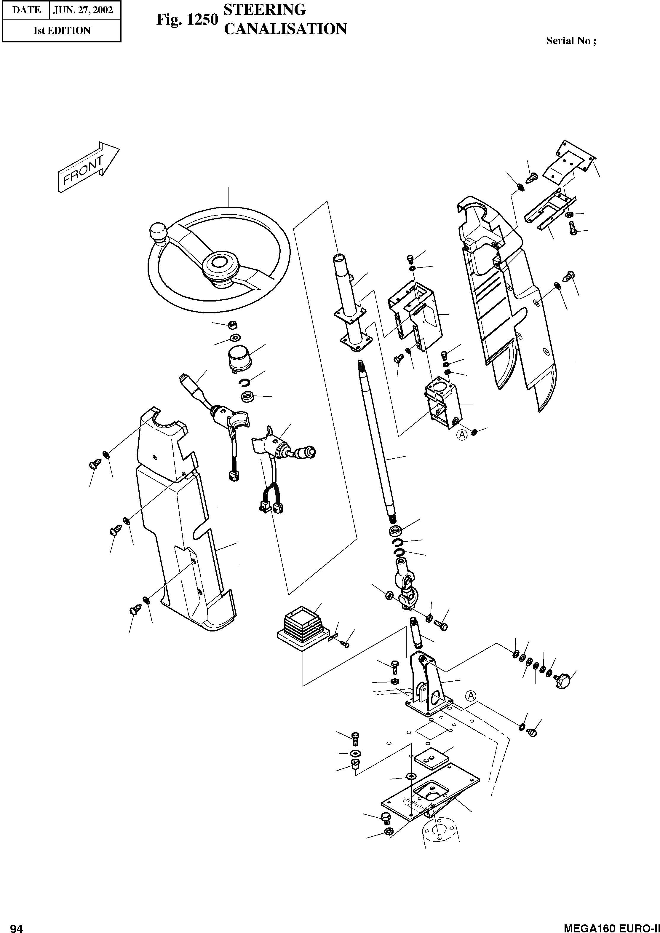
Запчасти Doosan Daewoo STEERING BODY PARTS

37
39
8
51
52
53
34
35
36
2
37
31
39
14
23
9
16
22
33
24
18
15
13
21
17
4
54
27
3
45
38
19
20
32
39
29
37
30
5
36
44
28
46
49
39
48
43
37
6
41
42
25
40
1
16
43
42
47
26
12
7
50
11
50
23
10
13
FIT
1:1
100%

Артикул

Название

Примечание

Количество

-

4303-1032H

STEERING COLUMN ASS'Y

SC: D

-2шт.

1

4197-2430C

BRACKET;BASE

desc: SUPPORT

1шт.

2

303-00002B

COLUMN

desc: PILIER

1шт.

3

4305-1016C

SHAFT D22

desc: ARBRE

1шт.

4

4197-2431B

BRACKET;COLUMN PL4.5

desc: SUPPORT

1шт.

5

4313-9003

JOINT;FLEX

desc: RACCORD

1шт.

6

4305-1017B

SHAFT D22

desc: ARBRE

1шт.

7

4161-2492C

FOAM 15T

desc: EPONGE

1шт.

8

4154-9006

WHEEL;STEERING

desc: WHEEL;STEERING

1шт.

9

4142-1160C

STRIKER

desc: FRAPPER

1шт.

10

4197-2432B

BRACKET

desc: SUPPORT

1шт.

11

4161-9036

MOUNT;FLEX

desc: ENSEMBLE SUPPORT DE MONTAGE

4шт.

12

2120-2166D29

BOLT M10X1.5X40

desc: BOULON A 6 PANS

4шт.

13

S5010613

WASHER;PLAIN M10

desc: RONDELLE

8шт.

14

S4012733

NUT M12

desc: ECROU

1шт.

15

S5010313

WASHER;PLAIN M6

desc: RONDELLE

2шт.

16

2114-1058D46

WASHER;PLAIN

desc: RONDELLE

5шт.

17

S6153040

BEARING;NEEDLE

desc: PALIER

1шт.

18

S6510370

RING;RETAINER(C TYPE)

desc: BAGUE

1шт.

19

S6001240

BEARING;BALL

desc: ROULEMENT A BILLE

1шт.

20

S6510420

RING;RETAINER(C TYPE)

desc: ROND-TYPE C

1шт.

21

S0504353

BOLT M6X1.0X10

desc: BOULON A 6 PANS

4шт.

22

S5102603

WASHER;SPRING M10

desc: RONDELLE ELASTIQUE

8шт.

23

S0511753

BOLT M10X1.5X1.8

desc: BOULON A 6 PANS

8шт.

24

4549-6072

SELECT RANGE

desc: SELECTEUR

1шт.

25

S0515053

BOLT M12X1.75X25

desc: BOULON A 6 PANS

4шт.

26

4123-2424A

PIN

desc: GOUPILLE

2шт.

27

S5102903

WASHER;SPRING M16X4.8T

desc: RONDELLE ELASTIQUE

2шт.

28

S0509253

BOLT M8X1.25X30

desc: BOULON A 6 PANS

1шт.

29

S6500200

RING;RETAINING

desc: BAGUE

1шт.

30

S4012533

NUT M8

desc: ECROU

1шт.

31

4197-2433B

BRACKET;COVER

desc: SUPPORT

1шт.

32

4627-1652A

COVER;FRONT 3T

desc: COUVERCLE

1шт.

33

4627-1653

COVER;REAR 3T

desc: COUVERCLE

1шт.

34

4197-2434C

BRACKET

desc: SUPPORT

1шт.

35

S0508853

BOLT M8X20

desc: BOULON A 6 PANS

4шт.

36

S5010503

WASHER;PLAIN M8

desc: RONDELLE PLATE

5шт.

37

2120-2166D8

SCREW M5X14

desc: VIS

11шт.

38

2120-2166D33

BOLT M4X0.7

desc: BOULON A 6 PANS

2шт.

39

2114-1898D4

WASHER;PLAIN M5

desc: RONDELLE

11шт.

40

4132-1145

KNOB

desc: BOSSE

1шт.

41

S5130903

WASHER;SPRING M16

desc: RONDELLE ELASTIQUE

1шт.

42

S5010913

WASHER;PLAIN M16

desc: RONDELLE

2шт.

43

4161-2458

STOPPER D32X2T

desc: ARRET

2шт.

44

4160-1339A

BOOT

desc: GAINE DE PROTECTION

1шт.

45

2114-1898D13

WASHER

desc: RONDELLE

2шт.

46

4114-1996

WASHER PL1.6

desc: RONDELLE

2шт.

47

S5021213

WASHER M22

desc: RONDELLE

2шт.

48

2114-1059D196

SHIM PL1.0

desc: CALE

2шт.

49

S3450823

SCREW M5X0.8X10

desc: VIS

2шт.

50

2114-1898D16

WASHER Ґч36X11X2.3

desc: RONDELLE

8шт.

51

195-00803

BRACKET

desc: SUPPORT

1шт.

52

2114-1898D2

WASHER

desc: RONDELLE

2шт.

53

2120-2166D25

BOLT

desc: BOULON A 6 PANS

2шт.

54

4549-9418

SWITCH;COLUMN

desc: INTERRUPTEUR

1шт.

Выбрано товаров: 55