Запчасти Doosan Daewoo STEERING UNIT MAIN PIPING

26
2
26
1
27
29
24
5
2
32
7
3
8
4
9
2
13
14
12
11
15
16
21
17
18
20
FIT
1:1
100%

Артикул

Название

Примечание

Количество

-

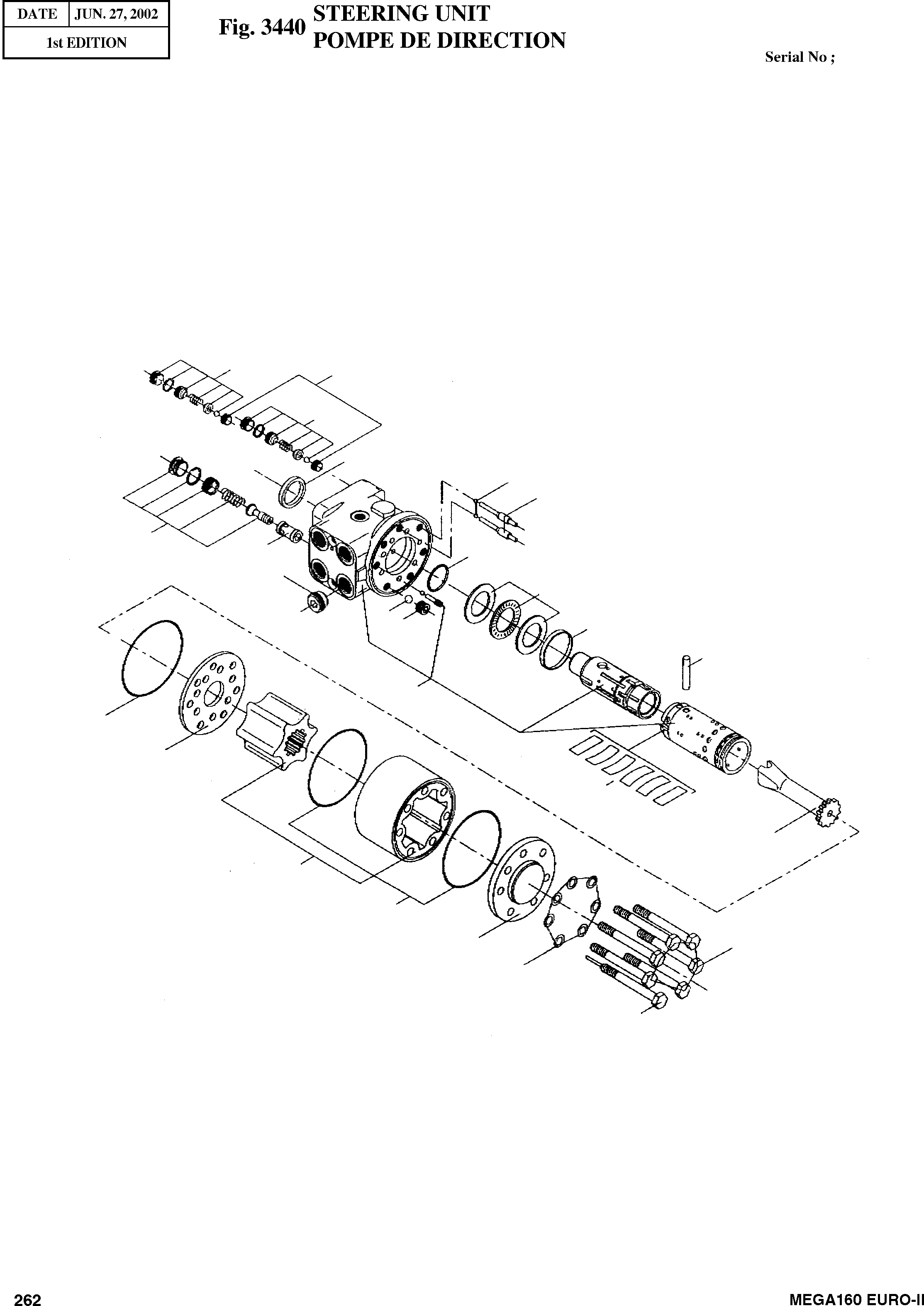
4420-9607

STEERING UNIT

desc: ORBITROL

1шт.

1

633B9002

RING;DUST SEAL

desc: BAGUE

1шт.

2

-

HOUSING SPOOL

SC: D

1шт.

3

689X1031

BALL

desc: BILLE

1шт.

4

150-1304

BUSHING;THREAD

desc: MANCHON

1шт.

5

150N4014

O-RING

SC: D

1шт.

7

150-4262

BEARING ASS'Y

desc: PALIER

1шт.

8

150-0310

RING

desc: BAGUE

1шт.

9

150-0305

PIN;CROSS

desc: GOUPILLE

1шт.

11

150-0844

SHAFT;CARDON

desc: TOURNEVIS EN CROIX

1шт.

12

150-4209

SET OF SPRINGS

desc: VIS DE REGLAGE

1шт.

13

633B1202

O-RING

desc: JOINT TORIQUE

1шт.

14

150N0610

PLATE;DISTRIBUTOR

desc: PLAQUE

1шт.

15

150-4190

GEARWHEEL SET

desc: ENSEMBLE DE PIGNON

1шт.

16

633B1173

O-RING

desc: JOINT TORIQUE

2шт.

17

150-0328

COVER;END

desc: COUVERCLE

1шт.

18

684X2481

WASHER

SC: D

7шт.

20

150-0452

SCREW WITH PIN

desc: VIS

1шт.

21

681X1939

SCREW

desc: VIS

6шт.

24

150-4281

RELIEF VALVE

desc: CLAPET DE DECHARGE

1шт.

26

150-4268

SHOCK VALVE

desc: SOUPAPE

2шт.

27

689X1005

BALL

desc: BILLE

2шт.

29

150-4080

BUSHING WITH PIN

desc: COUSSINET

2шт.

32

150N4093

VALVE;CHECK

desc: CLAPET DE TROP-PLEIN

1шт.

*

150N4038

SEAL KIT(1.5.13.16.18)

desc: KIT DE REPARATION

1шт.

Выбрано товаров: 0