Запчасти Doosan Daewoo EMERGENCY STEERING KIT BODY PARTS

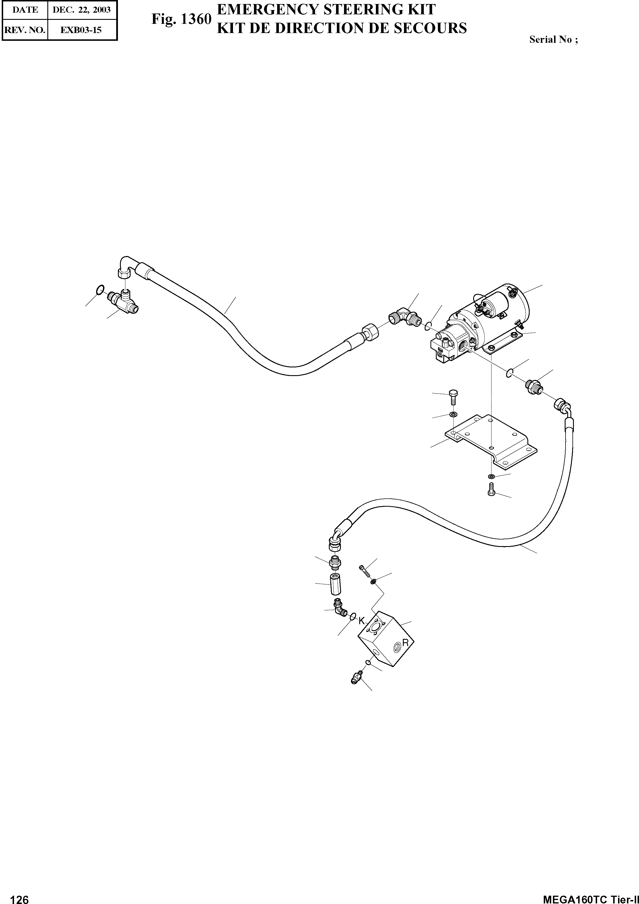
1
19
5
18
23
15
24
22
17
12
13
14
3
2
20
11
4
21
10
9
6
16
8
7
FIT
1:1
100%

Артикул

Название

Примечание

Количество

-

400-00718

EMERGENCY STEERING KIT

SC: D

-2шт.

1

401-00129A

EMERG.STEER PUMP-DC MOTOR

desc: POMPE

1шт.

2

S0512053

BOLT M10X1.5X25

desc: BOULON A 6 PANS

4шт.

3

S5102303

WASHER;SPRING M10

desc: RONDELLE ELASTIQUE

4шт.

4

DS2058198

HOSE-750L

desc: TUYAU FLEXIBLE

1шт.

5

2184-1036D398

HOSE-720L

desc: TUYAU FLEXIBLE

1шт.

6

420-00287A

VALVE;CHECK

desc: CLAPET DE TROP-PLEIN

1шт.

7

2549-1135D4

SWITCH;PRESSURE 10bar

SERIAL: 2001-2015

1шт.

7

2549-1135D11

SWITCH;PRESSURE 3bar

SERIAL: 2016

1шт.

8

S8180221

RING;SEAL

desc: ANNEAU DU JOINT

1шт.

9

2181-2578D1

ELBOW

desc: COUDE

1шт.

10

2420-1029

VALVE;CHECK

desc: CLAPET DE TROP-PLEIN

1шт.

11

2181-1110D3

ADAPTER

desc: RACCORD ADAPTATEUR

1шт.

12

S0515153

BOLT M12X1.75X28

desc: BOULON A 6 PANS

4шт.

13

S5102703

WASHER;SPRING M12

desc: RONDELLE ELASTIQUE

4шт.

14

195-01594

BRACKET

desc: SUPPORT

1шт.

15

DS2371054

TEE PFO1-PF3/4-PF3/4

desc: TE

1шт.

16

S8000181

O-RING

desc: JOINT TORIQUE

1шт.

17

2181-1126D3

ADAPTER UNF7/8-PF1/2

desc: RACCORD ADAPTATEUR

1шт.

18

S8040121

O-RING

desc: JOINT TORIQUE

1шт.

19

2181-1702D6

ELBOW UNF1 1/16-PF3/4

desc: COUDE

1шт.

20

S2213866

BOLT;SOCKET M10X1.5X110

desc: BOULON A 6 PANS CREUX

4шт.

21

S5110603

WASHER;SPRING M10

desc: RONDELLE ELASTIQUE

4шт.

22

S8040101

O-RING

desc: JOINT TORIQUE

1шт.

23

S8000291

O-RING

desc: JOINT TORIQUE

1шт.

24

S4012633

NUT M10X1.5

desc: ECROU

4шт.

Выбрано товаров: 26