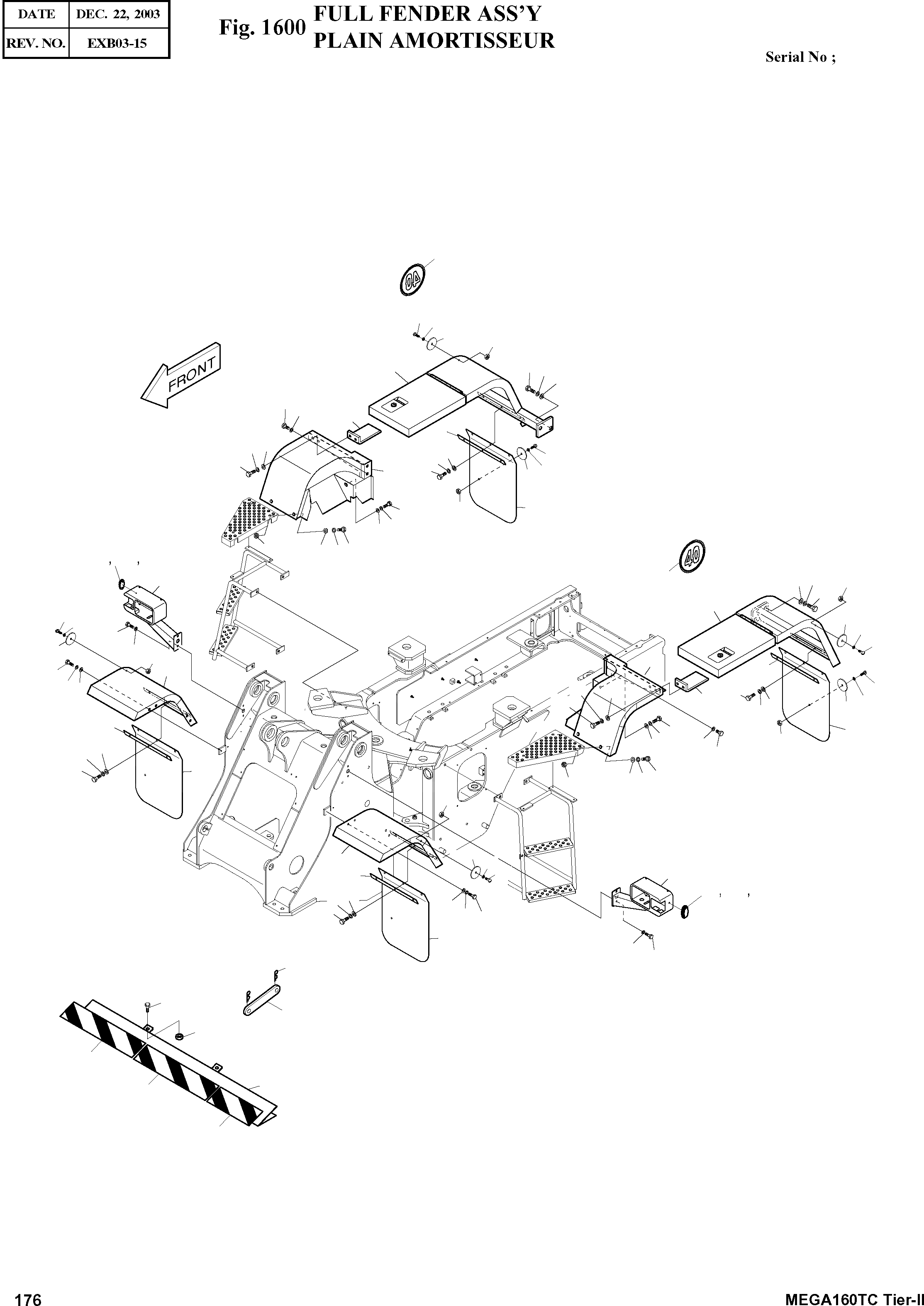
Запчасти Doosan Daewoo FULL FENDER ASSY BODY PARTS

15
13
47A
47A
15
13
42
27
28
31
29
19
11
20
51
16
13
35
25
34
33
23
27
4
32
49
28
7
30
24
29
12
13
15
14
12
47
48
42
20
46
51
29
19
10
27
31
28
28
16
27
31
13
29
6
25
2
5
4
33
27
3
49
34
32
35
28
23
30
4
22
12
24
13
29
13
23
15
4
16
49
21
12
14
29
31
1
28
27
45
22
47
48
23
4
3
49
4
5
21
13
16
44
41
43
40
39
50
39
38
FIT
1:1
100%

Артикул

Название

Примечание

Количество

-

621-01798

FULL FENDER ASS'Y

SC: D

-2шт.

1

621-01800

FENDER;FRONT(L.H.)

desc: GARDE-BOUE.ECHELLE

1шт.

2

621-01801

FENDER;FRONT(R.H.)

desc: GARDE-BOUE.ECHELLE

1шт.

3

2114-1058D45

WASHER;PLAIN

desc: RONDELLE

8шт.

4

S5102603

WASHER;SPRING M10

desc: RONDELLE ELASTIQUE

22шт.

5

S0511953

BOLT M10X1.5X22

desc: BOULON A 6 PANS

8шт.

6

621-01796A

FENDER;REAR(L.H.)

SERIAL: 2001-2016

1шт.

6

621-01796B

FENDER;REAR(L.H.)

SERIAL: 2017

1шт.

7

621-01799A

FENDER;REAR(R.H.)

SERIAL: 2001-2016

1шт.

7

621-01799B

FENDER;REAR(R.H.)

SERIAL: 2017

1шт.

10

621-01793B

FENDER;END(L.H.)

SERIAL: 2001-2016

1шт.

10

621-01793C

FENDER;END(L.H.)

SERIAL: 2017

1шт.

11

621-01794B

FENDER;END(R.H.)

SERIAL: 2001-2016

1шт.

11

621-01794C

FENDER;END(R.H.)

SERIAL: 2017

1шт.

12

S0515253

BOLT M12X1.75X30

desc: BOULON A 6 PANS

6шт.

13

S5102703

WASHER;SPRING M12

desc: RONDELLE ELASTIQUE

14шт.

14

S4012733

NUT M12X1.75

desc: ECROU

4шт.

15

2114-1058D30

WASHER;PLAIN

desc: RONDELLE

6шт.

16

S0521053

BOLT M12X1.75X25

desc: BOULON A 6 PANS

8шт.

19

S0521351

BOLT M16X2.0X35

desc: BOULON A 6 PANS

4шт.

20

S5102901

WASHER;SPRING M16

desc: RONDELLE ELASTIQUE

4шт.

21

161-00379

PLATE;RUBBER

desc: PROFILE CAOUTCHOUC

2шт.

22

621-01854

PLATE

desc: RONDELLE

2шт.

23

S5010613

WASHER;PLAIN M10

desc: RONDELLE ELASTIQUE

14шт.

24

161-00380

PLATE;RUBBER

desc: MARCHEPIED

2шт.

25

621-01797

PLATE

desc: PLAQUE

2шт.

27

S3450853

SCREW M5X0.8X16

desc: VIS

6шт.

28

S5102203

WASHER;SPRING M5

desc: RONDELLE ELASTIQUE

6шт.

29

S4012233

NUT M5

desc: ECROU

6шт.

30

190-00078

REFLECTOR

desc: REFLECTEUR

2шт.

31

2190-9013

REFLECTOR

desc: REFLECTEUR

4шт.

32

S0508853

BOLT M8X1.25X20

desc: BOULON A 6 PANS

4шт.

33

S5010513

WASHER;SPRING M8

desc: RONDELLE ELASTIQUE

4шт.

34

2114-1058D29

WASHER;PLAIN

desc: RONDELLE

4шт.

35

195-01830

BRACKET

desc: SUPPORT

2шт.

38

190-00562

PLATE;NAME

desc: PLAQUE D'IDENTIFICATION

1шт.

39

190-00365

PLATE;NAME

desc: PLAQUE D'IDENTIFICATION

2шт.

40

S4012933

NUT M16X2.0

desc: ECROU

2шт.

41

S0565561

BOLT M16X2.0X65

desc: BOULON A 6 PANS

2шт.

42

190-00313

PLATE;NAME

desc: PLAQUE D'IDENTIFICATION

2шт.

43

178-00003

PLATE;LOCK

desc: PLAQUE

1шт.

44

4123-2423

PIN;SET

desc: BROCHE

2шт.

45

195-01715

SUPPORT;LAMP(L.H)

desc: SUPPORT

1шт.

46

195-01714

SUPPORT;LAMP(R.H)

desc: SUPPORT

1шт.

47

2534-9069

LAMP;SIDE TURN SIGNAL

desc: LAMPE

2шт.

47A

2515-1021D5

BULB 24V 5W

desc: . LAMPE

1шт.

48

530-00148

HARNESS;JOINT

desc: INTERRUPTEUR

2шт.

49

S0511853

BOLT M10X1.5X20

desc: BOULON A 6 PANS

14шт.

50

733-00013

PROTECTOR

desc: PROTECTEUR

1шт.

51

S5010913

WASHER;PLAIN M16

desc: RONDELLE

4шт.

Выбрано товаров: 50