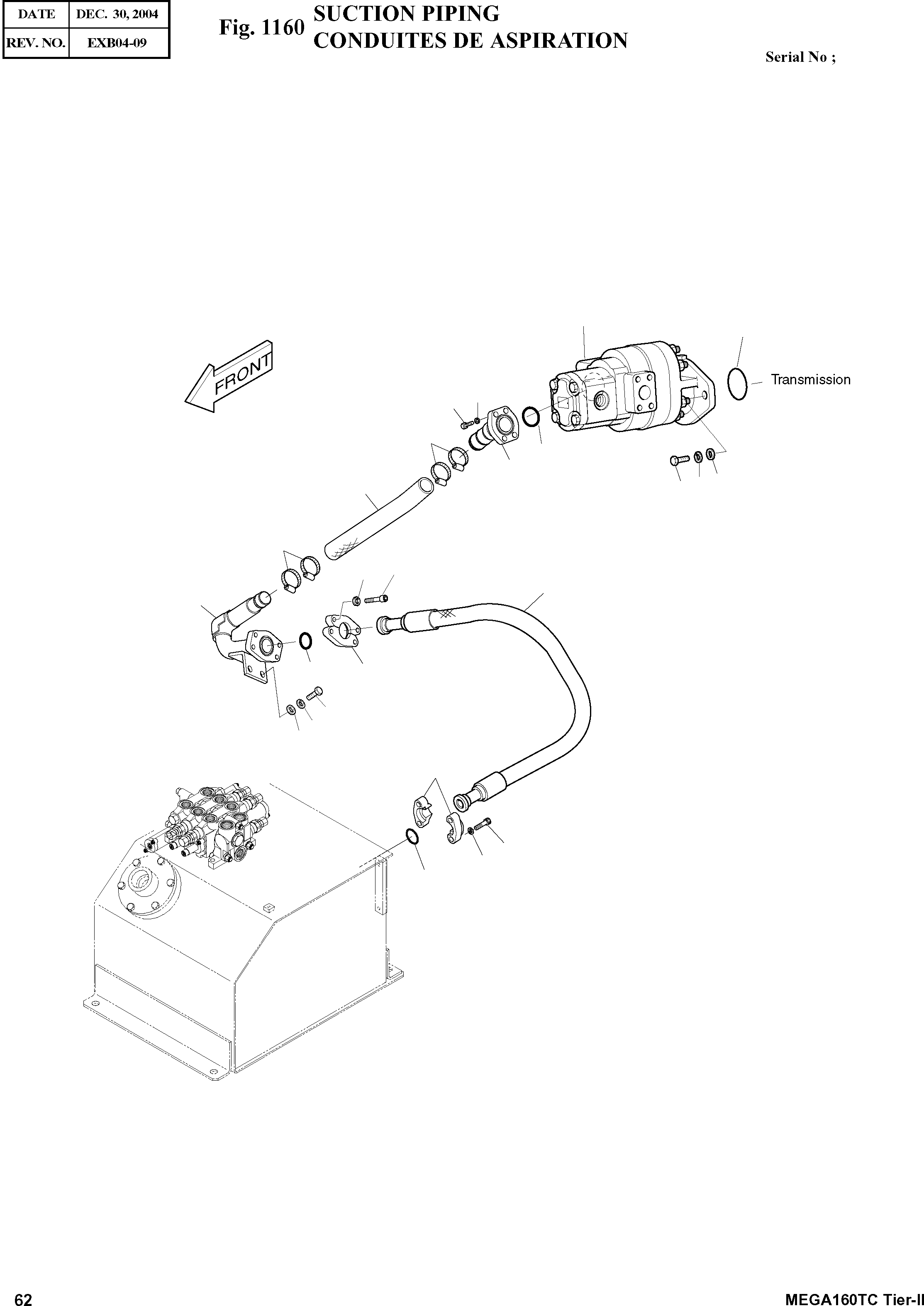
Запчасти Doosan Daewoo SUCTION PIPING BODY PARTS

1
15
13
12
18
9
10
16
3
4
2
18
12
13
17
5
11
14
6
7
8
14
12
13
11
FIT
1:1
100%

Артикул

Название

Примечание

Количество

-

400-01030

SUCTION PIPING

SC: D

-2шт.

1

401-00341

PUMP;MAIN

desc: POMPE DE PRINCIPAL

1шт.

2

S0518363

BOLT M14X35

desc: BOULON A 6 PANS

2шт.

3

S5010813

WASHER;PLAIN

desc: RONDELLE PLATE

2шт.

4

S5102803

WASHER;SPRING

desc: RONDELLE ELASTIQUE

2шт.

5

193-00708

PIPE

desc: CONDUITE

1шт.

6

S0515253

BOLT M12X30

desc: BOULON A 6 PANS

2шт.

7

S5102703

WASHER;SPRING

desc: RONDELLE ELASTIQUE

2шт.

8

S5010713

WASHER;PLAIN

desc: RONDELLE

2шт.

9

S8010600

O-RING

desc: JOINT TORIQUE

1шт.

10

181-00735

FLANGE

desc: BRIDE

1шт.

11

2180-1026D28

O-RING

desc: JOINT TORIQUE

2шт.

12

S2215366

BOLT;SOCKET M12X35

desc: BOULON A 6 PANS CREUX

12шт.

13

S5110701

WASHER;SPRING

desc: RONDELLE ELASTIQUE

12шт.

14

4215-1003D5

FLANGE;SPLIT

desc: FLASQUE EN DEUX

4шт.

15

S8011001

O-RING

desc: JOINT TORIQUE

1шт.

16

2185-1776D10

HOSE

SERIAL: 2001-2024

1шт.

16

DS2087053

HOSE

SERIAL: 2025

1шт.

17

2184-1081D133

HOSE

desc: TUYAU FLEXIBLE

1шт.

18

S8450066

CLAMP;HOSE

desc: COLLIER

4шт.

Выбрано товаров: 20