Запчасти Doosan Daewoo FUEL SYSTEM ENGINE PARTS

301A
301E
301C
301B
107
108
101
105
103
104
106
508
512
511
512
509
516
514
510
515
515
401
513
411
504
505
505
402
201
502
403
503
505
504
301
501
308
311
406
310
309
408
331
409
311
330
410
407
FIT
1:1
100%

Артикул

Название

Примечание

Количество

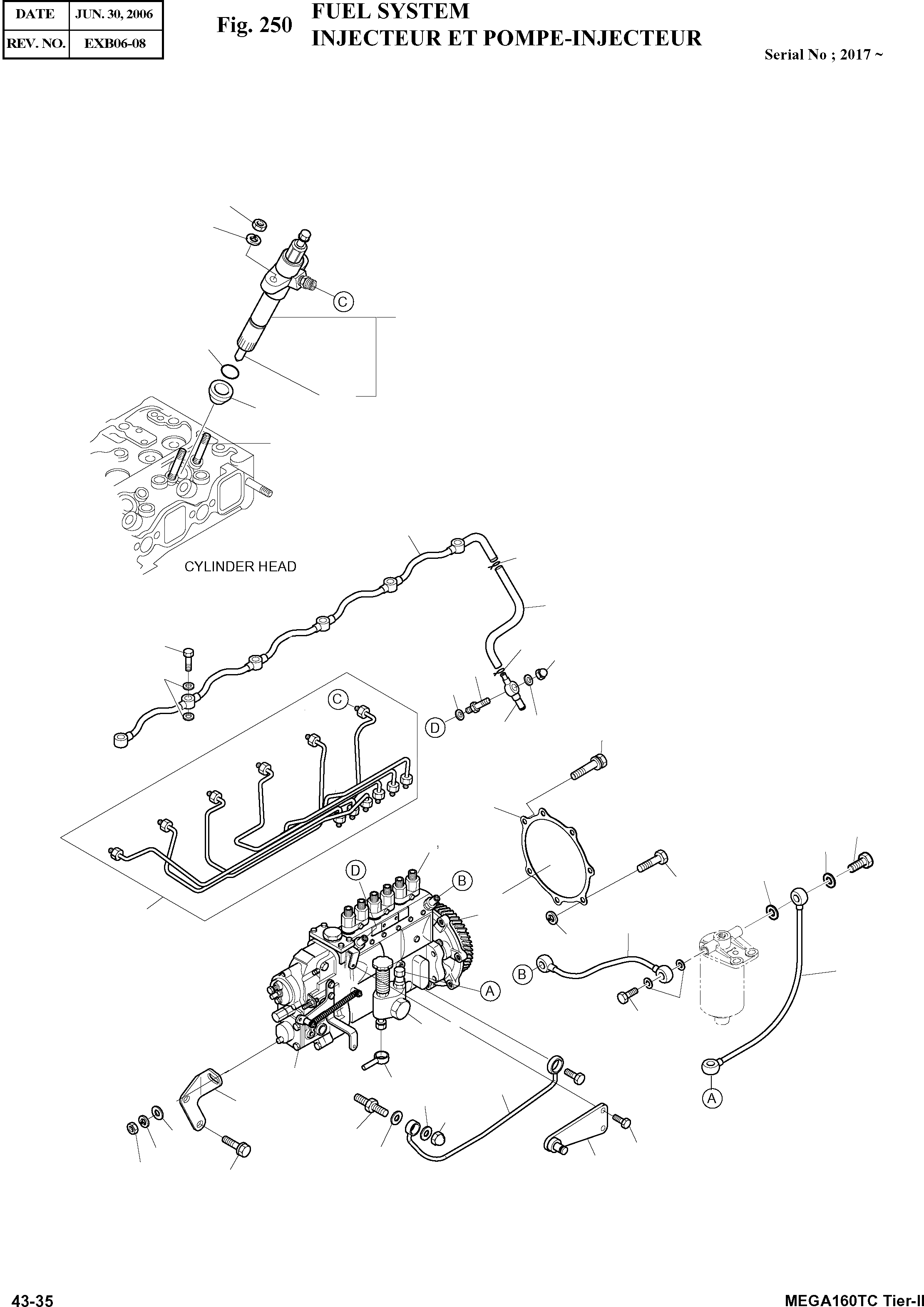
101

65.10101-7086

NOZZLE HOLDER ASS'Y

desc: INJECTEUR

6шт.

103

65.10102-6056

NOZZLE

desc: . BUSE

1шт.

104

65.96507-0004A

RING;SEAL

desc: ANNEAU DU JOINT

6шт.

105

65.96507-0046

RING;SEAL

desc: ANNEAU DU JOINT

6шт.

106

65.90201-0099

BOLT;STUD

desc: GOUJON

12шт.

107

06.11063-8214

NUT;HEX. M8

desc: ECROU

12шт.

108

06.16731-2107

WASHER;SPRING

desc: RONDELLE ELASTIQUE

12шт.

201

65.10301-6144

PRESSURE PIPE ASS'Y

desc: CARTOUCHE DE PRESSION

1шт.

301

65.11101-7399

PUMP;INJECTION

SERIAL: 031226

1шт.

301

65.11101-7405

PUMP;INJECTION

SERIAL: 031227

1шт.

301A

105220-6290

FEED PUMP

desc: . POMPE D'INJECTION

1шт.

301B

31151-322S

PLUNGER

desc: . POMPE D'INJECTION

6шт.

301C

131110-5520

VALVE;DELIVERY

desc: . POMPE D'INJECTION

1шт.

301E

156639-9820

COUPLING

desc: . POMPE D'INJECTION

1шт.

308

65.05701-5200

PIPE;OIL

desc: CONDUITE

1шт.

309

65.98155-0011

UNION;HOLLOW

desc: CREUSE UNION

1шт.

310

06.12172-9314

NUT;CAP

desc: ECROU

1шт.

311

06.56180-0714

RING;SEAL

desc: ANNEAU DU JOINT

2шт.

330

65.11605-5053

BRACKET

desc: GRAISSEUR

1шт.

331

06.01923-2914

BOLT;HEX M6X22

desc: BOULON A 6 PANS

2шт.

401

06.01913-3122

BOLT ASS'Y M8X55

desc: BOULON A 6 PANS

7шт.

402

06.01913-3124

BOLT ASS'Y M8X65

desc: BOULON A 6 PANS

1шт.

403

06.11063-8214

NUT;HEX. M8

desc: ECROU

1шт.

406

65.11401-0002C

BRACKET;REAR

desc: SUPPORT

1шт.

407

06.01953-3213

BOLT ASS'Y M10X1.25X20

desc: BOULON A 6 PANS

2шт.

408

06.15010-2312

WASHER;PLAIN

desc: RONDELLE

1шт.

409

06.16731-2108

WASHER;SPRING

desc: RONDELLE ELASTIQUE

1шт.

410

06.11063-9215

NUT M10X1.25

desc: ECROU

1шт.

411

65.11902A0001

GASKET

desc: RONDELLE ELASTIQUE

1шт.

501

65.12301-5022

PIPE;FUEL(RETURN)

desc: CONDUITE

1шт.

502

65.96341-0112

HOSE;FUEL

desc: TUYAU FLEXIBLE

1шт.

503

65.96341-0080

HOSE;FUEL

desc: TUYAU FLEXIBLE

1шт.

504

06.78144-2204

SCREW;HOLLOW

desc: VIS CREUSE

2шт.

505

06.56190-0706

RING;SEAL

desc: ANNEAU DU JOINT

4шт.

508

65.12301-5824

PIPE;FUEL(RETURN)

desc: CONDUITE

1шт.

509

65.98150-0015B

SCREW;HOLLOW

desc: VIS CREUSE

6шт.

510

06.56180-0712

RING;SEAL

desc: ANNEAU DU JOINT

12шт.

511

65.96301-0176

HOSE;RUBBER

desc: TUYAU FLEXIBLE

1шт.

512

65.97401-0089

CLIP LEAK OFF

desc: CLIP

1шт.

513

65.11107-0011

CAP;SMOKE LIMIT

desc: CONDUITE

1шт.

514

65.11120-5001

OVER FLOW VALVE ASS'Y

desc: CLAPET DE DECHARGE

1шт.

515

65.96507-0010

RING;SEAL

desc: ANNEAU DU JOINT

3шт.

516

06.12172-9316

NUT;CAP M14X1.5

desc: ECROU

1шт.

Выбрано товаров: 43