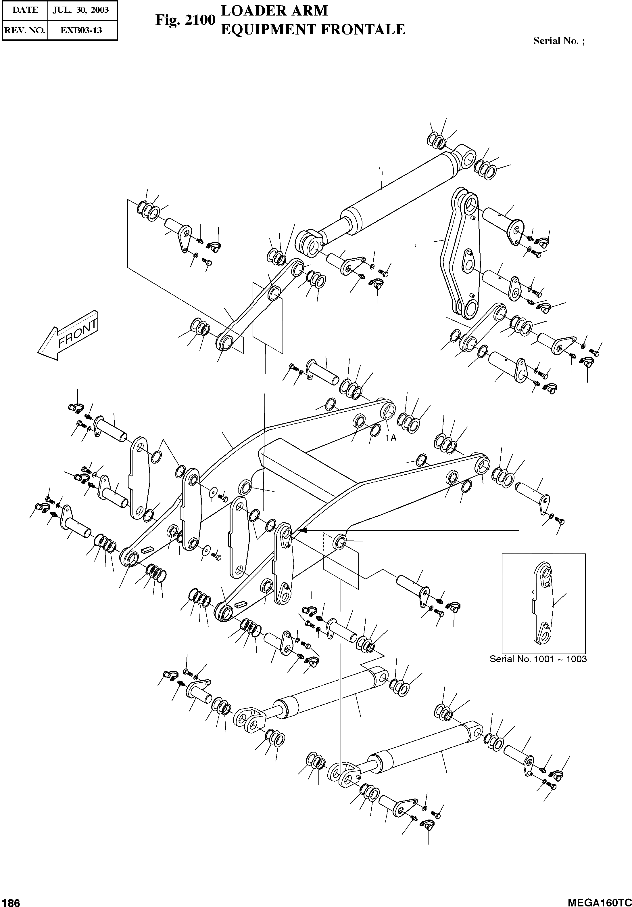
Запчасти Doosan Daewoo LOADER ARM FRONT PARTS

6A
6B
6C
1B
1C
1E
1D
1D
1E
1C
1B
1A
11A
28
29
27
27
28
29
4
5
21
16
3
17
27
15
35
15
35
28
29
19
9
10
42
31
41
14
41
42
42
42
41
41
27
15
35
15
6
28
29
35
11
29
42
41
27
17
28
26
23
13
16
27
42
21
12
41
20
27
15
35
41
20
3
35
42
12
15
15
13
37
13
20
12
35
20
1
21
20
41
12
42
20
13
41
42
20
35
23
37
7
41
39
42
21
15
8
40
20
35
42
15
8
41
39
21
38
36
21
37
33
43
40
32
34
34
35
15
7
32
15
33
36
26
41
29
36
28
33
42
42
27
32
34
41
35
34
42
32
41
27
33
28
42
36
41
38
29
15
29
35
28
35
27
27
15
28
30
29
2
25
26
24
34
15
35
34
24
25
25
2
24
42
34
42
41
41
34
24
25
30
15
35
FIT
1:1
100%

Артикул

Название

Примечание

Количество

-

701-00082

LOADER ARM ASS'Y

SC: D

-2шт.

1

701-00083A

ARM ASS'Y

SERIAL: 1001-1003

1шт.

1

701-00083B

ARM ASS'Y

SERIAL: 1004

1шт.

1A

4110-1408

BUSHING

desc: . COUSSINET

2шт.

1B

110-00050A

BUSHING

desc: . DOUILLE

2шт.

1C

4110-1407

BUSHING

desc: . COUSSINET

2шт.

1D

110-00053A

BUSHING

desc: . DOUILLE

2шт.

1E

4110-1406

BUSHING

desc: . COUSSINET

2шт.

2

440-00079

CYLINDER;LIFT

SERIAL: 1001-1026

2шт.

2

440-00079A

CYLINDER;LIFT

SERIAL: 1027

2шт.

3

123-00078A

PIN

SERIAL: 1001-1006

4шт.

3

123-00078B

PIN

SERIAL: 1007

4шт.

4

440-00080

CYLINDER;BUCKET(L.H)

SERIAL: 1001-1026

1шт.

4

440-00080B

CYLINDER;BUCKET(L.H)

SERIAL: 1027

1шт.

5

440-00081

CYLINDER;BUCKET(R.H)

SERIAL: 1001-1026

1шт.

5

440-00081B

CYLINDER;BUCKET(R.H)

SERIAL: 1027

1шт.

6

133-00034B

LEVER SUB ASS'Y

desc: LEVIER

2шт.

6A

110-00055A

BUSHING

desc: . DOUILLE

1шт.

6B

110-00053A

BUSHING

desc: . DOUILLE

1шт.

6C

110-00054A

BUSHING

desc: . DOUILLE

1шт.

7

137-00010A

LINK;OUT

SERIAL: 1001-1003

2шт.

7

137-00010A

LINK;OUT

SERIAL: 1004

1шт.

8

137-00011A

LINK;IN

desc: ARTICULATION

2шт.

9

133-00031A

LEVER;R.H

SERIAL: 1001-1003

1шт.

9

133-00031B

LEVER;R.H

SERIAL: 1004

1шт.

10

133-00032A

LEVER;L.H

SERIAL: 1001-1003

1шт.

10

133-00032B

LEVER;L.H

SERIAL: 1004

1шт.

11

137-00012A

LINK

desc: ARTICULATION

2шт.

11A

110-00051A

BUSHING

desc: . DOUILLE

2шт.

12

2114-1059D236

SHIM 1.0T

desc: CALE

10шт.

13

2114-1059D237

SHIM 2.0T

desc: CALE

4шт.

14

123-00077A

PIN

desc: BROUCHE

2шт.

15

S6710042

NIPPLE;GREASE

SERIAL: 1001-1003

22шт.

15

S6710041

NIPPLE;GREASE

SERIAL: 1004

22шт.

16

2114-1059D144

SHIM 1.0T

desc: CALE

4шт.

17

2114-1059D147

SHIM 2.0T

desc: CALE

4шт.

19

123-00074B

PIN(BUCKET - LINK)

desc: BROUCHE

2шт.

20

2180-1106BD30

SEAL;DUST

desc: PARE-POUSSIERES

8шт.

21

2180-1106BD8

SEAL;DUST

desc: PARE-POUSSIERES

12шт.

23

123-00254

PIN(LIFT ARM)

desc: BROUCHE

2шт.

24

2114-1059D66

SHIM

desc: CALE PL=1.0

4шт.

25

2114-1059D65

SHIM

desc: CALE PL=2.0

4шт.

26

4123-2400A

PIN(LIFT CYLINDER HEAD)

desc: BROCHE

4шт.

27

2180-1106BD9

SEAL;DUST

desc: PARE-POUSSIERES

20шт.

28

2114-1059D150

SHIM 1.0T

SERIAL: 1001-1023

8шт.

28

2114-1059D74

SHIM 1.0T

SERIAL: 1024

8шт.

29

2114-1059D153

SHIM 2.0T

SERIAL: 1001-1023

8шт.

29

2114-1059D7

SHIM 2.0T

SERIAL: 1024

8шт.

30

4123-2403B

PIN(LIFT CYLINDER ROD)

desc: BROCHE

2шт.

31

123-00173A

PIN(BUCKET CYLINDER ROD)

desc: BROUCHE

2шт.

32

2114-1059D238

SHIM 1.0T

desc: CALE

8шт.

33

2114-1059D239

SHIM 2.0T

desc: CALE

4шт.

34

2180-1106BD3

SEAL;DUST

desc: PARE-POUSSIERES

8шт.

35

160-00020

CAP

desc: CHAPEAU

22шт.

36

2180-1105D17

O-RING

desc: JOINT TORIQUE

2шт.

37

123-00076A

PIN

desc: BROUCHE

4шт.

38

123-00357A

PIN(LIFT ARM - BUCKET)

desc: BROUCHE

2шт.

39

S0521361

BOLT M16X2.0X35

desc: BOULON A 6 PANS

4шт.

40

114-00121A

WASHER;HARDEN

desc: RONDELLE

4шт.

41

S0514853

BOLT M12X1.75X20

desc: BOULON A 6 PANS

24шт.

42

4114-1953

WASHER

desc: RONDELLE

24шт.

43

137-00068

LINK;LOCK

SERIAL: 1004

1шт.

Выбрано товаров: 62