Запчасти Doosan Daewoo FRONT AXLE DIFFERENTIAL HOUSING HYDRAULIC PARTS

4
10
9
4
7
6
11
5
4
3
5
15
15
12
4
5
FIT
1:1
100%

Артикул

Название

Примечание

Количество

3

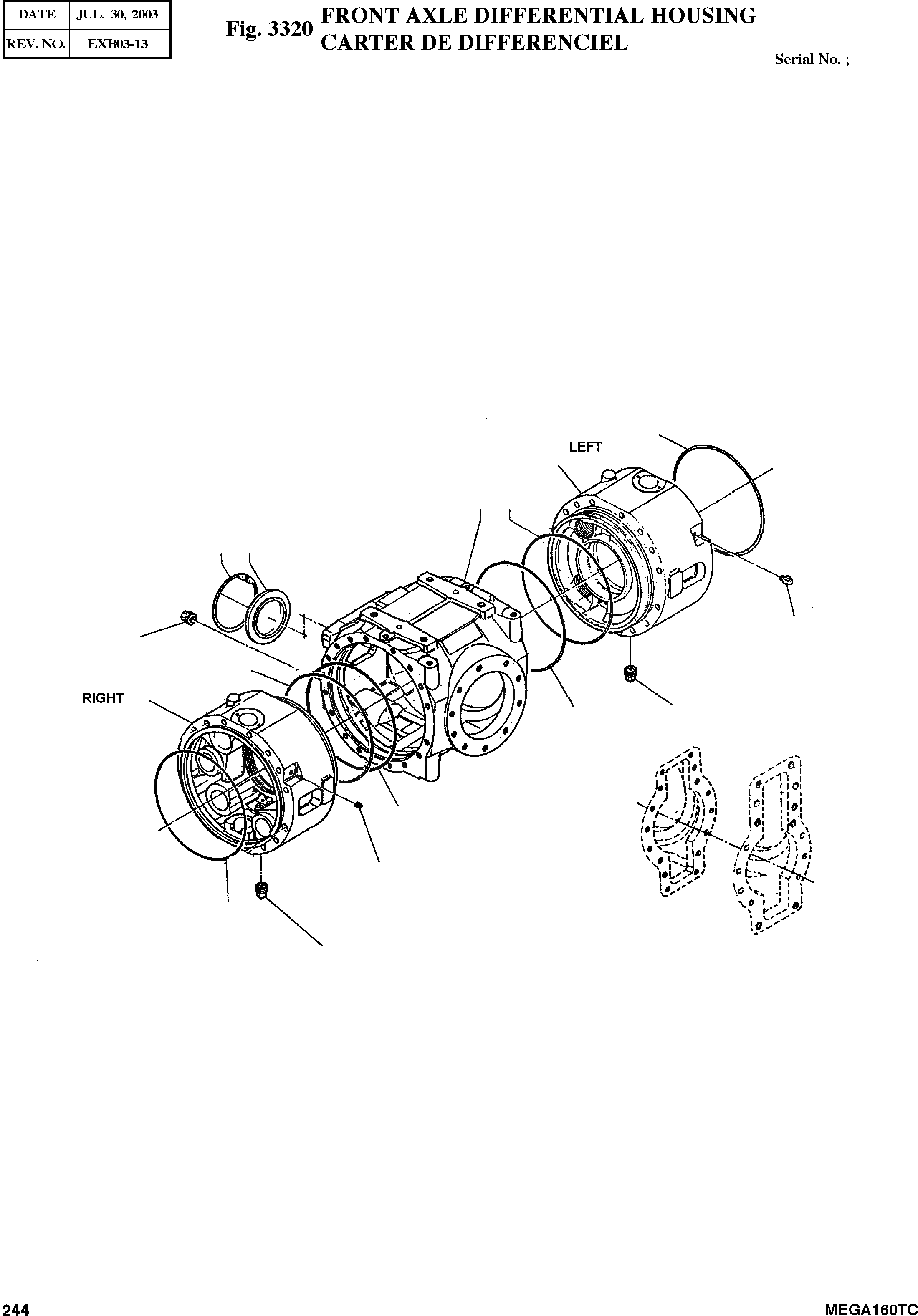
176.01.003.10

COVER;INTERMEDIATE

SERIAL: 1001-1026

1шт.

3

176.01.003.19

COVER;INTERMEDIATE

SERIAL: 1027

1шт.

4

176.07.029.01

O-RING

desc: JOINT TORIQUE

4шт.

5

819.01.610.01

PLUG;MAGNET

desc: BOUCHON MAGNETIQUE

3шт.

6

002.02.1429

RING;SNAP

desc: BAGUE D'ARRET

1шт.

7

176.01.035.01

PLUG

desc: BOUCHON

1шт.

9

176.01.001.09

HOUSING

desc: CARTER

1шт.

10

176.01.002.10

COVER;INTERMEDIATE

SERIAL: 1001-1026

1шт.

10

176.01.002.16

COVER;INTERMEDIATE

SERIAL: 1027

1шт.

11

702.01.003.01

VENT

desc: RENIFLARD

1шт.

12

016.14.1138

PLUG

desc: VIS DE FERMETURE

1шт.

15

176.07.029.02

O-RING

desc: JOINT TORIQUE

2шт.

Выбрано товаров: 12