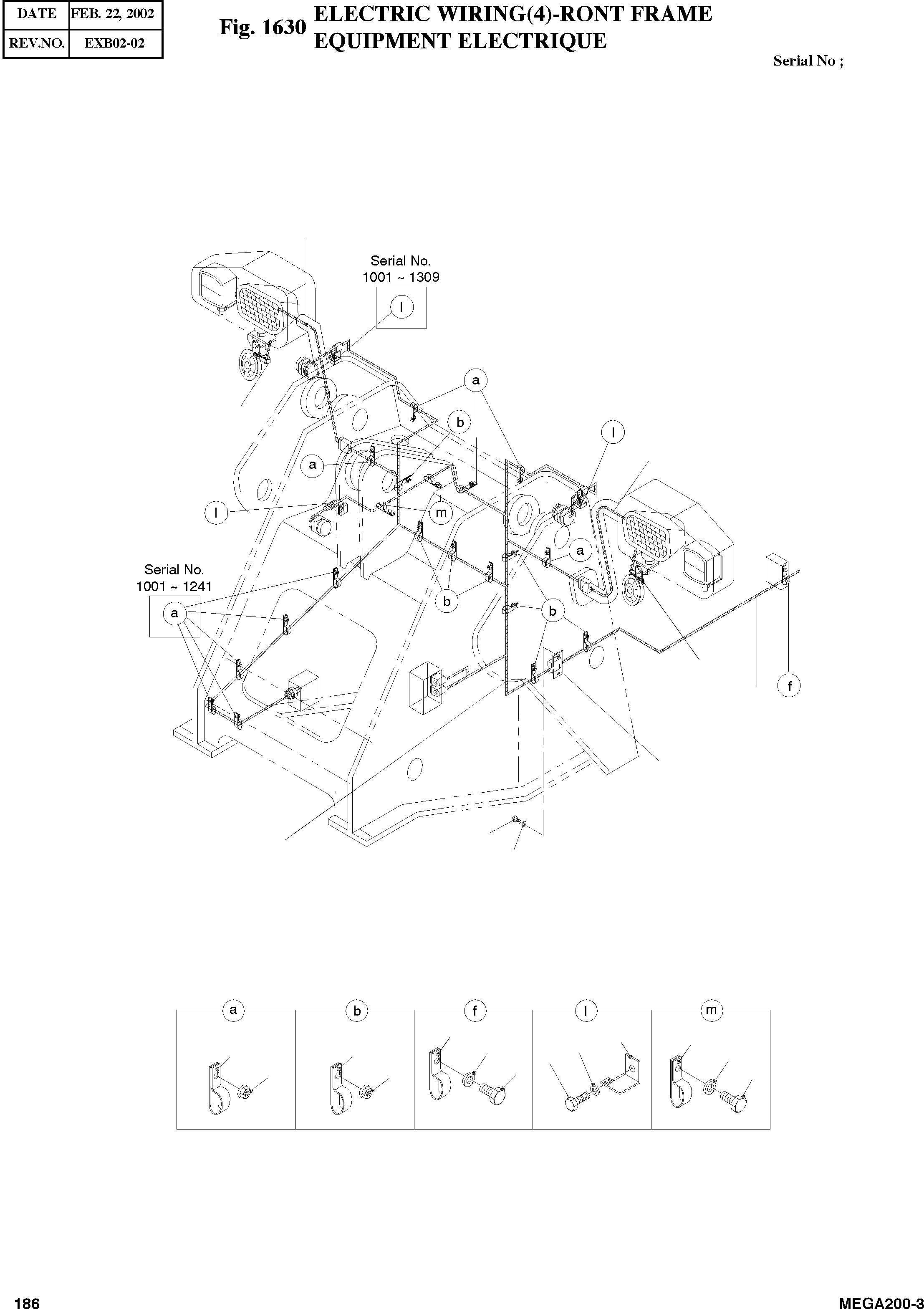
Запчасти Doosan Daewoo ELECTRIC WIRING(4)-FRONT FRAME BODY PARTS

6
21
41
35
18
17
6
35
5
22
4
23
37
20
23
29
35
36
22
28
40
40
FIT
1:1
100%

Артикул

Название

Примечание

Количество

-

4500-1221

ELECTRIC PARTS(3)

SC: D

-2шт.

4

4530-1697

HARNESS;FRONT FRAME

SERIAL: 1001-1052

1шт.

4

4530-1697A

HARNESS;FRONT FRAME

SERIAL: 1053-1210

1шт.

4

4530-1697B

HARNESS;FRONT FRAME

SERIAL: 1211-1241

1шт.

4

4530-1697C

HARNESS;FRONT FRAME

SERIAL: 1242

1шт.

5

4530-1527

HARNESS;JOINT

SERIAL: 1001-1103

1шт.

5

4530-1527A

HARNESS;JOINT

SERIAL: 1104

1шт.

6

4530-1581

HARNESS;HEAD LAMP/HORN

SERIAL: 1001-1235

2шт.

6

4530-1581A

HARNESS;HEAD LAMP/HORN

SERIAL: 1236

2шт.

17

S0511653

BOLT M10X1.5X16

desc: BOULON A 6 PANS M10X1.5X16

2шт.

18

S5102603

WASHER;SPRING M10

desc: RONDELLE ELASTIQUE M10

2шт.

20

2195-3500

BRACKET;HOUSING

SERIAL: 1001-1210

3шт.

20

2195-3500

BRACKET;HOUSING

SERIAL: 1211-1309

2шт.

20

2195-3500

BRACKET;HOUSING

SERIAL: 1310

1шт.

21

2197-1198

BRACKET;HOUSING

desc: SUPPORT

1шт.

22

S0504453

BOLT M6X1.0X12

SERIAL: 1001-1210

5шт.

22

S0504453

BOLT M6X1.0X12

SERIAL: 1211-1309

4шт.

22

S0504453

BOLT M6X1.0X12

SERIAL: 1310

3шт.

23

S5102303

WASHER;SPRING M6

SERIAL: 1001-1210

5шт.

23

S5102303

WASHER;SPRING M6

SERIAL: 1211-1309

4шт.

23

S5102303

WASHER;SPRING M6

SERIAL: 1310

3шт.

28

S0508653

BOLT M8X1.25X16

desc: BOULON A 6 PANS

1шт.

29

S5102503

WASHER;SPRING M8

desc: RONDELLE ELASTIQUE M8

1шт.

35

2124-1509D1

CLIP d12/M8

SERIAL: 1001-1210

12шт.

35

2124-1509D1

CLIP d12/M8

SERIAL: 1211-1241

11шт.

35

2124-1509D1

CLIP d12/M8

SERIAL: 1242

6шт.

36

2124-1509D2

CLIP d18/M8

SERIAL: 1001-1102

7шт.

36

2124-1509D2

CLIP d18/M8

SERIAL: 1103

8шт.

37

2124-1509D3

CLIP d24/M8

desc: ATTACHE

1шт.

40

2121-1305

NUT M8X1.25

SERIAL: 1001-1102

17шт.

40

2121-1305

NUT M8X1.25

SERIAL: 1103-1210

18шт.

40

2121-1305

NUT M8X1.25

SERIAL: 1211-1241

17шт.

40

2121-1305

NUT M8X1.25

SERIAL: 1242

12шт.

41

2124-1509D9

CLIP d10/M10

desc: ATTACHE

2шт.

Выбрано товаров: 34