Качественные детали и логистика
Оригинальные и аналоговые запчасти с доставкой по России, Казахстану и Беларуси
©2022 PartSell ООО "Система" ИНН 2463123282 ОГРН 1212400004838
Центральный офис: г. Красноярск, Академика Киренского, д.87, пом.4
Телефон: 8 (800) 777-65-74 Email: zakaz@partsell.ru
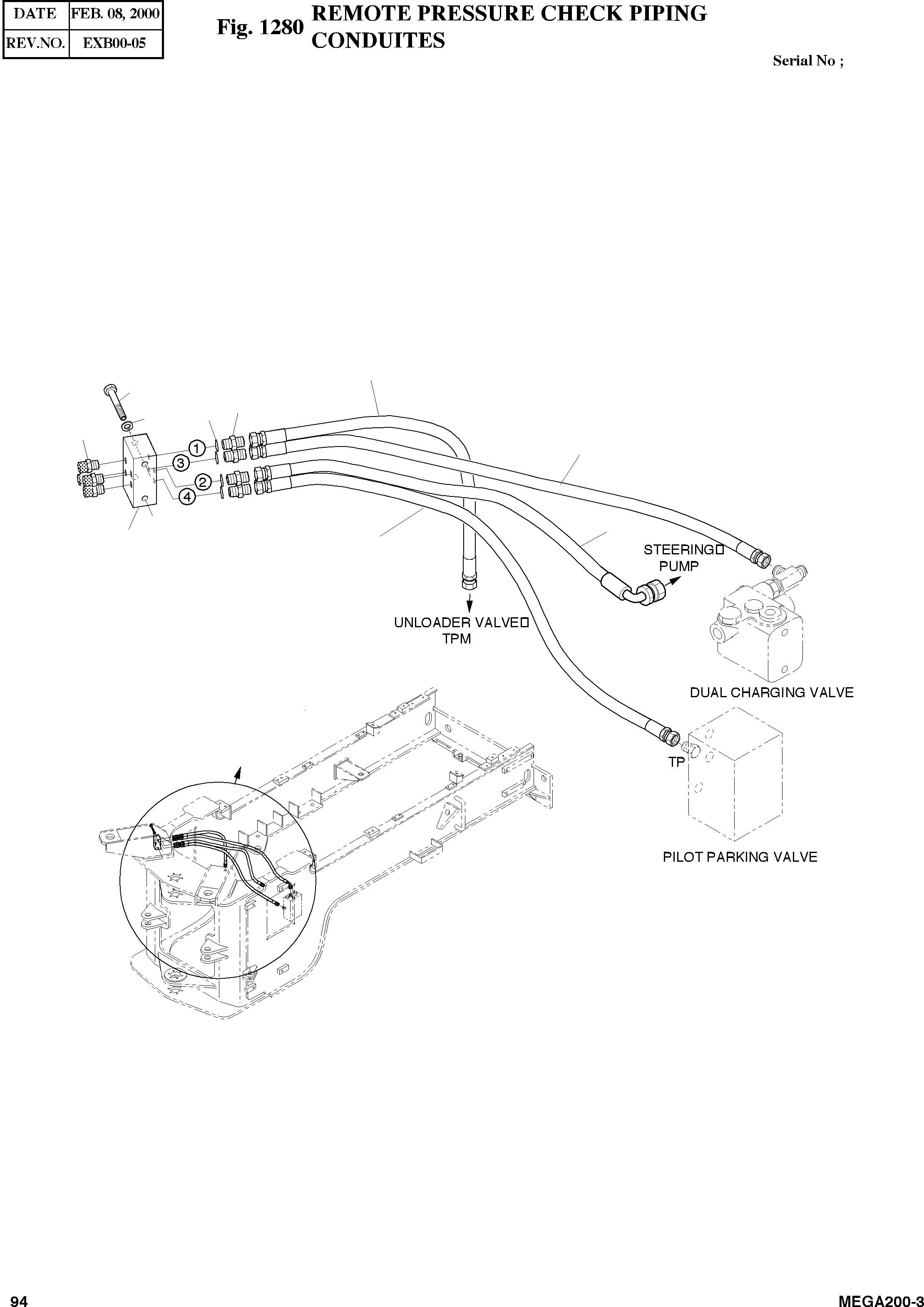
REMOTE PRESSURE CHECK PIPING
№
Артикул
Название
Примечание
Количество
-
4400-1960
SC: D
-2шт.
1
4423-1451
BLOCK
desc: BLOC
1шт.
2
S0559153
BOLT M10X1.5X80
desc: BOULON A 6 PANS
2шт.
3
S5102603
WASHER;SPRING M10
desc: RONDELLE ELASTIQUE M10
4
2184-1026D263
HOSE 600L
desc: TUYAU FLEXIBLE
5
2120-9008
SCREW;COUPLING
SERIAL: 1001-1181
4шт.
120-00002
SERIAL: 1182
6
2184-1026D38
HOSE 1100L
desc: TUYAU
7
2184-1026D355
HOSE 1000L
SERIAL: 1001-1185
2184-1026D350
HOSE 1200L
SERIAL: 1186
8
2181-1126D14
ADAPTER PFO1/4-PF1/4
desc: RACCORD ADAPTATEUR
9
S8000111
O-RING PF1/4
desc: JOINT TORIQUE
10
2184-1036D59
Выбрано товаров: 0