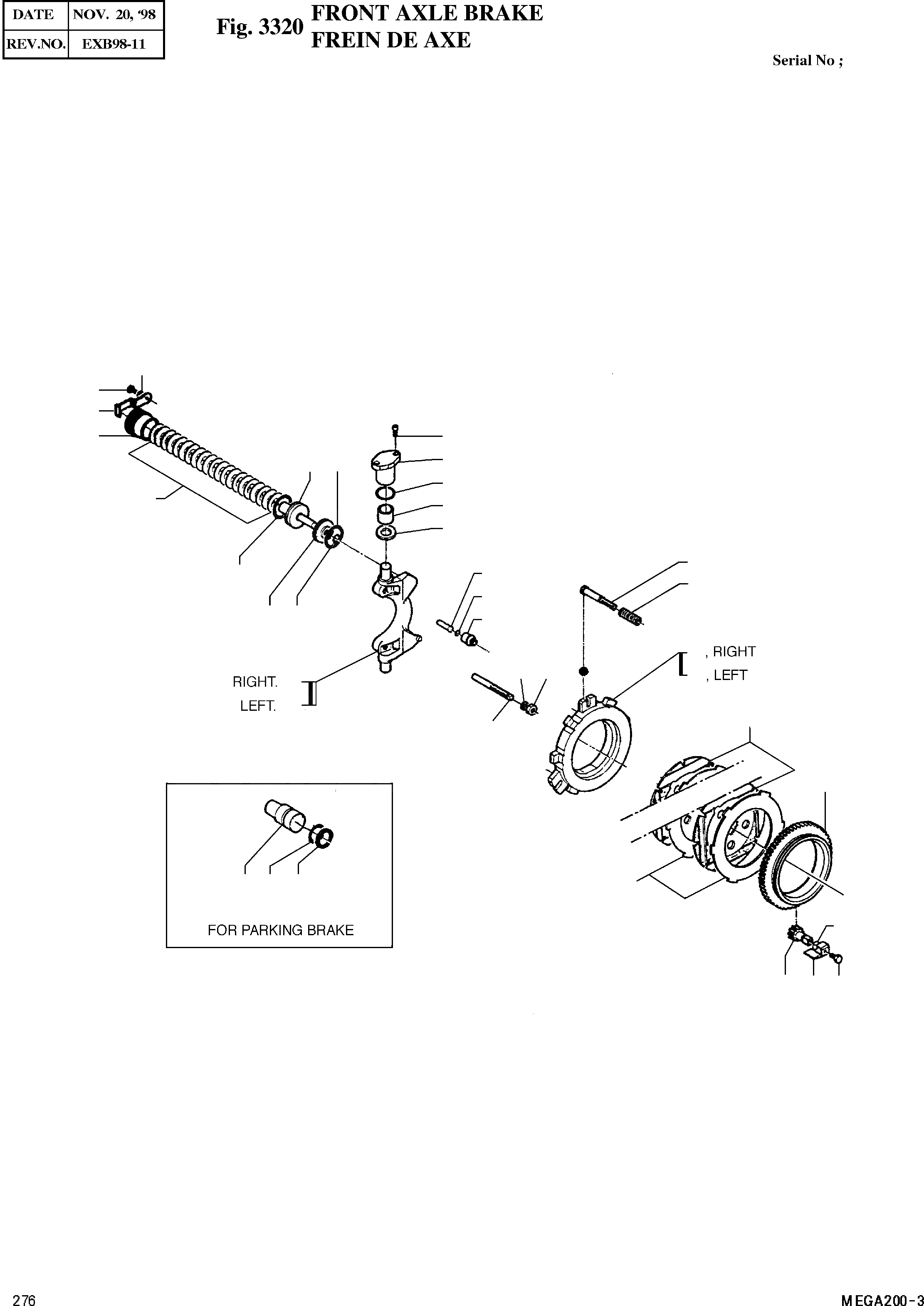
Запчасти Doosan Daewoo FRONT AXLE BRAKE HYDRAULIC PARTS

39
38
37
36
3
4
1
2
5
35
6
7
16
34
12
15
11
32
33
10
14
8
9
13
31
30
19
26
20
29
28
27
25
21
24
23
22
FIT
1:1
100%

Артикул

Название

Примечание

Количество

1

176.07.007.03

PISTON

desc: PISTON

4шт.

2

001.05.1420

O-RING

desc: JOINT TORIQUE

4шт.

3

016.05.1026

CYLINDER BOLT

desc: BOULON DE CULASSE

8шт.

4

176.07.016.02

REDUCTION BUSING

desc: MANCHON DE REDUCTION

4шт.

5

001.05.1494

O-RING

desc: JOINT TORIQUE

4шт.

6

005.32.1525

BUSHING

desc: BOUCHON

4шт.

7

005.35.1524

WASHER;FRICTION

desc: RONDELLE

4шт.

8

011.13.1227

WASHER;LOCK

desc: RONDELLE

2шт.

9

006.05.0694

NUT

desc: ECROU

2шт.

10

171.07.021.02

PLUG

desc: BOUCHON

4шт.

11

001.05.1238

O-RING

desc: JOINT TORIQUE

4шт.

12

171.07.020.02

PUSHER

desc: BROUCHE

4шт.

13

176.07.003.07

DISC

desc: DISQUE

1шт.

14

176.07.002.07

DISC

desc: DISQUE

1шт.

15

176.07.006.01

SPRING

desc: RESSORT

6шт.

16

176.07.019.01

STEERING ADJUST BOLT

desc: VIS D'ARRET BRAQUAGE

6шт.

19

734.07.610.02

BRAKE DISC

desc: DISQUE

10шт.

20

176.07.048.01

RING

desc: BAGUE

2шт.

21

001.05.1526

O-RING

desc: JOINT TORIQUE

2шт.

22

016.01.0794

HEXAGON BOLT

desc: BOULON A 6 PANS

2шт.

23

176.07.023.01

LOCKING PLATE

desc: TOLE DE SECURITE

2шт.

24

176.07.021.01

PINION

desc: PIGNON

2шт.

25

734.07.004.02

BRAKE DISC

desc: DISQUE

10шт.

26

176.07.022.01

ADJUSTING BOLT

desc: VIS DE REGLAGE

2шт.

27

176.07.010.01

RING;BACK UP

desc: BAGUE DE SOUTIEN

6шт.

28

176.07.015.01

O-RING

desc: JOINT TORIQUE

6шт.

29

176.07.004.02

PISTON

desc: PISTON

6шт.

30

176.07.014.05

LEVER

desc: LEVIER

1шт.

31

176.07.014.06

LEVER

desc: LEVIER

1шт.

32

001.05.0790

O-RING

desc: JOINT TORIQUE

4шт.

33

176.07.012.01

PLUG

desc: BOUCHON

4шт.

34

001.05.1450

O-RING

desc: JOINT TORIQUE

4шт.

35

176.07.046.01

SPRING

desc: RESSORT

96шт.

36

176.07.008.02

CYLINDER

desc: CYLINDRE

4шт.

37

176.07.013.01

LOCKING PLATE

desc: TOLE DE SECURITE

4шт.

38

016.01.1495

BOLT

desc: BOULON A 6 PANS

2шт.

39

011.05.0232

WASHER;LOCK

desc: RONDELLE

4шт.

Выбрано товаров: 37