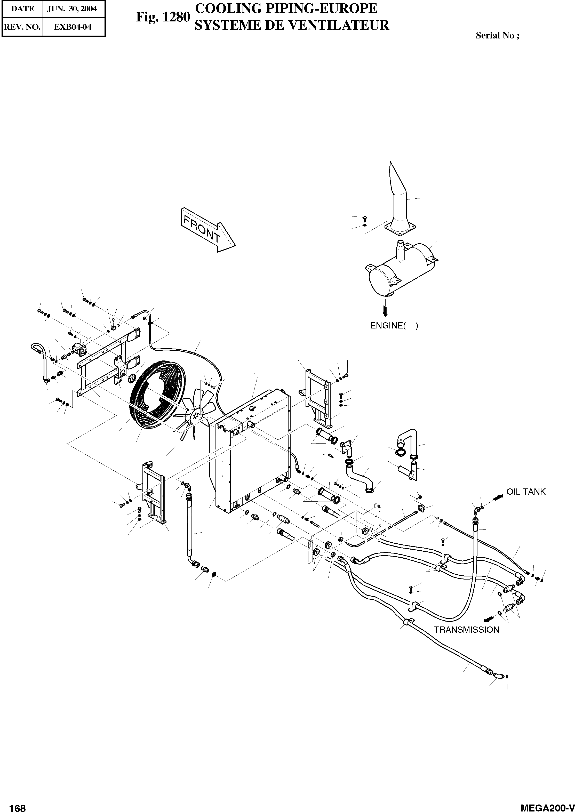
Запчасти Doosan Daewoo COOLING PIPING-EUROPE BODY PARTS

1A
1B
81
83
82
80
52
3
4
10
70
8
48
51
76
3
9
50
75
49
67
4
79
68
11
45
61
46
53
31
72
6
65
3
4
47
39
1
36
69
43
44
2
66
62
3
7
2
4
3
4
12
55
77
15
13
16
78
13
63
16
64
50
17
56
50
14
69
13
12
36
39
35
4
3
36
19
19
19
72
32
18
32
13
34
33
23
22
2
19
3
54
74
18
29
19
71
57
5
69
4
40
60
39
73
50
59
37
73
21
69
20
39
58
42
25
37
24
26
27
37
28
30
41
FIT
1:1
100%

Артикул

Название

Примечание

Количество

-

400-00851

COOLER PIPING(OPT.)

SC: D

-2шт.

1

202-00085A

RADIATOR

SERIAL: 1001-1030

1шт.

1

202-00085B

RADIATOR

SERIAL: 1031

1шт.

1A

20600801

RADIATOR

desc: . RADIATEUR

1шт.

1B

21801170

OIL COOLER;HYD

desc: . REFROIDISSEMENT DE HUILE

1шт.

2

S0560453

BOLT M12X1.75X35

desc: BOULON A 6PANS

6шт.

3

S5102703

WASHER;SPRING M12

desc: RONDELLE ELASTIQUE

20шт.

4

2114-1058D46

WASHER;PLAIN

desc: RONDELLE

20шт.

5

195-01828B

BRACKET;R.H

SERIAL: 1001-1060

1шт.

5

195-01828C

BRACKET;R.H

SERIAL: 1061-1128

1шт.

5

195-01828E

BRACKET;R.H

SERIAL: 1129

1шт.

6

195-01829B

BRACKET;L.H

SERIAL: 1001-1060

1шт.

6

195-01829C

BRACKET;L.H

SERIAL: 1061-1128

1шт.

6

195-01829E

BRACKET;L.H

SERIAL: 1129

1шт.

7

195-01831C

BRACKET

SERIAL: 1001-1128

1шт.

7

195-01831E

BRACKET

SERIAL: 1129

1шт.

8

S5102603

WASHER;SPRING M10

desc: RONDELLE ELASTIQUE

4шт.

9

2114-1058D45

WASHER;PLAIN

desc: RONDELLE ELASTIQUE

4шт.

10

S0558553

BOLT M10X1.5X50

desc: BOULON A 6PANS

4шт.

11

401-00293

MOTOR;FAN

desc: MOTEUR

1шт.

12

2185-1002D149

HOSE

desc: TUYAU FLEXIBLE

2шт.

13

S8450044

CLAMP;HOSE

desc: COLLIER

6шт.

14

182-00105A

PIPE;E/G

desc: CONDUITE

1шт.

15

4185-4062

HOSE;E/G BOTTOM

desc: TUYAU FLEXIBLE

1шт.

16

S8450053

CLAMP;HOSE

desc: COLLIER

2шт.

17

185-00295

HOSE;E/G TOP

desc: TUYAU FLEXIBLE

1шт.

18

2181-1126D25

ADAPTER;S PFO1-PF1

desc: ADAPTEUR

2шт.

19

S8000291

O-RING

desc: JONT TORIQUE

5шт.

20

181-00078D6

ADAPTER PF1-PF1

desc: ADAPTEUR

1шт.

21

121-00010D6

NUT PF1

desc: ECROU

1шт.

22

2181-1126D7

ADAPTER PFO3/8-PF3/8

desc: ADAPTEUR

1шт.

23

S8000141

O-RING

desc: JONT TORIQUE

1шт.

24

DS2059407

HOSE PF1-1600L

desc: TUYAU FLEXIBLE

1шт.

25

2184-1036D289

HOSE PF1-1500L

desc: TUYAU FLEXIBLE

1шт.

26

2181-1126D67

ADAPTER;LONG

desc: ADAPTEUR

2шт.

27

S8040161

O-RING

desc: JONT TORIQUE

2шт.

28

DS2054213

HOSE PF1-2100L

desc: TUYAU FLEXIBLE

1шт.

29

DS2053742

HOSE PF1-2100L

desc: TUYAU FLEXIBLE

1шт.

30

2181-2419D8

ELBOW PFO3/4-PF1

desc: COUDE

1шт.

31

S8000231

O-RING

desc: JONT TORIQUE

1шт.

32

2181-1702D11

ELBOW PFO1-PF1

desc: COUDE

2шт.

33

2184-1026D324

HOSE PF3/8-900L

desc: TUYAU FLEXIBLE

1шт.

34

181-00341A

COCK ASS'Y

desc: ROBINET

1шт.

35

S0508653

BOLT M8X1.25X16

desc: BOULON A 6PANS

2шт.

36

S5102503

WASHER;SPRING M8

desc: RONDELLE ELASTIQUE

10шт.

37

2124-1509D7

CLIP;HOSE

desc: ATTACHE

4шт.

39

S5010513

WASHER;PLAIN M8

desc: RONDELLE M8

10шт.

40

2181-1126D110

ADAPTER;LONG PFO1-PF1

desc: ADAPTEUR

1шт.

41

S8000241

O-RING

desc: JONT TORIQUE

1шт.

42

S5011603

WASHER;PLAIN M33

desc: RONDELLE

1шт.

43

153-00003

COUPLER;QUICK PT3/4

desc: RAPIDE COUPLEUR

1шт.

44

2181-1110D4

ADAPTER PT3/4-PF3/4

desc: ADAPTEUR

1шт.

45

181-00623

ADAPTER PF3/4-PFS3/4

desc: ADAPTEUR

1шт.

46

S8180451

SEAL;RING PF3/4

desc: BAGUE D'ETANCHEITE

1шт.

47

181-00606

NIPPLE;QUICK PT3/4

desc: GRAISSEUR

1шт.

48

181-00620

ADAPTER PFS1/2-3/16UNF

desc: ADAPTEUR

1шт.

49

S8180321

SEAL;RING PF1/2

desc: BAGUE D'ETANCHEITE

1шт.

50

S8030081

O-RING

desc: JONT TORIQUE

4шт.

51

120-00002

SCREW COUPLING M10X1.0

desc: VIS

1шт.

52

S0515053

BOLT M12X1.75X25

desc: BOULON A 6PANS

4шт.

53

2181-1126D150

ADAPTER PF3/4-PFO3/4

desc: ADAPTEUR

1шт.

54

S5011113

WASHER;PLAIN M22

desc: RONDELLE

1шт.

55

182-00107B

PIPE

desc: CONDUITE

1шт.

56

181-00128D3

ADAPTER

desc: ADAPTEUR

1шт.

57

121-00010D5

NUT

desc: ECROU

1шт.

58

2181-4133D3

ADAPTER PFO1/2-UNF3/16

desc: ADAPTEUR

1шт.

59

S8000181

O-RING

desc: JONT TORIQUE

1шт.

60

DS2012165

HOSE

desc: TUYAU FLEXIBLE

1шт.

61

DS2012163

HOSE

desc: TUYAU FLEXIBLE

1шт.

62

2184-1036D342

HOSE PF3/4-600L

desc: TUYAU FLEXIBLE

1шт.

63

2120-2196D1

BOLT;SET M10X1.5X20

desc: BOULON A 6PANS

4шт.

64

920-00075

FAN

desc: VENTENT

1шт.

65

219-00009A

HUB

desc: PIVOT

1шт.

66

195-02024

BRACKET

desc: SUPPORT

1шт.

67

S2209066

BOLT;SOCKET M8X1.25X25

desc: BOULON A 6PANS

4шт.

68

S5110503

WASHER;SPRING M8

desc: RONDELLE ELASTIQUE

4шт.

69

S0508853

BOLT M8X1.25X20

desc: BOULON A 6PANS

10шт.

70

S0560753

BOLT M12X1.75X50

desc: BOULON A 6PANS

4шт.

71

DS2055740

HOSE PF1-930L

desc: TUYAU FLEXIBLE

1шт.

72

S0560553

BOLT M12X1.75X40

desc: BOULON A 6PANS

6шт.

73

160-00047

RUBBER

desc: CAOUTCHOUC

3шт.

74

160-00042

RUBBER

desc: CAOUTCHOUC

1шт.

75

124-00208D3

CLIP

desc: CLIP

1шт.

76

S4012533

NUT

desc: ECROU

1шт.

77

142-00076

FAN GUARD ASS'Y

desc: GARDE

1шт.

78

2160-1023

TRIM;RUBBER 2300L

desc: EPONGE

1шт.

79

201-00101

ENGINE ASS'Y(DB58TI)

desc: MOTE

1шт.

80

203-00059A

MUFFLER

desc: CILENCIEUX

1шт.

81

203-00055

PIPE;TAIL

desc: TUYAU

1шт.

82

2114-1898D9

WASHER

desc: RONDELLE

4шт.

83

2120-2166D35

BOLT M12X1.75X35

desc: BOULON A 6PANS

4шт.

Выбрано товаров: 91