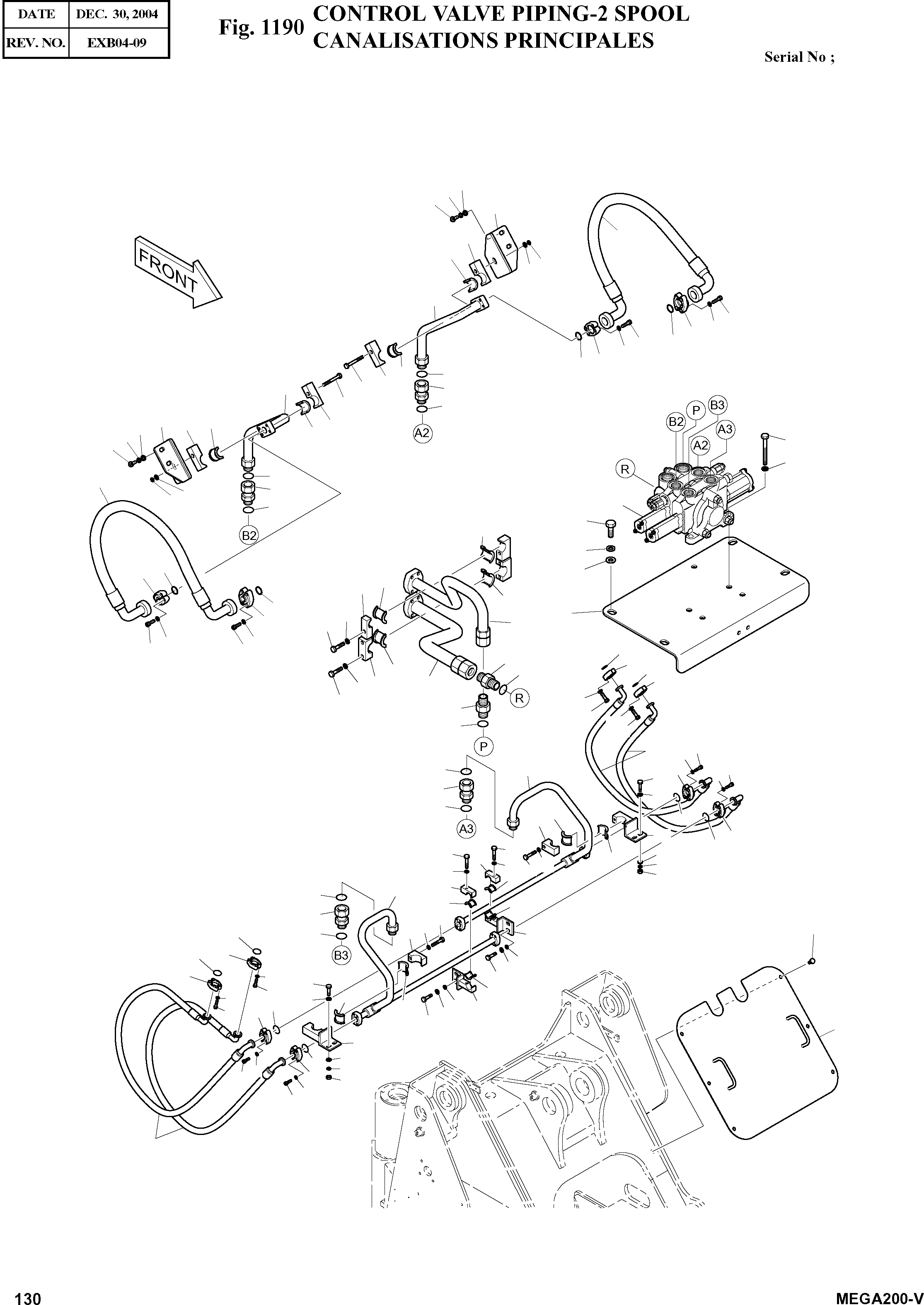
Запчасти Doosan Daewoo CONTROL VALVE PIPING-2 SPOOL BODY PARTS

25
13
33
28
36
33
35
15
43
16
17
33
36
8
28
25
27
24
28
25
27
24
20
17
44
40
7
19
18
40
14
17
16
36
44
17
33
32
35
33
20
48
19
36
33
1
18
29
47
31
24
27
30
47
49
10
24
2
33
27
4
38
25
25
24
28
28
23
27
24
21
10
27
11
3
33
25
38
22
28
21
28
28
41
25
6
27
20
28
25
45
19
36
18
17
16
24
27
24
34
36
34
16
17
33
33
34
33
46
17
16
5
20
17
17
19
34
37
33
16
24
18
13
27
24
36
33
27
25
35
45
28
17
17
25
36
24
36
17
13
27
33
35
9
12
36
24
33
25
28
27
46
25
28
42
FIT
1:1
100%

Артикул

Название

Примечание

Количество

-

400-00559

CONTROL VALVE PIPING(STD.)

SC: D

-2шт.

1

420-00144

VALVE;CONTRO (2-SPOOL)

desc: VANNE

1шт.

2

195-01320

SUPPORT;CONTROL V/V

desc: SUPPORT

1шт.

3

193-00571

PIPE;RETURN

desc: CONDUITE

1шт.

4

193-00572

PIPE;PUMP

desc: CONDUITE

1шт.

5

193-00585

PIPE;BOOM RAISE

desc: CONDUITE

1шт.

6

193-00586

PIPE;BOOM DOWN

desc: CONDUITE

1шт.

7

193-00587

PIPE;BUCKET CROWD

desc: CONDUITE

1шт.

8

193-00588

PIPE;BUCKET DUMP

desc: CONDUITE

1шт.

9

621-01363

COVER

desc: COUVERCLE

1шт.

10

2161-2481

RUBBER

desc: CAOUTCHOUC

2шт.

11

191-00364

CLAMP;PIPE

desc: COLLIER

1шт.

12

195-00604A

BRACKET

desc: SUPPORT

1шт.

13

195-01344

BRACKET

desc: SUPPORT

3шт.

14

195-01146A

BRACKET

desc: SUPPORT

1шт.

15

195-01147A

BRACKET

desc: SUPPORT

1шт.

16

2124-1601A

CLAMP;PIPE

desc: ATTACHE DE TUYAU

2шт.

17

2161-2250A

RUBBER

desc: CAOUTCHOUC

12шт.

18

S8040141

O-RING

desc: JONT TORIQUE

6шт.

19

2181-2566D11

ADAPTER

desc: ADAPTEUR

6шт.

20

S8030121

O-RING

desc: JONT TORIQUE

6шт.

21

S8040161

O-RING

desc: JONT TORIQUE

2шт.

22

2181-1126D5

ADAPTER

desc: ADAPTEUR

1шт.

23

2181-1126D151

ADAPTER

desc: ADAPTEUR

1шт.

24

2180-1026D2

O-RING

desc: JONT TORIQUE

14шт.

25

S5110603

WASHER;SPRING M10

desc: RONDELLE ELASTIQUE

56шт.

27

2181-9079

FLANGE;SPLIT

desc: FLASQUE EN DEUX PARTIES

24шт.

28

S2212266

BOLT;SOCKET M10X1.5X30

desc: BOULON A 6PANS

56шт.

29

S0521356

BOLT M16X2.0X35

desc: BOULON A 6PANS

4шт.

30

S5010913

WASHER;PLAIN M16

desc: RONDELLE PLATE

4шт.

31

S5102903

WASHER;SPRING M16

desc: RONDELLE ELASTIQUE

4шт.

32

S2215266

BOLT;SOCKET M12X1.75X30

SERIAL: 1001-1152

3шт.

32

S2215466

BOLT;SOCKET M12X1.75X40

SERIAL: 1153

3шт.

33

S5102703

WASHER;SPRING M12

desc: RONDELLE ELASTIQUE

24шт.

34

S0560653

BOLT M12X1.75X45

desc: BOULON A 6PANS

4шт.

35

S0515053

BOLT M12X1.75X20

desc: BOULON A 6PANS

8шт.

36

2114-1058D46

WASHER;PLAIN

desc: RONDELLE

18шт.

37

2120-2196D1

BOLT;SET M10X1.5X20

desc: BOULON A 6PANS

6шт.

38

S0561053

BOLT M12X1.75X65

desc: BOULON A 6PANS

3шт.

40

S0561053

BOLT M12X1.75X65

desc: BOULON A 6PANS

2шт.

41

2184-1250D106

HOSE

desc: TUYAU FLEXIBLE

2шт.

42

2184-1250D105

HOSE

desc: TUYAU FLEXIBLE

2шт.

43

DS2045294

HOSE

desc: TUYAU FLEXIBLE

1шт.

44

124-00181

CLAMP;PIPE

desc: COLLIER

2шт.

45

S0560753

BOLT M12X1.75X50

desc: BOULON A 6PANS

4шт.

46

S4012733

NUT M12X1.75

desc: ECROU

4шт.

47

2161-2267A

RUBBER

desc: CAOUTCHOUC

2шт.

48

DS2045295

HOSE

desc: TUYAU FLEXIBLE

1шт.

49

124-00225

CLAMP;PIPE

desc: COLLIER

1шт.

Выбрано товаров: 49