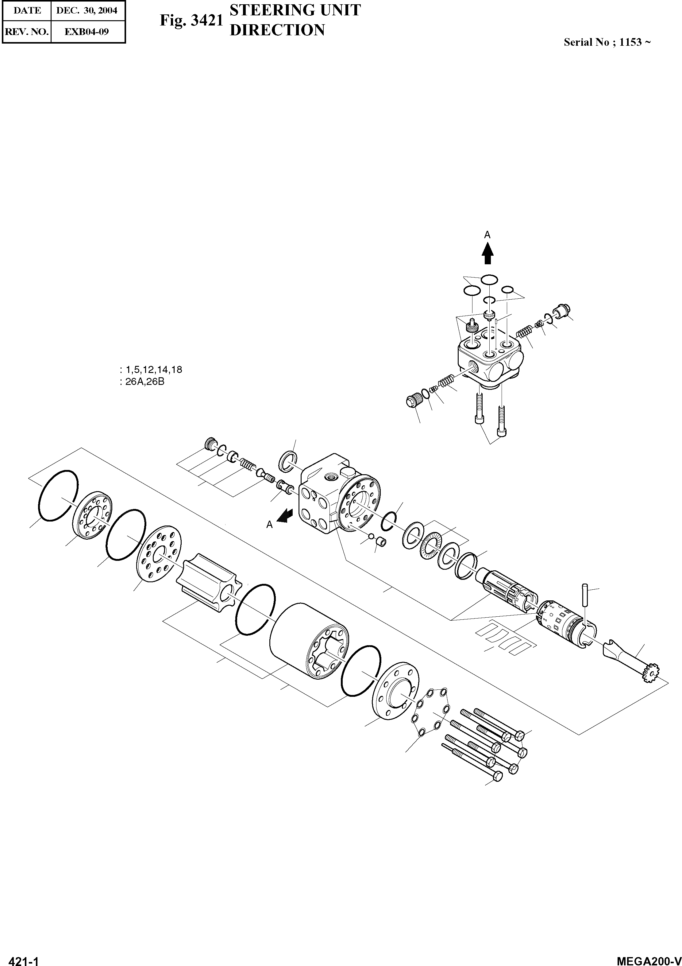
Запчасти Doosan Daewoo STEERING UNIT HYDRAULIC PARTS

26A
26B
27
33
32
31
30
29
25
26
29
30
31
32
1
28
24
5
2
6
12
7
3
13
4
14
8
2
15
10
9
16
14
21
17
18
20
FIT
1:1
100%

Артикул

Название

Примечание

Количество

-

4420-9555

UNIT;STEERING

SERIAL: 1153

1шт.

1

633B9002

RING;DUST SEAL

desc: BAGUE

1шт.

2

-

HOUSING SPOOL

SC: D

1шт.

3

689X1031

BALL

desc: BILLE

1шт.

4

150-0304

BUSHING;THREAD

desc: MANCHON

1шт.

5

150N4014

O-RING

desc: JOINT TORIQUE

1шт.

6

150-4262

BEARING ASS'Y

desc: PALIER

1шт.

7

150-0310

RING

desc: BAGUE

1шт.

8

150-0305

PIN;CROSS

desc: BROCHE

1шт.

9

150N4018

SET OF SPRINGS

desc: VIS DE REGLAGE

1шт.

10

150-0844

SHAFT;CARDON

desc: TOURNEVIS EN CROIX

1шт.

12

633B1202

O-RING

desc: JOINT TORIQUE

1шт.

13

150-1591

PLATE;INTERMEDIATE

desc: INTERMEDIATE PLATE

1шт.

14

633B1173

O-RING

desc: JOINT TORIQUE

3шт.

15

150N0610

PLATE;PISTRIBUTOR

desc: PLAQUE

1шт.

16

150-4195

GEARWHEEL SET

desc: ENSEMBLE DE PIGNON

1шт.

17

150-0328

COVER;END

desc: COUVERCLE

1шт.

18

684X2481

WASHER

desc: RONDELLE

7шт.

20

150-1580

SCREW WITH PIN

desc: VIS

1шт.

21

681X1487

SCREW

desc: VIS

6шт.

24

150-4281

COMPLETE RELIEF VALVE

desc: CLAPET DE DECHARGE

1шт.

25

150N4042

SPARE KIT

desc: KIT DE REPARATION

1шт.

26

152-4066

SET OF O-RINGS

desc: VIS DE REGLAGE

1шт.

27

682L3024

PIN

desc: BROCHE

1шт.

28

681X1625

SCREW

desc: VIS

2шт.

29

155L1166

VALVE;SHOCK

desc: SOUPAPE

2шт.

30

115L1358

SPRING

desc: RESSORT

2шт.

31

633B1813

O-RING

desc: JOINT TORIQUE

2шт.

32

155L1369

PLUG

desc: BOUCHON

2шт.

33

-

HOUSING

SC: D

1шт.

Выбрано товаров: 30