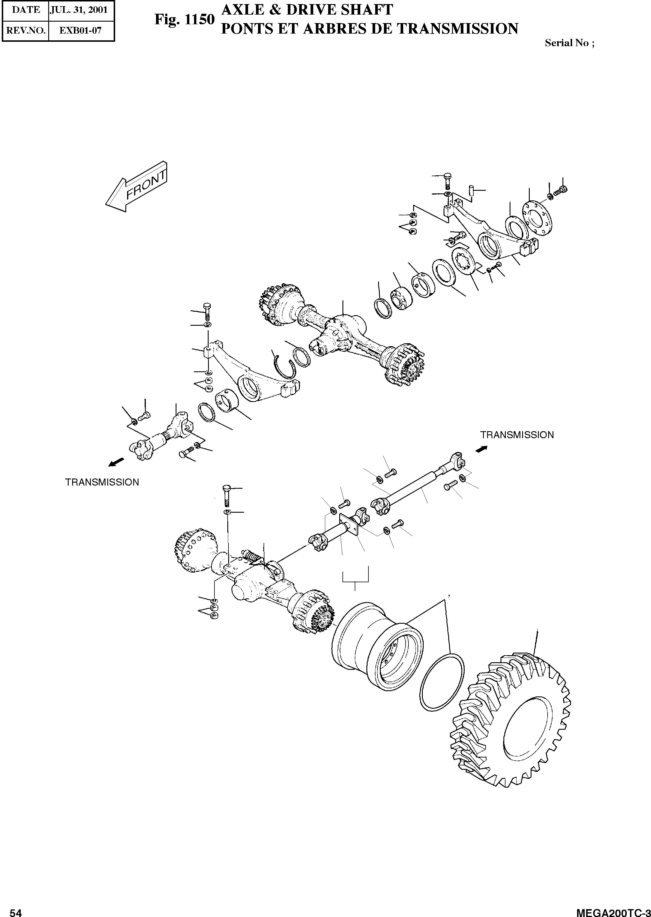
Запчасти Doosan Daewoo AXLE & DRIVE SHAFT BODY PARTS

45
5
21
44
10
6
42
6
7
45
21
46
36
33
43
41
48
31
35
42
5
6
43
47
34
6
7
18
17
22
37
43
18
22
22
18
18
38
22
22
18
16
14
30
20
21
32-1
32-2
39
51
14
32
13
23
FIT
1:1
100%

Артикул

Название

Примечание

Количество

-

4211-1011F5

AXLE & DRIVE SHAFT ASS'Y

SC: D

-2шт.

5

S0571561

BOLT M20X2.5X140

desc: BOULON A 6 PANS

8шт.

6

4114-4116

WASHER;HARD M20

desc: RONDELLE

16шт.

7

S4013133

NUT M20X2.5

desc: ECROU

16шт.

10

4123-2275A

PIN;DOWEL D30X51

desc: GOUJON

2шт.

13

S4013233

NUT M22X2.5

desc: ECROU

16шт.

14

4114-4117

WASHER;HARD M22

desc: RONDELLE

16шт.

16

4260-9040

DRIVE SHAFT;CENTER

desc: AXE

1шт.

16-1

101-PT81

NIPPLE

desc: . GRAISSEUR

1шт.

16-2

100-6C

JOURNAL BEARING

desc: . PALIER

2шт.

17

4260-9038

DRIVE SHAFT;REAR

desc: AXE

1шт.

17-1

101-M6

NIPPLE

desc: . GRAISSEUR

1шт.

17-2

100-5C

JOURNAL BEARING

desc: . PALIER

2шт.

18

4120-4016

BOLT 3/8UNF

desc: BOULON A 6 PANS

20шт.

20

S0565051

BOLT M16X2.0X40

desc: BOULON A 6 PANS

2шт.

21

S5102901

WASHER;SPRING M16

desc: RONDELLE ELASTIQUE M16

18шт.

22

4114-1701

WASHER;SPRING

desc: RONDELLE ELASTIQUE

20шт.

23

4276-9017

TIRE(17.5X25XL2)

desc: PNEU INTERIEUR

4шт.

30

4211-9057A

AXLE;FRONT

SERIAL: 1001-1024

1шт.

30

4211-9057B

AXLE;FRONT

SERIAL: 1025

1шт.

31

4211-9058A

AXLE;REAR

SERIAL: 1001-1024

1шт.

31

4211-9058B

AXLE;REAR

SERIAL: 1025

1шт.

32

4260-9050

DRIVE SHAFT;FRONT

desc: AXE

1шт.

32-1

100-6C

JOURNAL BEARING

desc: . PALIER

1шт.

32-2

700-UCF211

FLANGE BEARING

desc: . GRAISSEUR

1шт.

33

4197-2313

PIVOT BEARING;REAR

desc: PALIER

1шт.

34

4197-2314

PIVOT BEARING;FRONT

desc: PALIER

1шт.

35

4222-1014

DISC

desc: DISQUE

1шт.

36

4112-1260

PIVOT SHAFT

desc: ARBRE

1шт.

37

4110-1405

BUSH

desc: COUSSINET

1шт.

38

S0574461

BOLT M22X2.5X200

desc: BOULON A 6 PANS

8шт.

39

4278-9049

RIM 13.0X25

desc: VOLANT

4шт.

41

S0561761

BOLT M12X1.75X100

desc: BOULON A 6 PANS

8шт.

42

4114-1815

WASHER;THRUST

desc: RONDELLE

2шт.

43

4180-9185

SEAL;OIL

desc: JOINT

3шт.

44

4621-3580

COVER

desc: COUVERCLE

1шт.

45

S0565261

BOLT M16X2.0X50

desc: BOULON A 6 PANS

16шт.

46

4110-1325

BUSH

desc: COUSSINET

1шт.

47

4115-1042

RING;RETAINING

desc: BAGUE

1шт.

48

S5102701

WASHER;SPRING

desc: RONDELLEM ELASTIQUE

8шт.

51

4278-9058

RIM;WHEEL(OPT)

desc: VOLANT

4шт.

Выбрано товаров: 41