Запчасти Doosan Daewoo ELECTRIC PARTS(4)-CABIN BODY PARTS

64A
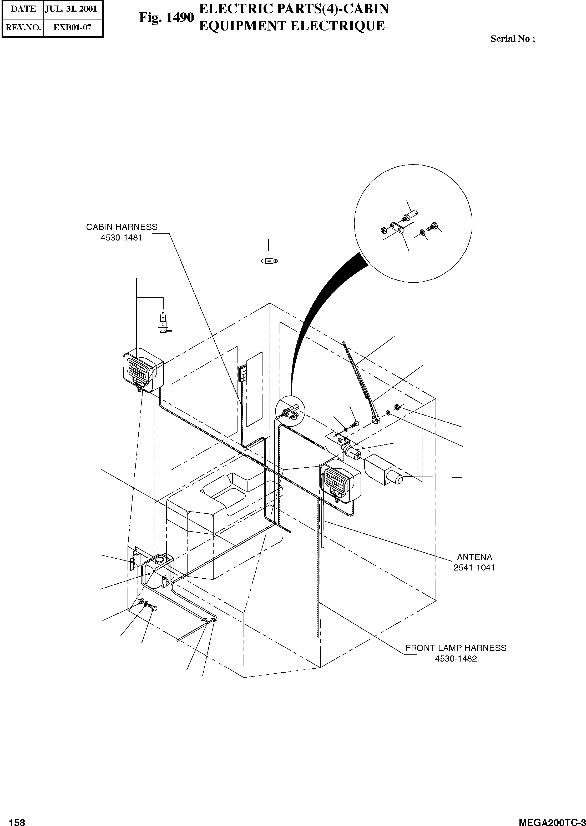
58
64
60
61
59
65
52
49
46
47
51
45
50
62
48
54
53
57
56
55
66
63
65A
FIT
1:1
100%

Артикул

Название

Примечание

Количество

-

4500-1219

ELECTRIC PARTS(1)

SC: D

-2шт.

45

2538-9005

MOTOR;REAR WIPER

desc: MOTEUR D'ESSUIE-GLACE

1шт.

46

S3450833

SCREW M5X0.8X12

desc: VIS

2шт.

47

S5100203

WASHER;SPRING M5

desc: RONDELLE ELASTIQUE M5

2шт.

48

2403-1053

COVER;WIPER MOTOR

desc: COUVERCLE

1шт.

49

2541-6012A

ARM;WIPER

desc: BRAS D'ESSUIE-GLACE

1шт.

50

S5102303

WASHER;SPRING M6

desc: RONDELLE ELASTIQUE M6

1шт.

51

S4012333

NUT M6X1.0

desc: ECROU M6X1.0

1шт.

52

2507-6005

BLADE;WIPER 325L

desc: BALAI D'ESSUIE-GLACE

1шт.

53

2554-9005A

WASHER;WINDOW 4000L

desc: RESERVOIR

1шт.

54

2195-1534

BRACKET

desc: SUPPORT

1шт.

55

S0504453

BOLT M6X1.0X12

desc: BOULON A 6 PANS

2шт.

56

S5102303

WASHER;SPRING M6

desc: RONDELLE ELASTIQUE M6

2шт.

57

S5010313

WASHER;PLAIN M6

desc: RONDELLE

2шт.

58

2415-9001A

NOZZLE

desc: INJECTEUR

1шт.

59

2195-2299A

BRACKET;NOZZLE

desc: SUPPORT

1шт.

60

S3450953

SCREW M6X1.0X12

desc: VIS

1шт.

61

S5102303

WASHER;SPRING M6

desc: RONDELLE ELASTIQUE M6

1шт.

62

2185-1006D4

TUBE;VINYL 3500L

desc: CONDUITE

1шт.

63

2124-1084D6

CLIP;BAND 80L

desc: ATTACHE

4шт.

64

2534-9042

LAMP;ROOM 24V 10W

desc: ECLAIRAGE CABINE

1шт.

64A

2515-1006

BULB 24V 10W

desc: . AMPOULE

1шт.

65

2534-9049C

LAMP;HEAD

desc: LAMPE

2шт.

65A

2515-1016D4

BULB;HALOGEN 24V 70W

desc: . LAMPE

1шт.

66

415-00001

ADAPTER

desc: RACCORD ADAPTATEUR

1шт.

Выбрано товаров: 25